In der DDR wurde eine ganze Reihe integrierter Schaltkreise für Telefon- und Vermittlungssysteme entwickelt. Detaillierte Erläuterungen und Hintergrundberichte dazu finden sich auf der Webseite von Dr. G. Heinz: http://www.gheinz.de/publications/berliner_ics/index.htm

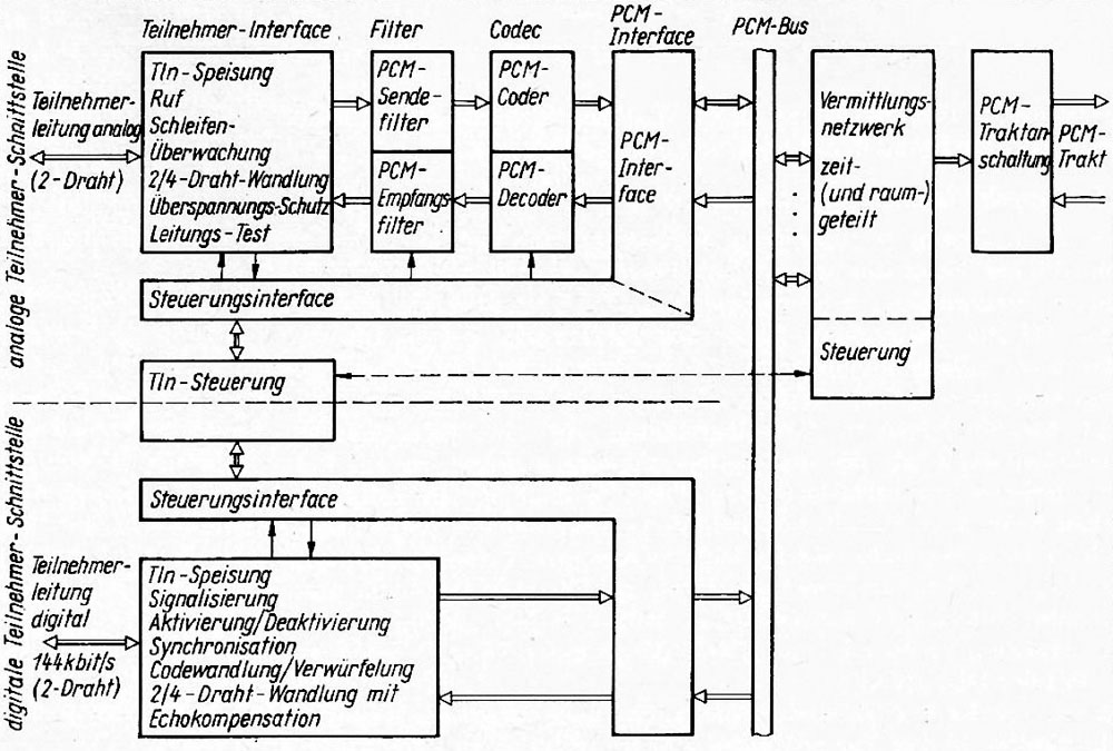
In der Zeitschrift "Nachrichtentechnik, Elektronik" (1986 Heft 1) ist ein Blockschaltbild abgedruckt, das den Aufbau des damals aktuellen PCM30-Systems relativ gut erklärt. Wikipedia beschreibt diese Übertragungstechnik genauer: https://de.wikipedia.org/wiki/PCM30


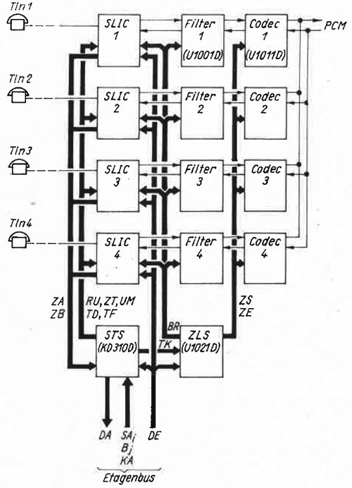
Der Bereich von den einzelnen Telefonapparaten bis zum PCM-Interface wird als Teilnehmersatz
bezeichnet. Ein Teilnehmersatz besteht aus einem SLIC-Block (B384, B385, B386,
B387), der die
Schnittstelle zum Teilnehmeranschluss darstellt, einem NF-Filter (U1001) und
einem Codierer/Decodierer (U1011). Die Steuerung erfolgt über die
Teilnehmer-Anschluss-Steuerung STS (KD310) und die Zeitlagensteuerung ZLS
(U1021). Die beiden letzteren Bausteine wurden später im U1500PC050
zusammengefasst. Die Entwicklung der Schaltkreise erfolgte im Institut für
Nachrichtentechnik.
(Blockschaltbild aus der Zeitschrift "Nachrichtentechnik,
Elektronik" 1986 Heft 1)
B384
Spannungsversorgung für den Teilnehmeranschluss
B385
Testschaltkreis
B386
Speiseschaltkreis
B387
Analogprozessor
U1001
NF-Filter mit Switched-Capacitor-Filtern
U1011
PCM-Codierer/Decodierer mit Switched-Capacitor-ADC und -DAC
U1500PC050
Teilnehmer-Anschluss-Steuerung basierend auf dem Zeiss U1500
Standardzellen-Baustein
U1021
Zeitlagensteuerung
KA601
PCM30-Regenerator auf dem Master Slice IC
IA60
KD310
Teilnehmer-Anschluss-Steuerung auf Master
Slice IC ID30

Für die digitalen Vermittlungsstellen wurden die Schaltkreise U3210, U3220 und U3230 entwickelt. Die Schaltkreise U1500PC001, U1500PC002, U1500DC007 und U1500FC008 sollten in PCM-Ämtern eingesetzt werden. Sie basieren auf dem Standardzellen-Baustein U1500.
U3210
PCM-Empfangsschaltung
U3220
PCM-Sendeschaltung
U3230
Koppelfeld
U1500PC001
PCM-Sender
U1500PC002
PCM-Empfänger
U1503 (U1500DC007, U1500FC008)
Lichtwellenleiter Übertragungs-IC
U809M (Querverlinkung)
Steuerungs-IC in der Vermittungszentrale ATZ65