
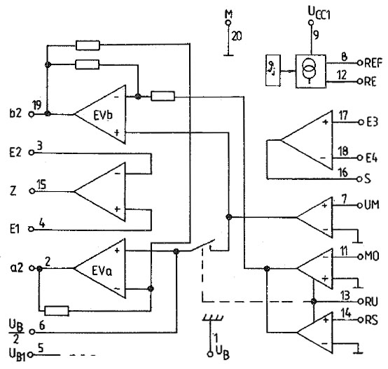
Der B386 stellt im Rahmen der Teilnehmeranschlusssteuerung den sogenannten Speiseschaltkreis dar.

Der B386 enthält die zwei Verstärker EVa und EVb, die die notwendigen Spannungen zwischen den zwei Leitungen des Teilnehmeranschlusses einstellen. Über den Anschluss REF wird der Arbeitspunkt der Schaltung festgelegt (Bereitschaft, Speisung, Speisung mit Zählimpulsen). Laut Datenblatt enthält der B386 eine Strombegrenzung, die sich über den Eingang RE zurücksetzen lässt. Der Eingang UM ermöglicht es die Polarität der Ausgangsspannung umzuschalten. Über die Eingänge MO, RU und RS und die zwei daran angebundenen Verstärker wird das Klingelsignal auf die Telefonleitung aufmoduliert. Der B386 enthält zusätzlich zwei Operationsverstärker, die in der Teilnehmeranschlusssteuerung genutzt werden können.

Wie beim B384 und beim B385 halten auch hier die integrierten Komponenten einen großen Abstand zueinander, um die hohe Versorgungsspannung isolieren zu können.

Neben der Bauteilbezeichnung B386 wurden wie beim B384 und beim B385 zwei Zahlen, in diesem Fall 54 integriert. Hier ist deutlicher zu erkennen, dass die Zahlen in mehreren Ebenen abgebildet sind.

Auf dem Die des B386 sind einige Vorhalte zu finden.

Im unteren Bereich des Dies sind die Endstufen der Verstärker integriert, die die zwei Telefonleitungen speisen. Es handelt sich um quasikomplementäre Endstufen mit den Leistungstransistortypen, die auch im B384 zum Einsatz kamen.
Um die Endstufen herum befinden sich vier auffällig große Kondensatoren. Die äußeren Kondensatoren sind nicht in die Schaltung integriert. Die inneren Kondensatoren scheinen eine Art Bootstrap-Funktion darzustellen.