
Der B385 ist ein Testschaltkreis der Teilnehmeranschlusssteuerung.

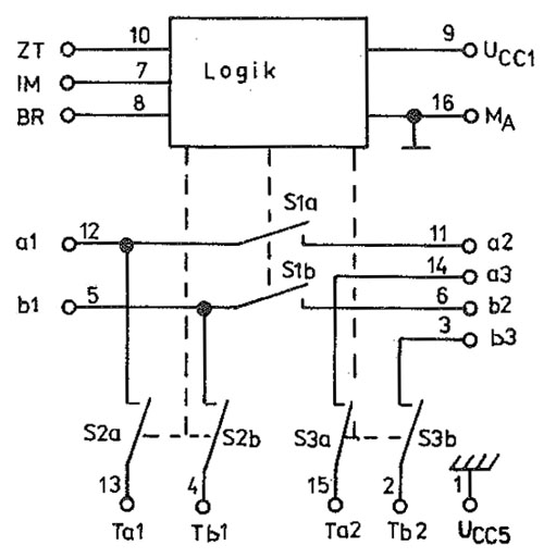
Laut Datenblatt enthält der B385 drei bidirektionale Schalterpaare, die über drei TTL-Signale gesteuert werden können. Es handelt sich um Thyristorenschalter, die bei einer Sperrspannung von 91V und einem zulässigen Strom von 70mA einen Durchlasswiderstand von 17Ω bieten. Der Schalter S2 dient dem Leitungstest. Damit interne Steuerströme diese Funktion nicht stören, enthält der Schalter S2 zusätzlich eine Kompensationsschaltung.

Die Abmessungen des Dies betragen 3,1mm x 4,1mm.

Wie beim B384 sind auch hier oberhalb der Bezeichnung des Bausteins zwei Zahlen, vermutlich 83, abgebildet.

Die Schaltung ist auf eine Spannung von bis zu 95V ausgelegt. Die einzelnen Schaltungsteile halten wie beim B384 einen entsprechend großen Abstand.
Die sechs bidirektionalen Schalter sind gut zu erkennen. Jeder Schalter ist aus zwei großen Elementen und einer gewissen Steuerschaltung aufgebaut.

Um einen bidirektionalen Stromfluss zu ermöglichen, sind zwei planare Thyristoren antiparallel verschaltet. Die pnpn-Struktur des Thyristors scheint von zusätzlichen Hilfsstrukturen umgeben zu sein. Im Vergleich zu einem Transistor ergibt sich so ein verhältnismäßig komplexes Element.