
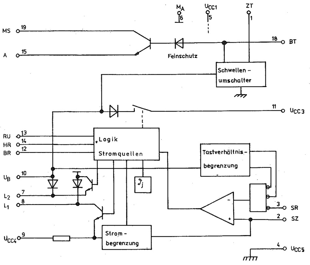
Der B384 ist ein Schaltkreis, der die Spannung auf der Leitung zu einem analogen Telefon regelt.

Der B384 selbst arbeitet mit den Potentialen Ucc1 (5V), Ucc3 (-24V), Ucc4 (-60V) und Ucc5 (-93V). Die
Steuersignale RU (Ruf), HR (Hochregeln) und BR (Bereitschaft) kontrollieren
einen Schaltregler, der mit einer Induktivität an den Pins 7 und 8 arbeitet.
Laut Datenblatt wird im Bereitschaftsbetrieb die -24V-Versorgung Ucc3 zum
Anschluss UB durchgeschaltet. Beim Rufen des Teilnehmers stellen sich -90V an
UB ein. Im Betrieb wird UB abhängig von der Rückkopplung am Pin SR geregelt,
wodurch sich unterschiedliche Leitungslängen kompensieren lassen.
Bei den
Schalt- und Freilaufpfaden des Schaltreglers hat sich ein kleiner Fehler in den
Schaltplan eingeschlichen. Die rechte Diode muss invers gepolt eingebaut sein, da
ansonsten der untere Transistor einen Kurzschluss zwischen des Massepotential
und der Versorgung Ucc4 schalten würde.
Neben der Spannungsregelung ist im B384 die Steuerung für den sogenannten Feinschutz integriert. Dabei handelt es sich um eine Steuerschaltung, die unabhängig von der aktuellen Ausgangsspannung einen Thyristor mit einem konstanten Strom ansteuert. Der Thyristor leitet dann negative Spannungsspitzen zur sogenannten Schutzmasse am Pin 19 ab.

Die Abmessungen des Dies betragen 4,3mm x 3,4mm. Die Integrationsdichte ist verhältnismäßig niedrig.

Oberhalb der Typbezeichnung B384 sind mehrere Zeichen übereinander abgebildet, wodurch die Konturen etwas undeutlich werden. Die obersten Zahlen könnten 83 lauten und damit auf das Jahr der Entwicklung hindeuten. Die erste Zahl scheint aber eher eine 2 zu sein.

Der Grund für den niedrigen Integrationsgrad ist die hohe Spannungsfestigkeit, die der B384 darstellen muss. Das Datenblatt gibt 100,25V als maximale Spannung zwischen Ucc1 und Ucc5 an. Die einzelnen Transistoren halten entsprechend großen Abstand zueinander. Die Kollektoren der Transistoren werden nicht wie üblich an einer Stelle über die tiefer liegende Zuleitung kontaktiert, sondern besitzen einen rot erscheinenden Rahmen, der den kompletten Transistor umgibt. Man kann spekulieren, dass es sich um eine Art Potentialsteuerung handelt, die für ein gleichmäßiges elektrisches Feld zwischen dem eigentlichen Transistor und der äußeren, isolierenden pn-Sperrschicht sorgt.

Einzelne Schaltungsteile sind sehr viel dichter gepackt in einem gemeinsamen Rahmen untergebracht. Dabei handelt es sich um Schaltungsteile, die mit niedrigeren Spannungen arbeiten und entsprechend nicht die großen Isolationsflächen benötigen.

Auf dem Die finden sich einige Vorhalte.

An vielen Stellen sind kurze Leitungsstücke integriert, deren Funktion unklar ist. An einem Ende kontaktieren die Leitungen das Substrat. Am anderen Ende befindet sich lediglich eine breitere Fläche, kein weiterer Kontakt.

Die einzelnen Potentiale lassen sich verhältnismäßig gut identifizieren. Das Bondpads A ist überraschend unvorteilhaft angeordnet.

Auffällig ist auf dem Die vor allem der große Transistor zur Ansteuerung des Thyristors, der den Feinschutz darstellt. Interessant ist, dass von den sechs integrierten Leistungstransistoren nur einer mit dem Ausgang verbunden ist. Höchstwahrscheinlich wurde über die Anzahl der Transistoren der gewünschte Steuerstrom eingestellt. Dass hier gleich fünf Transistoren ungenutzt sind, ist aber dennoch verwunderlich.
Neben den Leistungstransistoren befinden sich zwei große Elemente, die mit ziemlicher Sicherheit Dioden darstellen. Die Dioden schützen die Basis-Emitter-Strecken der Transistoren vor negativen Spannungen. In die Schaltung eingebunden ist nur die obere Diode. Wohin das zugehörige Bondpad führt, lässt sich nicht mit letzter Sicherheit feststellen. Wahrscheinlich ist dort das BT-Potential anzuschließen.

Im Detail betrachtet erkennt man, dass die Leistungstransistoren eine Emitterstruktur besitzen, die einen gewissen Emitterwiderstand und darüber eine gleichmäßige Stromverteilung bieten. Auch die Metalllage ist so weit optimiert, dass sich eine möglichst gleichmäßige Stromverteilung ergibt.
Außerdem ist hier zu erkennen, dass es sich um Darlington-Transistoren handelt. Am linken Ende befindet sich der zugehörige Treibertransistor.

Die größeren Elemente des Schaltreglers lassen sich gut identifizieren. Am Anschluss L2 befindet sich eine Leistungsdiode und zwei Leistungstransistoren, deren Strukturen den Transistoren der Thyristoransteuerung ähnlich sind. Hier fehlt allerdings die Darlington-Ansteuerung.
Am Anschluss L1 ist die zweite Leistungsdiode platziert. Man erkennt deutlich den Fehler im Schaltplan. Die beiden Dioden sind zueinander invers gepolt. Links des Bondpads L1 ist ein kleinerer Darlingtontransistor integriert. Unterhalb der Ucc4-Versorgung befindet sich die Schaltung zur Strombegrenzung.
Über den rechten Rand des Dies zieht sich ein Streifen der Metalllage, der das Substrat mit dem Ucc5-Potential verbindet.