

Der im Halbleiterwerk Frankfurt Oder produzierte DL020D enthält zwei NAND-Gatter mit jeweils vier Eingängen. Er entspricht einem 74LS20. Als Low Power Schottky TTL sollte der DL020 ähnlich schnell, aber stromsparender schalten als der D220, der ebenfalls zwei NAND-Gatter mit vier Eingängen enthält. U1 steht für eine Produktion im Januar 1986.

Die Abmessungen des Dies betragen 1,1mm x 1,0mm. Der symmetrische Aufbau ist ebenso deutlich zu erkennen, wie die große Menge ungenutzter Elemente. Es handelt sich um ein Design, das mit unterschiedlichen Metalllagen verschiedene Logik-Bausteine darstellen kann. Variationen sind der DL003 und der DL008.



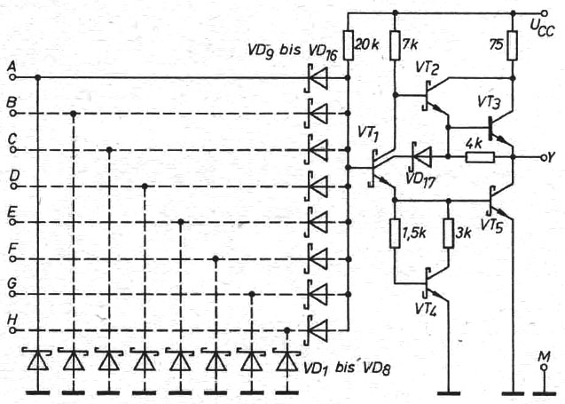
Die Schaltung entspricht fast exakt der Standard-Schaltung, die im Dezember 1984 in der Zeitschrift Radio Fernsehen Elektronik abgedruckt und im Rahmen des Gatters DL003 genauer analysiert wurde.
Die einzige Abweichung zum Schaltplan ist der Basis-Emitter-Widerstand RVT1 beim Transistor VT1. Anscheinend soll dieser Widerstand das Abschalten des Transistors noch etwas beschleunigen, indem er einen Pfad für die freien Ladungen in der Basis-Emitter-Strecke bietet.
Wie im Rahmen des DL008 beschrieben, war der Widerstand RVT1 in frühen Revisionen des Grund-Designs gar nicht verfügbar. Wahrscheinlich hat man hier den initialen Entwurf der Schaltung optimiert. Der DL003 (4* 2-Input NAND) enthält diesen Widerstand nicht.

Auch wenn die Bildqualität nicht ideal ist, so kann man mit etwas Hintergrundwissen auf die Funktion der einzelnen Bereiche schließen. (Siehe dazu auch den typischen Aufbau eines Transistors im Rahmen des IK72.) Hier sind zwei der Eingangsstrukturen zu sehen, links ungenutzt, rechts kontaktiert. Von unten wird das Eingangssignal zugeführt, die horizontal verlaufende Leitung ist an das Massepotential angebunden. Am oberen Kontakt werden die Eingänge zusammengefasst.
Man könnte meinen das es sich hier um einen Transistor handelt, es ist allerdings keine Basisfläche zu erkennen, in der sich zwei der drei Kontakte befinden müssten. Stattdessen sind der obere und der untere Kontakt mit der n-dotierten Fläche verbunden. Der untere Kontakt ist dabei deutlich schlanker ausgeführt. Mit dem Hintergrundwissen, dass sich an den Eingängen Schottky-Dioden befinden, sind diese Strukturen durchaus logisch. Der untere Kontakt befindet sich mit Sicherheit auf einer stark n-dotierten Fläche, die dafür sorgt, dass ein ohmscher Kontakt zwischen Metalllage und n-Dotierung entsteht. Durch die hohe Dotierung ist auch eine kleine Fläche ausreichend. Der gerade noch zu erkennende Umriss ist wahrscheinlich die Durchkontaktierung in der isolierenden Siliziumoxid. Die Grenzen des stark n-dotierten Bereichs sind hier nicht zu erkennen. Eine tiefer liegende, stark n-dotierte Schicht leitet Ladungen zum obersten Kontakt, wo die Metalllage direkt auf der schwächer n-dotierten Schicht aufliegt. An der Grenzfläche bildet sich so eine Schottky-Diode aus. Der größere Kontaktbereich ist wahrscheinlich auf Grund der geringeren Leitfähigkeit der schwächer n-dotierten Fläche notwendig.
Interessant ist der mittlere Kontakt. In den meisten 74LS-Schaltplänen befinden sich an jedem Eingang zwei Schottky-Dioden. Hier sind die Schutzdioden als normale Dioden ausgeführt. Dazu passt, dass um den Umriss der Durchkontaktierung ein weiterer Umriss zu erkennen ist. Dabei handelt es sich mit Sicherheit um eine p-Dotierung, die eine konventionelle Diode erzeugt. Die konventionelle Diode ist zwar langsamer als eine Schottky-Diode, hat in der Funktion als Schutzdiode aber wahrscheinlich vorteilhafte Eigenschaften. Vielleicht ist sie beim vorliegenden Prozess leistungsfähiger.

Auch die Schottky-Transistoren lassen sich erkennen. Der Aufbau der Schottky-Transistoren unterscheidet sich kaum vom Aufbau normaler Transistoren. Es reicht aus den Basiskontaktbereich so zu vergrößern, dass nicht nur der Basis- sondern auch der Kollektorbereich kontaktiert wird. Am Übergang zum Kollektorbereich bildet sich die gewünschte Schottky-Diode aus. Der Doppelkontakt ist sogar bei den kleineren Transistoren zu erkennen. Die entsprechenden Basiskontakte sind verhältnismäßig groß und besitzen eine Kante, wo unter der Metalllage Basis- und Kollektorbereich aufeinandertreffen (blaue Pfeile).
Beim großen Lowside-Transistor links unten im Bild kann man im Bereich des Basiskontakts ein verhältnismäßig großes Quadrat erkennen. Das Quadrat ist eine Aussparung in der Basisfläche, durch die die Metalllage zusätzlich die Kollektorfläche kontaktiert.