
Der 256kBit großer DRAM U61256 wurde im Zentrum für Mikroelektronik Dresden entwickelt. Es war der größte in Großserie produzierte RAM-Baustein der DDR. Den darauffolgende 1MBit-Speicher U61000 hat man nur mehr in Kleinserie gefertigt. Die Zeichen XN kennzeichnen eine Produktion im November 1989. Nach der Wiedervereinigung Deutschland wurde der U61256 unter der Bezeichnung UD61256 weiter produziert. Außerdem gab es einen UD61259.
Die Zahlen 10 stehen für den ersten Selektionstyp, der Zugriffszeiten von 100ns erlaubt. Darüber gab es den Selektionstyp 08, der mit 80ns spezifiziert war. Der Grundtyp (12) bietet Zugriffszeiten von 120ns, der Anfalltyp (15) 150ns.


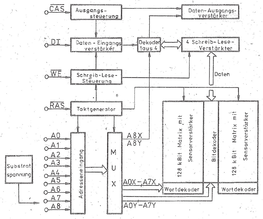
Das Datenblatt zeigt den Aufbau und die Funktionsweise des U61256. 8Bits der 9Bit breiten Adressierungsschnittstelle werden zuerst für die Zeilenauswahl und dann für die Spaltenauswahl dekodiert. Der Speicher besteht aus zwei 128kBit großen Bereichen, die beim Lesen von Daten die Informationen von vier Zellen gleichzeitig ausgeben. Das neunte Bit der Adressierungsschnittstelle, das ebenfalls zweimal ausgewertet wird, steuert die Auswahl einer dieser vier Zellen. Im Blockschaltbild fehlt die Datenausgabe in der oberen rechten Ecke.

Das Die ist 9,6mm x 3,8mm groß. Die Versorgungspotentiale werden über jeweils zwei Bonddrähten zum Die geführt.
Das Bild des Dies ist auch in einer höheren Auflösung verfügbar: 67MB


Hier ist ein weiterer U61256 zu sehen. Bei diesem Bauteil fehlt die Angabe der Sortierung. XO kennzeichnet eine Fertigung im Oktober 1989.
Auch das Bild dieses Dies ist in einer höheren Auflösung verfügbar: 71MB


Der dritte U61256 scheint aus der gleichen Charge zu stammen wie der zweite Baustein.
Auch das Bild dieses Dies ist in einer höheren Auflösung verfügbar: 71MB

Auf allen Dies findet sich die Bezeichnung U61256-1. Die Zahl 1 kennzeichnet die erste Revision des Designs. Passend dazu finden sich keine schaltungstechnischen Unterschiede in den drei Bausteinen.
Im UD61256 findet sich die Revision 4 und im UD61259 ist die Revision 3 zu sehen.

An der linken Kante scheint es in der Produktion zu gewissen Unsauberkeiten gekommen zu sein. Beim dritten Speicher zeigen sich Verschmutzungen oder Korrosionserscheinungen, die sich bis zu den ersten aktiven Strukturen erstrecken.

An der oberen Kante sind einige Masken abgebildet.

Die Metalllage scheint in vielen Bereichen von den Kontakten aus in die Polysiliziumlage vorgedrungen zu sein. Der Effekt ist bei allen drei Speichern zu finden. Der hier zu sehende Ausschnitt stammt aus dem dritten Baustein.

Die Speicherzellen sind zu klein und es liegen zu viele Lagen übereinander, um den Aufbau klar erkennen zu können. In der Oberflächenstruktur der Metalllage scheinen sich Kondensatorgeometrien ähnlich denen im U2164 abzubilden.
Wie im U2164 erfolgt auch im U61256 die Zeilenauswahl seitlich und die Datenauswertung an der unteren beziehungsweise oberen Kante der Speicherflächen. Im Gegensatz zum U2164 verlaufen die Leitungen in der Metalllage hier aber horizontal nicht vertikal.

Die Speicherfläche besitzt nur auf der rechten Seite Zeilentreiber. Dort sind entsprechend große Treibertransistoren integriert, um den notwendigen Umladestrom darstellen zu können. Das könnte auch eine Erklärung für die horizontal verlaufenden Leitungen in der Metalllage sein. Die Metalllage ist niederohmiger als die Polysiliziumlage.

Im Blockschaltbild ist der Speicherbereich zweigeteilt. Der obere und der untere Block bestehen jeweils wiederum aus zwei Bereichen. Jede dieser Zeilen enthält 15 Segmente aus denen jeweils 64 Leitungen heraus führen. Am Anfang und am Ende kommen jeweils 32 Leitungen dazu. So ergeben sich insgesamt 256.000 Speicherzellen. An der rechten Kante finden sich 16 zusätzliche Spalten. Offenbar besitzt der Speicher 16 Reservespalten, also 8.192 zusätzliche Speicherzellen, um Produktionsfehler kompensieren zu können.

Hier sind die Strukturen zu sehen, die durch die zwei großen Speicherflächen verlaufen. Die Zuleitungen sind verhältnismäßig massiv. Vielleicht erfolgt darüber das Vorladen der Spalten vor dem Auslesen von Speicherzellen.

Auch wenn man die exakten Strukturen der Spaltenauswahl nicht erkennen kann, so lassen sich einige Funktionen erahnen. Es verlaufen zweimal acht Leitungen horizontal zwischen den beiden großen Speicherblöcken. Hierbei handelt es sich höchstwahrscheinlich um die Adressleitungen für die beiden Speicherblöcke. Davon etwas abgeschirmt verlaufen in der Mitte vier Leitungen, die dann mit Sicherheit die vier ausgelesenen Speicherinhalte übertragen.
Dass es sich bei den rechten 16 Spalten um die Reservespalten handelt, kann man hier ebenfalls erkennen (rote Pfeile). Die ersten vier Blöcke, die jeweils vier Spalten auslesen, sind anders aufgebaut und kontaktiert. Fünf zusätzliche Steuerleitungen werden in diesen Bereich geführt.

An der rechten Kante ist die Schaltung integriert, die es ermöglicht die Reservespalten in den Adressbereich einzuschleifen. Dazu befinden sich nah der Kante des Dies zweimal 36 Fuses. Offenbar erfolgt die Auslösung ähnlich wie beim U2164. Es sind zwei Testpads integriert, von denen eines den Auslösestrom überträgt.

Die ausgelösten Fuses kann man gut erkennen. Es handelt sich um dünne Polysiliziumstreifen. In allen drei Bausteinen wurden einige Fuses ausgelöst. Anscheinend gab es in allen Speichern defekte Zellen.

In der oberen rechten Ecke des Dies befindet sich die Biasspannungserzeugung, die das Substrat auf ein negatives Potential legt. Im oberen Bereich kontaktiert die Schaltung die Rahmenstruktur. Dieses Potential wird zusätzlich in einigen Schaltungsteilen genutzt.
Neben den zwei Testpads zur Auslösung der Fuses befinden sich auf dem Die zwei weitere Testpads. Interessant ist, dass die Oberfläche dieser Testpads anders aufgebaut ist. Es könnte sein, dass man je nach Verwendung mit zwei Arten von Testpads arbeitete. Die Testpads der Fuses werden in der Produktion immer kontaktiert. Die Biasspannung muss man wahrscheinlich nur selten messen. Dieses Testpad ist auch deutlich kleiner. Die Funktion des vierten Testpads bleibt unklar. Obwohl dessen Oberfläche genauso strukturiert ist wie beim Testpad der Biasspannungserzeugung wurde es bei allen drei Bausteinen kontaktiert.

Hier ist eine Eingangsschutzbeschaltung zu sehen. Wahrscheinlich arbeitet sie ähnlich wie die Eingangsschutzbeschaltung im U2164. Die zwei langen, grünen Elemente stellen Widerstände zur Strombegrenzung dar. Im oberen Bereich werden zwei Elemente von Streifen eingefasst, die mit dem Massepotential verbunden sind. Das erste Element dürfte eine Diode sein. Das zweite Element ist eine Grounded Gate NMOS.

Die Push-Pull-Endstufe des Datenausgangs ist sehr gut zu erkennen.