Die Referenzspannungsquelle AD588 ähnelt der AD587, bietet aber einen erweiterten Funktionsumfang. Sie ermöglicht eine vollwertige Vierleiter-Anbindung, kann zwei unabhängige Referenzspannungen liefern und ein variables Bezugspotential darstellen.
In der besseren Sortierung liegt die Genauigkeit der Ausgangsspannung bei +/-0,01% und ist damit noch etwas enger spezifiziert als bei der AD587. Auch der Temperaturdrift stellt sich mit +/-1,5ppm/°C noch etwas besser dar.

Die AD588AD befindet sich in einem sechzehnpoligen Keramikgehäuse mit Metalldeckel. Der Index AD steht für die mittlere Qualitätsstufe und den mittleren Betriebstemperaturbereich.
Dieses Teil und die Revision C stammen aus einer Ebay-Charge,
die mehrere gleich beschriftete AD588 enthielt. Einige dieser
Referenzspannungsquellen waren nach Aussage des Käufers teilweise defekt. Das
hier vorliegende Teil gehört zu den funktionierenden Referenzen.
Bereits auf
diesem Bild
ist zu erkennen, dass es sich um ein neu beschriftetes Baueil handeln muss. Der
Date-Code weist 2005 als Produktionsjahr aus. Zu diesem Zeitpunkt wurden aber
schon lange keine AD-Varianten mehr produziert. Das Analog Devices Design
Reference Manual von 1996 führt bereits nur noch das Keramikpackage ohne
Metalldeckel mit dem Index AQ. Bei genauerer Betrachtung ist zu erkennen, dass
die Oberfläche des Metalldeckels relativ rau ist und wahrscheinlich
abgeschliffen wurde.

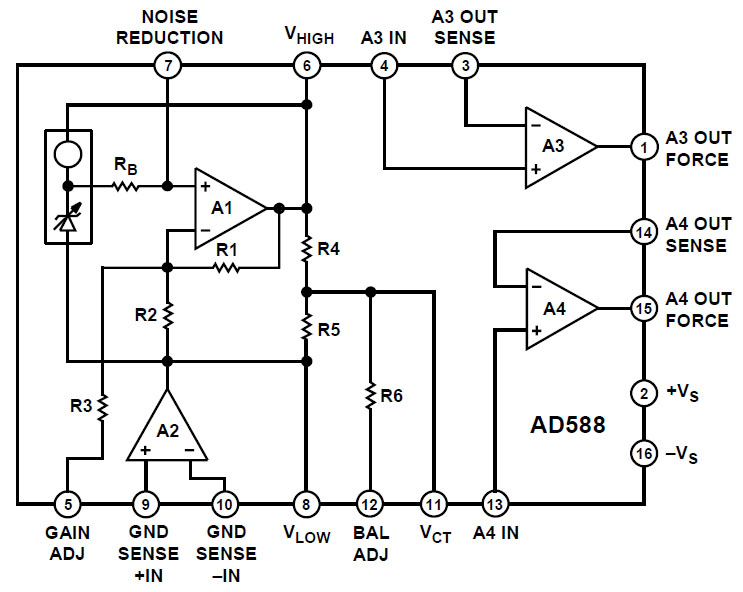
Das Blockschaltbild des Datenblatts zeigt den grundsätzlichen Aufbau der AD588.
Die Referenzspannung basiert auf einer buried zener, einer "vergrabenen" Z-Diode. Wie bei der
LM399 beschrieben, ist die Spannung einer buried Z-Diode
stabiler als die einer normalen Z-Diode, deren Sperrschicht sich an der
Oberfläche des Dies befindet. Eine Stromquelle sorgt für einen konstanten Strom und
damit einen stabilen Arbeitspunkt der Z-Diode. Am Pin 7
kann ein Kondensator angeschlossen werden, der dann das Rauschen der Referenzspannung
reduziert.
Der
Operationsverstärker A1 puffert die erzeugte Referenzspannung und bietet über
den Pin 5 eine Schnittstelle zum Abgleich der Spannungshöhe. Um den Operationsverstärker A1
herum sind
alle für die verschiedenen Funktionen der AD588 notwendigen Widerstände integriert.
Der Operationsverstärker A2 wird normalerweise dazu genutzt das Bezugspotential
der AD588 zu entlasten. Er regelt das Potential am Pin 8 auf das Bezugspotential
ein, ohne dass das Bezugspotential selbst den Strom des Widerstandteilers R4/R5
aufnehmen muss. Diese Maßnahme stellt sicher, dass es zu keinen lokalen
Potentialanhebungen kommt.
Der Operationsverstärker A2 wird außerdem genutzt,
um bipolare Ausgangsspannungen zu erzeugen. In diesem Fall erfolgt die Rückkopplung nicht
über
den Pin 8, sondern über den Pin 11.
Mit den vollständig von außen zugänglichen Operationsverstärkern A3 und A4 besitzt der AD588 alle notwendigen Umfänge, um zwei Referenzspannungen auszugeben. Alternativ kann einer der Verstärker für eine Vierleiter-Anbindung genutzt werden. Dabei liest dieser Operationsverstärker das Bezugspotential der zu versorgenden Schaltung zurück und regelt es auf das Bezugspotential der AD588 ein. Will man die beiden Operationsverstärker A3 und A4 für die Ausgabe von zwei Referenzspannungen nutzen, so kann man für eine Vierleiter-Anbindung auch auf den Operationsverstärker A2 zurückgreifen. Dabei wird dann das Bezugspotential der AD588 auf das Bezugspotential der zu versorgenden Schaltung eingestellt.


Obwohl das Package neu beschriftet wurde, handelt es sich dennoch um eine AD588-Referenzspannungsquelle.
Die Abmessungen des Dies betragen 3,84mm x 2,26mm. Wie bei der AD587 kamen zwei Metalllagen zum Einsatz. Da sich die Oberfläche der oberen Metalllage von der der unteren unterscheidet und die Leitungsdichte nicht allzu hoch ist, lassen sich die einzelnen Potentiale noch relativ gut nachverfolgen.
Die Bezeichnung des Dies lautet A588. Der Buchstabe A steht für die Revision des
Designs, das 1985 von Analog-Devices entwickelt wurde. Auf dem Die sind zwei
Symbole zu erkennen, die die verkünstelten Initialen der Entwickler darstellen
könnten. Die Buchstabenfolge FB lässt sich noch recht gut entziffern. Das zweite
Symbol ähnelt eher einem Kunstwerk. Es ist auch auf der AD587
zu finden.
In einem Quadrat am linken Rand wurde während des Laserabgleichs die Zahl 1 in das Die
geschrieben. Entweder stellt die Zahl eine Qualitätsstufe dar oder sie
ermöglicht es den Abgleichprozess zurück zu verfolgen, zum Beispiel um die bei
diesem Die
verwendete Anlage zu identifizieren.

Die Verteilung der Funktionsblöcke auf dem Die ist relativ gut ersichtlich. Der gelbe Block enthält die Referenzspannungsquelle und den zugehörigen Operationsverstärker A1. Darunter befindet sich in blau der Operationsverstärker A2, der das Bezugspotential regelt. Auf der rechten Hälfte des Dies sind die zwei Operationsverstärker A3 und A4 integriert. Der Zwischenraum (grün) beinhaltet die Widerstände, die benötigt werden, um die verschiedenen Funktionen der AD588 realisieren zu können.

Im Bereich der Referenzspannungserzeugung ist rechts unten die symmetrische Differenzverstärker-Struktur des Operationsverstärkers A1 zu erkennen. Darüber befinden sich dessen Kompensationskondensator und die Endstufe.
Im unteren Bereich befindet sich die buried Z-Diode. Die Z-Diode ist mit
den sie umgebenden, größeren Transistoren verbunden. Die Verschaltung sorgt für
eine Kompensation des Temperaturdrifts. Dabei wird ausgenutzt, dass eine Z-Diode
im richtigen Arbeitspunkt einen positiven Temperaturkoeffizienten aufweist,
während eine Basis-Emitter-Strecke einen negativen Temperaturkoeffizienten
bietet.
Der gleiche Effekt wird auf eine etwas simplere Art und Weise in der
sogenannten Super-Zener-Verschaltung genutzt, die in der LTZ1000 und in der LTFLU zum
Einsatz kommt.

In der linken oberen Ecke des Dies befinden sich drei in Reihe geschaltete Widerstände, von denen einer auffällig zerstückelt ist. Der größere Widerstand neben der Jahreszahl wurde mit einem Laser abgeglichen. Der verteilte Widerstand durchlief ebenfalls einen Abgleichprozess, der ganze Steifen von den benachbarten Metalllagen abgetrennt hat. Der Grund für diese aufwändige Justage erschließt sich nicht. Über diese Widerstände wird vermutlich der Temperaturkoeffizient auf einen möglichst kleinen Wert eingestellt. Der Abgleich der Referenzspannung auf den gewünschten Wert erfolgt wahrscheinlich im mittigen, grün markierten Streifen des Dies, wo sich auch der Offset-Widerstand befindet. Mehrere Testpads ermöglichen es die relevanten Potentiale während des Abgleichs zu vermessen.

Der AD588 nutzt eine buried Z-Diode, die optisch den Z-Dioden in der Referenzspannungsquelle AD587 und im Digital-Analog-Wandler AD565A stark ähnelt. Wahrscheinlich handelt es sich um das selbe Design.

Die einzelnen Schaltungsteile des Operationsverstärkers A2 lassen sich ebenfalls teilweise identifizieren. Der Differenzverstärker des Eingangs befindet sich oben links. Dort sind zwei größere Widerstände angebunden, über die der Offset des Differenzverstärkers abgeglichen werden kann. Der größere Kondensator in der unteren linken Ecke ist der Referenzspannungsquelle zuzuordnen, der kleinere Kondensator dient zur Kompensation des Operationsverstärkers. In der oberen rechten Ecke findet sich die Endstufe des Operationsverstärkers.
Interessant ist die Verwendung einer weiteren buried Z-Diode in den Operationsverstärkern. Man nutzt die sowieso verfügbare, sehr stabile Referenz noch einmal vorteilhaft im Biasgenerator der Operationsverstärker.


Die Operationsverstärker A3 und A4 sind gleich aufgebaut. Auch sie nutzen wie der Operationsverstärker A2 jeweils eine buried Z-Diode. Die Ausgangsendstufen sind hier noch etwas größer ausgebildet, da sie Schnittstellen nach außen darstellen.