
Hinter der Herstellerbezeichnung UMW steht die Firma Guangdong Youtai Semiconductor die 2013 in Hongkong gegründet wurde. Auch UMW bietet einen LM2904.
Das Die des UMW LM2904 ist mit den Abmessungen 0,7mm x 0,4mm überraschend klein.
Dieses Bild ist auch in einer höheren Auflösung verfügbar: 4MB


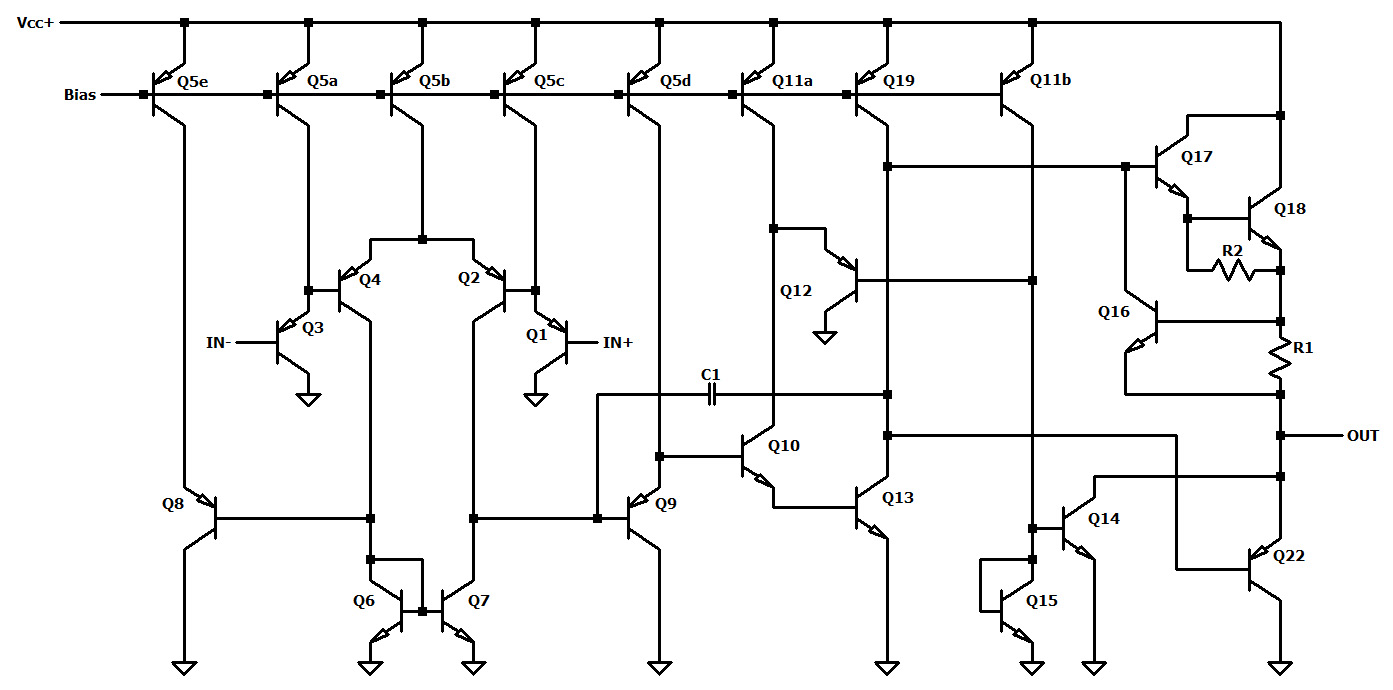
Die Schaltung entspricht im Großen und Ganzen der Schaltung im Texas Instruments LM2904. Bei den Transistoren Q2 und Q4 kann man davon ausgehen, dass zusätzliche Kollektorbereiche mit dem Massepotential verbunden sind, wie man es von anderen LM2904 Varianten kennt. Die Strukturen sind aber nicht gut genug zu erkennen. Die Diode D1 am Emitter von Q10 fehlt.
Das Die enthält einige ungewöhnliche Elemente und Geometrien. Die Eingangstransistoren Q1 und Q3 befinden sich direkt neben den zugehörigen Bondpads. Der Basisbereich wird noch innerhalb des Bondpads kontaktiert. Der Ausgangstransistor Q22 wurde vollständig unter das Bondpad verschoben. Eine sehr ungewöhnliche Form besitzt der obere Ausgangstransistor Q18. Innerhalb des großflächigen Emitterkontakts wurden zwei Basiskontakte platziert. Das erinnert an das sogenannte "perforated emitter" Design wie es im BUX22 in größerem Maßstab zu sehen ist.

Im Vergleich zu anderen LM2904 hat die UMW-Variante einen Nachteil. UMW nutzt einen Referenzpfad, um die Arbeitsströme der einzelnen Stufen in beiden Operationsverstärkern einzustellen (links). Durch diese Verbindung können sich die zwei Kanäle gegenseitig beeinflussen. Andere LM2904 erzeugen zwei Referenzströme, die über zwei PNP-Transistoren die Stromquellen der beiden Kanäle steuern (rechts).

Wird im Extremfall zum Beispiel das Vcc+ Potential an einen Eingang angelegt, so kann die zugehörige Stromquelle keinen Strom mehr liefern. Dieser Transistor leitet dann auch keinen Basisstrom mehr in das gemeinsame Basispotential. Das führt wiederum dazu, dass sich die Ströme in den anderen Stromquellen ein kleines Stück weit erhöhen. Das Verhalten des gestörten Operationsverstärkers mag in der Applikation vielleicht irrelevant sein, der zweite Operationsverstärker wird nun aber auch mit höheren Arbeitsströmen versorgt. Das ändert dessen Verhalten und seine Spezifikationen ein Stück weit. Im schlimmsten Fall kann es zu Instabilitäten kommen. Variable Störungen können sich auf das Nutzsignal des zweiten Operationsverstärkers aufmodulieren.
Rechts steuern die PNP-Transistoren Q20 und Q25 jeweils ihre Hälfte der Stromquellen. Die Referenzströme werden von den NPN-Transistoren Q21 und Q26 erzeugt, die sich durch eine Störung auf einer Seite nicht beeinflussen lassen. Dafür muss man aber zwei zusätzliche Transistoren einsetzen. Gerade bei der Schaltung zur Erzeugung der Arbeitsströme hat UMW auf maximale Effizienz gesetzt. Um dieses Ziel zu erreichen, wurde sogar eine deutliche Asymmetrie der beiden Operationsverstärker in Kauf genommen.