
Der Texas Instruments OPA827 ist der Nachfolger des recht bekannten Präzisions-Operationsverstärkers OPA627. Mit 22MHz liegt die Grenzfrequenz des OPA827 noch etwas höher als die Grenzfrequenz des OPA627. Die maximale Slewrate fällt mit 28V/µs dagegen etwas geringer aus. Die Offsetspannung des OPA827 ist auch ohne Sortierung kleiner. Das Rauschen des Eingangs konnte man ebenfalls etwas reduzieren.

In dem Magazin New Electronics findet sich im Januar 2007 ein Bericht über den Prozess BiCom3HV. Dort wird der OPA827 erwähnt, der demnach ebenfalls auf diesem Prozess basiert. Details zum BiCom3HV Prozess finden sich in der IEEE Veröffentlichung "BiCom3HV - A 36V Complementary SiGe Bipolar- and JFET-Technology". Dort hat man auch die obige Skizze veröffentlicht, die zeigt wie ein NPN-Transistor in diesem Prozess aufgebaut ist. Diese Transistoren sperren bis zu 40V. Die Nutzung von SiGe ermöglicht gleichzeitig hohe Schaltfrequenzen. Die Transitfrequenz beträgt bis zu 4,2GHz. Es handelt sich um einen SOI Prozess (Silicon on Insulator), wodurch die parasitären Kapazitäten zum Großteil unabhängig von der anliegenden Spannung sind.

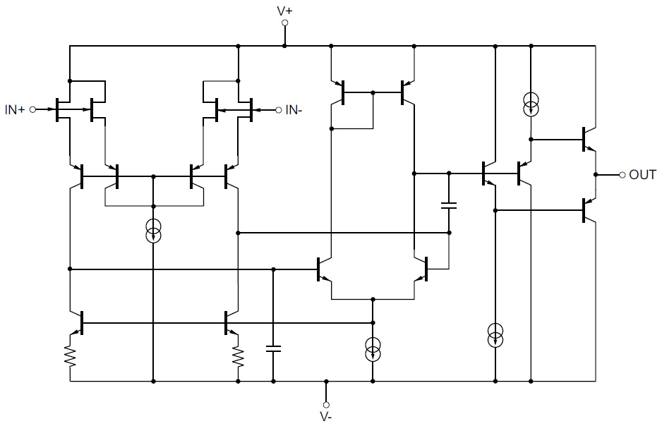
Das Datenblatt enthält einen Schaltplan, der dem Schaltplan des OPA627 ähnelt. Beim OPA627 befanden sich P-Kanal JFETs an den Eingängen. Hier sind es N-Kanal JFETs, die direkt mit dem positiven Versorgungspotential verbunden sein sollen. Man kann davon ausgehen, dass sich oberhalb der Eingangstransistoren noch andere Schaltungsteile befinden. Das Datenblatt zeigt bei Änderungen der Gleichtaktspannung einen sehr konstanten Eingangsstrom. Das wäre nicht der Fall, wenn sich zwischen den Eingängen und dem positiven Versorgungspotential nur eine pn-Sperrschicht befinden würde. Die zusätzlichen Eingangstransistoren waren auch im OPA627 schon vorhanden, werden dort aber noch nicht im Datenblatt gezeigt. Mit dem TO-99 Gehäuse bietet der OPA627 zwei zusätzliche Kontakte, um die Stromverteilung im Stromspiegel und damit die Offsetspannung zu beeinflussen. Beim OPA827 hat man diese Schnittstelle entfallen lassen.
Die Abmessungen des Dies betragen 1,7mm x 1,3mm. Es ist damit deutlich kleiner als das Die im OPA627 (2,9mm x 2,0mm). Den Großteil der Fläche hat man mit Dummystrukturen aufgefüllt. Die Eingangstransistoren sind trotzdem deutlich zu erkennen. Wie der OPA627 arbeitet auch der OPA827 mit sehr vielen verhältnismäßig großen Eingangstransistoren. Die große Fläche sorgt für ein geringes Rauschen. Die Verschaltung reduziert Offsets, die ansonsten durch Temperaturgradienten entstehen könnten. In der obersten Metalllage ist der Bereich der Eingangstransistoren durch seine symmetrischen, relativ breiten Leitungen erkennbar. Die zwei Bondpads an der unteren Kante im linken Bereich stellen die Eingänge dar. Die breiten Verbindungen zu den Eingangstransistoren sind deutlich zu erkennen.
Die Endstufe befindet sich an der rechten Kante. Sie sticht durch ihre noch breiteren Leitungen hervor. Die mittige Platzierung sorgt für möglichst homogene Temperaturgradienten in den Eingangstransistoren. Es scheint, dass zur Versorgung der Endstufe eigene Bondpads integriert wurden.
Im linken Bereich verblieben drei Bondpads unkontaktiert. Das etwas weiter im Inneren des Dies platzierte Bondpad besitzt keine Schutzstrukturen. Wahrscheinlich wird dieses Potential nur für Tests oder zum Abgleich genutzt. Die beiden Bondpads in den linken Ecken sind mit Schutzstrukturen ausgestattet. Vielleicht könnte man darüber wie beim OPA627 einen Offsetabgleich durchführen.
Dieses Bild ist auch in einer höheren Auflösung verfügbar: 92MB

IC05118 scheint die interne Projektbezeichnung zu sein. Darüber hat man in den verschiedenen Lagen Rechtecke abgebildet.

Auf dem Die befinden sich einige mit dem Laser abgeglichene Widerstände, wie man sie unter anderem aus dem OPA140 kennt.
Interessant sind außerdem die miteinander verbundenen Quadrate über dem Widerstand, die an Fuses erinnern. Es handelt sich sicherlich nicht um Fuses, da die Passivierungsschicht die Struktur komplett abdeckt. Man kann nur vermuten, dass es sich um Hilfsstrukturen handelt, die man während der Entwicklung oder bei der Fehlersuche nutzen kann. In diesen Situationen ist das Öffnen der Passivierungsschicht und eine Modifikation der Metalllage ein vertretbarer Aufwand.
Entfernt man die oberen Lagen, so zeigt sich, dass große Bereiche keine aktiven Elemente enthalten.
Dieses Bild ist auch in einer höheren Auflösung verfügbar: 26MB

Die untersten Strukturen der Eingangstransistoren sind teilweise noch vorhanden. Es handelt sich um 20 große und 10 kleine Blöcke.