
Der OPA140 von Texas Instruments ist ein Präzisions-Operationsverstärker mit einem sehr geringen Rauschen. Die Versorgungsspannung darf zwischen 4,5V und 36V liegen. Dabei nimmt der OPA140 typischerweise 1,8mA auf. Der Ausgang kann zwischen 36mA und -30mA treiben. Die Grenzfrequenz beträgt 11MHz. Die Slewrate wird mit typischerweise 20V/µs angegeben. Der Eingangsstrom bleibt unter 10pA, über den ganzen Betriebstemperaturbereich unter 3nA. Das Datenblatt spezifiziert +/-30µV als typische Offsetspannung mit einem Temperaturdrift von maximal +/-1µV/°C.

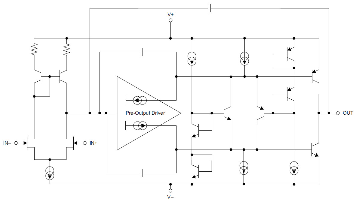
Das Datenblatt enthält ein vereinfachtes Schaltbild des Operationsverstärkers. An den Eingängen befindet sich demnach ein klassischer Differenzverstärker mit J-FET Transistoren. Darauf folgt der Treiber und schließlich eine Push-Pull-Endstufe, deren Ausgangspotential bis zu den Versorgungspotentialen ausgesteuert werden kann.

Eine Polyimidschicht schützt das Die des OPA140.
Die Abmessungen des Dies betragen 1,4mm x 0,8mm. Der hohe Integrationsgrad macht es schwierig einzelne Funktionsblöcke zu erkennen. Die breiten Leitungen im rechten Bereich zeigen, wo sich die Endstufe befindet. Dort sind neben dem Ausgang auch die Bondpads der Versorgung platziert, so dass die verhältnismäßig hohen Ströme keine weiten Wege zurücklegen müssen. Drei Bondpads wurden nur während der Produktion kontaktiert. In den blauen Flächen meint man teilweise Spuren eines Laserabgleichs erkennen zu können. Unter der massiven Struktur links der Mitte scheinen sich die Eingangstransistoren zu befinden. Die Kontakte sprechen für eine verschachtelte Kontaktierung, die Temperaturdrifts entgegen wirkt.
Dieses Bild ist auch in einer höheren Auflösung verfügbar: 12MB

An einer Stelle sind Teststrukturen der verschiedenen Lagen abgebildet.

Im unteren rechten Bereich sind die Zahlen 5225 abgebildet, was eine interne Projektbezeichnung sein könnte. Bei der darüber liegenden Form handelt es sich um die Zahlen 5235, die dreimal durchgestrichen wurden. Diese Zahlen finden sich im OPA1641.

Mit der Dunkelfeldbeleuchtung lassen sich die Spuren des Laserabgleichs in den Widerstandsflächen etwas besser abbilden. Bei älteren Prozessen sind die Abgleichspuren immer sehr scharfkantig. Hier erscheinen sie überraschend unscharf. Die streifenförmigen Strukturen, die mit der Hellfeldbeleuchtung deutlich besser zu erkennen waren, scheinen nicht direkt etwas mit den Widerständen zu tun zu haben. Vielleicht erfüllen sie während des Abgleichs einen Zweck.
Entfernt man die Metalllagen, so zeigt sich, dass ein nicht unerheblicher Anteil der Fläche mit Dummystrukturen aufgefüllt ist. Die Schaltung scheint deutlich weniger komplex zu sein, als man es vielleicht auf den ersten Blick erwarten würde.
Dieses Bild ist auch in einer höheren Auflösung verfügbar: 17MB