


Der L141 ist eine von SGS produzierte Variante des µA741.

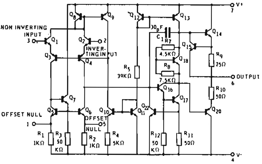
Das Datenblatt enthält einen Schaltplan, der exakt dem Schaltplan entspricht, der im Datenblatt des LM741 von National Semiconductor abgedruckt ist.


Der Bonddraht, der das positive Versorgungspotential zuführt, wurde derart überlastet, dass er an zwei Stellen geschmolzen ist.

Das Design des Schaltkreises hat eine große Ähnlichkeit mit dem SFC2741 von Sescosem. Es ist gut möglich, dass hier eine Zusammenarbeit bestand. Sescosem fusionierte später als Thomson Semiconductor mit SGS.
An der oberen Kante des Dies finden sich die Zahlen 741, die auf das Vorbild µA741 verweisen. Weiter rechts meint man die Zeichen b6F erkennen zu können. Wahrscheinlich handelt es sich um eine Kennzeichnung der Revision.
Ein größerer Schaden findet sich nicht auf dem Die. Das Bondpad in der rechten unteren Ecke weist leichte Verfärbungen auf, diese könnten aber auch durch Schwächen in der Produktion entstanden sein.
Die Schaltung auf dem Die entspricht nicht ganz dem Schaltplan im Datenblatt. Die Schaltung, die aus dem CA741 von RCA extrahiert wurde, entspricht eher der tatsächlichen Umsetzung.

Der Widerstand R4 kann an zwei Stellen justiert werden. Ein zusätzlicher Kontakt ermöglicht eine starke Reduktion des Widerstandwerts. Im oberen Bereich ist außerdem ein kleinerer Streifen des Widerstands überbrückt, der entsprechend eine kleinere Anpassung ermöglicht. Der Widerstand R4 definiert den Arbeitsstrom durch den Differenzverstärker am Eingang. Der SFC2741 besitzt diese Justagemöglichkeit nicht.