
Die integrierten Schaltkreise C500, C501, C502 und C504 bilden eine Familie, die in verschiedenen Kombinationen in Digitalmultimetern eingesetzt werden können. So lassen sich Messsysteme mit 3,5 und 4,5 Stellen aufbauen. Der C500 und der C501 bilden die analogen Schaltungsteile ab. Der C502 und der C504 übernehmen die digitale Steuerung, die Verarbeitung und die Ausgabe der Daten.
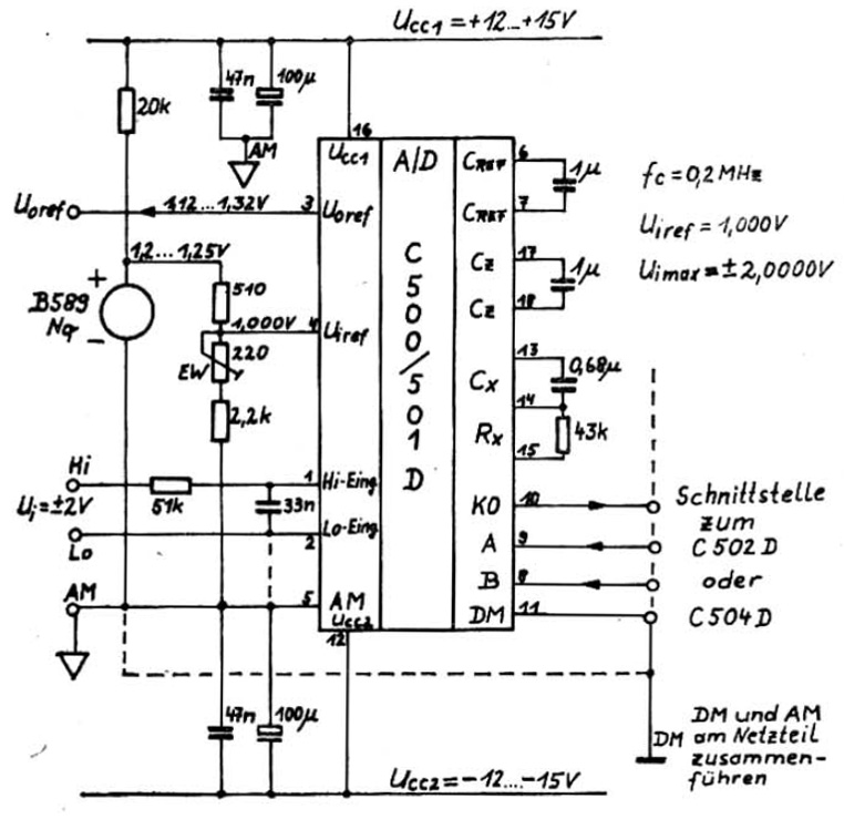
Das RFT Applikationsheft für die C500-Familie beschreibt ausführlich die Funktionsweise. Daraus sind das obige und die folgenden Schaltbilder entnommen. In einer typischen Schaltung wird der C500 mit +/-12V versorgt. Der Eingang ist für Signale im Bereich +/-2V spezifiziert. Der C500 und der C501 enthalten beide eine Referenzspannungsquelle. Will man allerdings eine Genauigkeit von 4,5 Stellen erreichen, so benötigt man eine externe Referenzspannungsquelle.

Das Messsystem basiert auf einem Analog-Digital-Wandler, der nach dem Doppel-Flanken-Integrationsverfahren arbeitet. Der englische Begriff Dual-Slope-ADC ist mittlerweile geläufiger. Das obige Schaltbild zeigt den Aufbau des C500. Die Funktionsweise eines Dual-Slope-ADCs macht sich die Tatsache zu nutzen, dass es deutlich einfacher ist eine Zeitdauer exakt zu messen als eine Spannung mit hoher genauer zu bestimmen. Für diesen Umstieg werden Kondensatoren umgeladen. Das erklärt die vielen integrierten Schalter des C500 und die zwei etwas spezielleren, externen Kondensatoren.


Das obige Diagramm zeigt die Arbeitsweise der Schaltung. Die Steuerung erfolgt über die Signale A und B aus dem C502 oder C504 heraus. In der Phase 1 findet ein Nullpunktabgleich statt. Mit den Schaltern S1-S4 wird dabei der Eingang abgetrennt und die Eingangsstufe auf Masse kurzgeschlossen. Durch das Schließen von S10 wird dann der Offset-Fehler des integrierten Puffer-Operationsverstärkers über den Integrator und den Komparator in die Kondensator Cx und Cz geladen. Der Schalter S11 egalisiert ein Stück weit den externen Widerstand Rx und beschleunigt so den Nullpunktabgleich. Parallel zu diesem Ablauf wird die Referenzspannung über S9 und S7 in den Kondensator Cref geladen.
In der Phase 2 wird nun die Eingangsspannung über S1 und S2 zugeschaltet. Es erfolgt ein Aufladen des Kondensators Cx über die festgelegte Zeit t1. In der folgenden Phase 3 wird der Eingang des C500 wieder abgetrennt und die Referenzspannung aus dem Kondensator Cref als negative Spannung auf den Eingang des Puffer-Operationsverstärkers gelegt. Nun erfolgt ein Entladen des Kondensators Cx auf Basis der bekannten Referenzspannung. Ist der Kondensator Cx entladen, so schaltet der Komparator. Die für dieses Entladen notwendige Zeitdauer ist proportional zur Eingangsspannung und lässt sich verhältnismäßig einfach exakt bestimmen.
Die Eingangsspannung liegt nur am Eingang des Pufferverstärkers und am Kondensator Cz an, wodurch sie kaum belastet wird. Außerdem muss das Bezugspotential von Messwert und C500 nicht das gleiche sein. Die Schaltung ist Großteils unabhängig von der anliegenden Gleichtaktspannung. Das ist im Diagramm deutlich zu sehen. Der zweite Durchlauf zeigt das Verhalten bei negativen Eingangsspannungen. Dort wird für die zweite Rampe die Referenzspannung als positive Spannung zugeschaltet.

Der hier vorliegende C500 wurde im Juni 1986 produziert (U6).

Das Die liegt auf einem verhältnismäßig dicken, sehr großen Metallstreifen, der die Entwärmung der Schaltung verbessert.
Die Abmessungen des Dies betragen 3,3mm x 3,0mm. An der unteren Kante findet sich die Bezeichnung C500 und ein Hinweis, dass es sich um die erste Revision handelt. Über das Die verteilt sind einige Maskenrevisionen abgebildet. Im rechten unteren Bereich stehen in der Metalllage die Buchstaben GN. Wahrscheinlich handelt es sich um die Initialen des Entwicklers.
Dieses Bild ist auch in einer höheren Auflösung verfügbar: 32MB

Im linken unteren Bereich wurde ein kleines Kunstwerk integriert, das eine Leuchtdiode darstellen könnte.

Eine Besonderheit der Schaltung ist die gleichzeitige Integration von Bipolar- und MOS-Transistoren. Hier sind die kleineren MOSFETs zu sehen, die die Schalter darstellen. An den Eingängen der Operationsverstärker kamen größere MOSFETs zum Einsatz. Der so erreichte geringe Eingangsstrom wirkt sich positiv auf die Schaltung aus.