
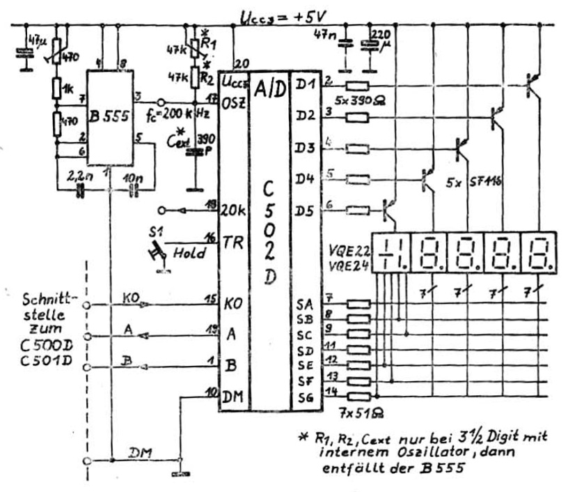
Der C502 ist der digitale Schaltkreis, der mit dem C500 oder dem C501 ein vollständiges Messsystem bildet. Das obige Schaltbild stammt aus dem RFT Applikationsheft für die C500-Familie. Der C502 steuert den C500/C501 und bedient direkt fünf LED-Ziffernblöcke. Ein B555 erzeugt den Basistakt der Schaltung.

Der C502 enthält einen Zähler, der dazu dient die erste, fixe Integrationszeit vorzugeben und die zweite Integrationszeit zu bestimmen. Der Zählerstand wird dann so verarbeitet, dass er auf der 4,5-stelligen Anzeige als Spannungswert erscheint.

Der vorliegende Baustein wurde im März 1987 produziert.

Auch hier hat man einen der bekannten, verhältnismäßig großen Kühlkörper in das Gehäuse integriert.
Das Die ist mit den Abmessungen 5,7mm x 3,3mm relativ groß. An der rechten Kante befinden sich die sieben großen Lowside-Treiber, die das Multiplexen der LED-Anzeigen realisieren. Um den Umfang des Dies herum sind die Transistoren der anderen Ausgänge deutlich zu erkennen.
Dieses Bild ist auch in einer höheren Auflösung verfügbar: 63MB

Der Beschriftung nach handelt es sich auch hier um die vierte Revision des Designs. Daneben sind die Revisionen von 9 Masken dokumentiert.

An der unteren Kante des Dies ist wie beim C500 eine LED abgebildet. Außerdem hat man dort sehr deutlich gekennzeichnet, dass der Rahmen das GND-Potential trägt. GND könnte hier allerdings auch etwas anderes bedeuten, da im C500 die Buchstabenfolgen GN und GNM integriert wurden.


An der oberen und der unteren Kante hat man jeweils einen I2L-Transistor als Teststruktur integriert. Ein Großteil der Schaltung basiert auf der I2L-Technologie, wie sie genauer im Rahmen des CA3161 beschrieben ist.