

Der µA79MG entspricht funktional dem µA78MG, regelt allerdings eine negative Spannung. Die Ausgangsspannung kann zwischen -2,2 und -30V eingestellt werden. Das Power Mini Dip Gehäuse gab es in drei Varianten: T-1, T-2 und T-3. Der dokumentierte µA78MG befindet sich in der Variante T-2, die seitlich zwei abgewinkelte Metallfahnen besitzt. Der hier zu sehende µA79MG nutzt die Variante T-3, die nur auf einer Seite eine gerade Metallfahne bietet. Bei der Variante T-1 sind zwei Metallfahnen so nach unten gebogen, dass sie mit der Platine verlötet werden können.


Die Abmessungen des Dies betragen 1,9mm x 2,0mm.

An der rechten Kante sind einige Masken abgebildet. Im unteren Bereich findet sich eine Zeichenfolge, die vermutlich 79MGZ lautet.

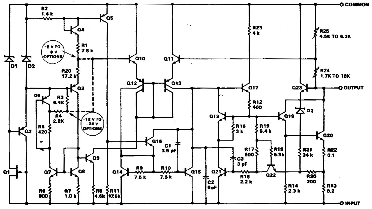
Das Datenblatt zeigt die typische Schaltung eines 79xx-Spannungsreglers. Die Funktionsweise der Schaltung ist im Rahmen des Mikroelektronika Botevgrad 7915 beschrieben. Der µA79MG unterscheidet sich davon nur in kleinen Details.

Die Schaltung auf dem Die entspricht der Darstellung im Schaltplan. Im rechten Bereich sind eine Reihe Widerstände integriert, die verwendet werden können, um einen Festspannungsregler darzustellen. Links dieser Widerstände befindet sich ein ungenutzter Kondensator, der wahrscheinlich die Feedbackschleife stabilisiert.
Der Kondensator C2 scheint auf zwei Bereiche aufgeteilt zu sein. Dabei wird die tiefer liegende, n-dotierte Kollektorzuleitung genutzt, die mit dem p-dotierten Substrat die gewünschte Kapazität darstellt.

In der linken unteren Ecke des µA79MG sind ein Transistor und ein paar Widerstände integriert, die keinen Effekt auf die Schaltung haben. Das Fairchild Voltage Regulator Handbook aus dem Jahr 1978 enthält den Schaltplan der Festspannungsvariante µA79M00. Dort dienen die zusätzlichen Bauteile dazu bei den höheren Ausgangsspannungen einen anderen Abgriff der Referenzspannung darzustellen. Die betragsmäßig höhere Referenzspannung sorgt dafür, dass der Feedback-Spannungsteiler bei hohen Ausgangsspannungen nicht zu extreme Widerstände annimmt, was das Regelverhalten verschlechtert. Um mit dem µA79MG den vollen Ausgangsspannungsbereich darstellen zu können, muss man die niedrige Referenzspannung wählen.

Im Leistungstransistor finden sich zwei Verfärbungen, die darauf hinweisen, dass der Spannungsregler defekt war.