


Der Spannungsregler Fairchild µA78HG ist hier in seiner Originalverpackung zu sehen. Das H in der Bezeichnung zeigt, dass es sich um einen Hybrid-Baustein handelt. Auf der Rückseite findet sich der Hinweis, dass im Gehäuse Berylliumoxid enthalten ist und man den Spannungsregler daher zur Fehleranalyse an Fairchild zurückschicken soll.
Bei einer Eingangsspannung von bis zu 40V kann man die Ausgangsspannung des µA78HG über einen Spannungsteiler zwischen 5V und 24V einstellen. Der Ausgangsstrom ist mit maximal 5A spezifiziert. Der Kurzschlussschutz greift typischerweise bei 7A. Über das Gehäuse können bis zu 50W abgeführt werden.


Der µA78HG befindet sich in einem TO-3 Gehäuse. Es handelt sich um die früher weit verbreitete Variante mit einer sehr dicken Grundplatte. Da der Baustein vier Potentiale nach außen führt, wurde die TO-3 Variante mit vier Pins gewählt. Nummern erleichtern die Zuordnung der Pins. Die Grundplatte ist auf einer Seite abgeflacht, um die richtige Ausrichtung zu erleichtern.


Im Gehäuse findet sich ein Keramikträger, auf dem ein integrierter Schaltkreis und ein Leistungstransistor platziert sind. Ein klarer Verguss schützt die Halbleiter.

Der Transistor besitzt eine MESA-Struktur. Die Kantenlänge beträgt 3,0mm. Der dicke Bonddraht führt von links das Versorgungspotential zu. Der Basisbereich wird mit einem dünnen Bonddraht kontaktiert. Die Tatsache, dass das Versorgungspotential den Emitterbereich kontaktiert zeigt, dass es sich um einen PNP-Transistor handelt.

An der unteren Kante befindet sich eine L-förmige Struktur. Darüber kann man überprüfen wie gut bei der Herstellung die Masken zueinander ausgerichtet waren.


Der integrierte Schaltkreis beinhaltet die Regelung. Die Abmessungen des Dies betragen 1,8mm x 1,9mm.

An der linken Kante ist die Bezeichnung 78DHZ in der Metalllage abgebildet.

Im Fairchild Voltage Regulator Handbook aus dem Jahr 1978 findet sich ein Blockschaltbild für den µA78HG. Der integrierte Anteil wird dort als µA78M00 bezeichnet. Die Schaltung ist übersichtlich aufgebaut. Der µA78M00 stellt selbst bereits einen vollständigen Spannungsregler dar. Die externen Elemente erweitern lediglich die Stromlieferfähigkeit und realisieren in diesem Pfad einen Überstromschutz.
Wie sich noch zeigen wird, stimmt die Darstellung des externen Anteils nicht mit dem hier analysierten µA78HG überein. Der Längsregler-Transistor und sein Shunt sind tatsächlich extern vorhanden. Die Überstromerkennung und -abschaltung übernimmt aber der integrierte Regler. Vielleicht gab es eine frühere Revision, bei der der Regler µA78M00 ein nicht modifizierter Spannungsregler war und man entsprechend alle hier zu sehenden Elemente extern integrieren musste. Hier ist ein µA78MG aus dem Jahr 1977 dokumentiert.

Im Fairchild Voltage Regulator Handbook ist auch ein ausführliches Schaltbild des µA78M00 dokumentiert. Der Siemens TDB7805 ist genauso aufgebaut. Dort ist die Funktionsweise der Schaltung genauer beschrieben. Hier hat man allerdings eine Festspannungsvariante ohne die Modifikation für den Einsatz mit einem externen Längsregler abgebildet. Ein µA78M05 mit einer Ausgangsspannung von 5V würde beispielweise so aussehen. In diesen Reglern ist der Spannungsteiler für die Rückkopplung integriert (R19/R20).

Die Schaltung findet sich Großteils auf dem Die wieder. Der Transistor Q14, der den Übertemperaturschutz darstellt, ist als Darlington-Paar ausgeführt. Im Pfad der Referenzspannungserzeugung findet sich zusätzlich die Diode DR14. Eventuell wurde damit der Temperaturdrift noch etwas weiter reduziert.

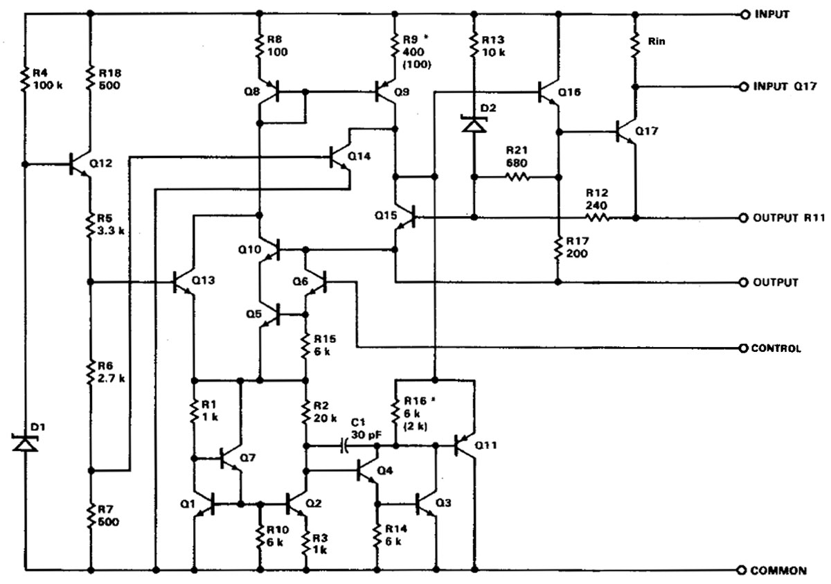
Wie bereits beschrieben, hat man den µA78M00 für den Einsatz mit einem externen Transistor modifiziert. Um die Unterschiede verständlich zu machen, wurde der Schaltplan aus dem Fairchild Voltage Regulator Handbook entsprechend angepasst. Das Control-Potential ist herausgeführt, damit sich die Ausgangsspannung extern einstellen lässt. Der Shunt R11 fehlt, dafür wird das Potential Output R11 herausgeführt, mit dem sich extern eine Strombegrenzung aufbauen lässt. Außerdem ist der Kollektor des Transistors Q17 exklusiv kontaktierbar. Darüber wurde der Widerstand Rin eingefügt. Q17 stellt in der ursprünglichen Schaltung selbst den Längsregler dar. Hier wird er als Treiber für den externen PNP-Transistor genutzt.

An der unteren Kante des Dies befinden sich zwei Widerstände, die als R19 und R20 in den Festspannungsvarianten den Spannungsteiler für die Rückkopplung darstellen können. R20 besteht aus mehreren kleinen Elementen, so dass sich die verschiedenen Ausgangsspannungen einstellen lassen.

Eine Änderung der Metalllage wäre ausreichend, um den Spannungsteiler für die Ausgangsspannung in die Schaltung einzubinden. Das Gleiche gilt für den integrierten Längsregler und den Shunt R11. Im µA78HG (links) ist R11 als Emitterwiderstand von Q15 verdrahtet. Sein Einfluss auf die Schaltung dürfte dort nicht allzu groß sein. Für die Anwendung ohne externen Regeltransistor kann man mit kleinen Änderungen der Metalllage R11 als Shunt einbinden (rechts). Das Bondpad OUT R11 wird dann nicht mehr benutzt. Die Leitung zum oberen Bondpad erscheint sehr dünn für den Ausgangsstrom von 0,5A. Eventuell wird diese nach links verbreitert. Die daneben liegende GND-Leitung ist redundant.
Vielleicht wurde der Regler mit eigener Strombegrenzung in einem anderen Produkt eingesetzt, auch wenn im µA78MG ein anderes Design zu finden ist.

Auf dem Keramikträger befindet sich eine Leitung, die als Shuntwiderstand Rh für den Überstromschutz dient.

Etwas später wurde eine andere Variante des Spannungsreglers mit der Bezeichnung µA78HGA eingeführt. Es handelt sich nicht nur um eine Sortierung. Die A-Variante wird aber explizit als pinkompatibel beworben.

Im Datenblatt des µA78HGA ist ein Foto des internen Aufbaus abgebildet. Man kann im rechten Bereich einen Dickschichtwiderstand erkennen, der den Shunt der Strombegrenzung darstellt.
Mittlerweile existiert auch eine Dokumentation des µA78HGA.