
Der hier zu sehende U102 aus dem Funkwerk Erfurt trägt das Kürzel ND, wurde also im 4. Quartal 1981 gefertigt. Der U102 enthält zwei NOR-Gatter mit jeweils drei Eingängen. Wie im Rahmen des U106 beschrieben, sind diese p-MOS-Logikbausteine an die MEM1000-Reihe von General Instruments angelehnt. Der U102 entspricht dem MEM1002.


Die Kantenlänge des Dies beträgt 1,1mm. Es scheint, dass der Prozess und die Designvorgaben überarbeitet wurden. Während der U106 noch keine Passivierungsschicht besessen hat, kann man hier die Passivierungsschicht durch die Ausschnitte bei den Bondpads erkennen. Ein weiteres Indiz ist die Robustheit der Metalllage. Beim U106 sind diese stark verkratzt. Im U102 zeigen sich keine Schäden. Die Maskenrevisionen hat man in den Bereich des Ritzgrabens verschoben, so benötigt man keine zusätzliche Siliziumfläche dafür. Die Masken wurden bis zu viermal überarbeitet.

An der rechten und der linken Kante ist jeweils eine Teststruktur integriert. Wie beim U106 handelt es sich einmal um einen MOSFET. Dieser ist hier zu sehen. Die linke Struktur besteht ebenfalls aus zwei p-dotierten Bereichen, zwischen denen eine Gatelektrode aufgebracht ist. Dort liegt die Gatelektrode allerdings nicht auf einem dünnen Gateoxid, sondern auf einem dicken Feldoxid. Bei diesem Aufbau soll der Einfluss des Potentials auf die Strukturen im Silizium möglichst gering sein.



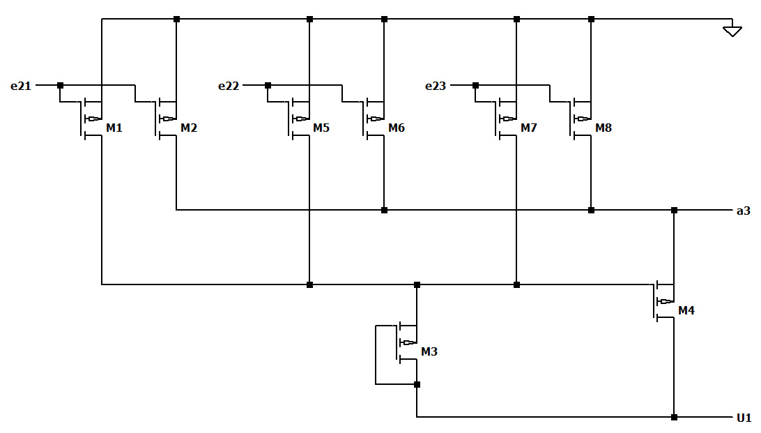
Die Strukturen des U102 sind etwas dichter und damit auch etwas unübersichtlicher als die Strukturen des U106.. Die Schutzstrukturen an den Eingängen und zwischen den Versorgungspotentialen sind die gleichen. Die Schaltung des U102 ist der Schaltung des U106 sehr ähnlich. Hier hat man allerdings auf ein zusätzliches Versorgungspotential verzichtet. Offensichtlich kann der Transistor M3 auch ohne dieses Potential den Transistor M4 ausreichend aussteuern. Die dynamischen Kennwerte der beiden Bausteine unterscheiden sich nur minimal.