
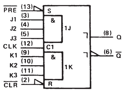
Der von der jugoslawischen Firma RIZ (Radioindustrie Zagreb) produzierte IDT7472 ist ein J/K-Master-Slave-Flip-Flop. Der Baustein entspricht dem SN7472.
Der Deckel des Keramikgehäuses ist leicht versetzt aufgesetzt. Das scheint bei RIZ öfter vorgekommen zu sein, auch der Keramikdeckel des IL72723 war leicht versetzt.


Das Datenblatt des SN7472 von Texas Instruments zeigt wie ein solcher Baustein meist aufgebaut ist. Neben Stell- und Rückstelleingang bietet der SN7472 drei J- und drei K-Eingänge. Der an den Eingängen J und K anliegende Logik-Pegel wird mit einer steigenden Taktflanke übernommen und mit einer fallenden Taktflanke an den Ausgängen ausgegeben.

Das enthaltene Die wurde nicht in das Gehäuse gelötet, sondern mit der Masse befestigt, die auch die beiden Gehäusehälften zusammenhält.


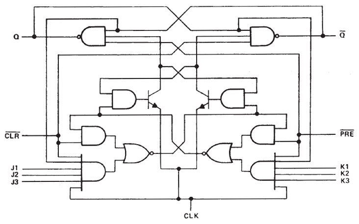
Die Kantenlänge des Dies beträgt 1,2mm. Die Strukturen sind recht symmetrisch, was in Anbetracht der Schaltung nicht verwundert.
An den Bondpads, die Eingänge darstellen befinden sich einfache Schutzstrukturen.


Vor allem an der oberen Kante des Dies sind umfangreiche Beschädigungen zu erkennen, die sich wahrscheinlich beim Vereinzeln der Dies ergaben.
Im rechten Bereich scheint 7472 abgebildet worden zu sein. In der linken Ecke finden sich die Bezeichnungen von sieben Masken. Die Abbildungsqualität der Prozesse war dafür nur grenzwertig ausreichend.

An der rechten und der linken Kante des Dies fallen die UND-Gatter mit jeweils 6-Eingängen auf. Sie bestehen aus einem großen Transistor mit sechs Emitterbereichen. Dort treffen unter anderem die J- beziehungsweise K-Eingänge ein. Der Basiskontakt ist über einen Widerstand mit der Versorgung verbunden und der Kollektor stellt den Ausgang des Gatters dar.

An der unteren Kante des Dies befinden sich rechts und links des GND-Bondpads die zwei Ausgänge. Sie bestehen aus einem Lowside- und einem Highsidetransistor. Der Highsidetransistor ist über eine Diode am Ausgang angebunden.