
Der Taschenrechner-Controller U820 wurde in Dresden in der damaligen "Arbeitsstelle für Molekularelektronik" entwickelt. 1973 entstanden erste Muster. 1974 wurde die Produktion nach Erfurt umgezogen. 1975 hat man den U821 dann auf der Leipziger Frühjahrsmesse vorgestellt.
Der Buchstabe B steht entweder für eine Fertigung im zweiten Quartal 1970 oder im ersten Quartal 1975. In Anbetracht der Historie muss dieser Baustein im ersten Quartal 1975 produziert worden sein.

Der minirex 73 war der erste Taschenrechner der DDR, der im Jahr 1973 vorgestellt wurde. Der obige Taschenrechner ist in den Technischen Sammlungen Dresden ausgestellt (https://tsd.de/). Im minirex 73 hat man anfänglich den TMS0105 von Texas Instruments eingesetzt. Dieser wurde 1975 durch den U820 ersetzt.

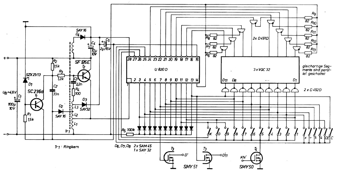
Die Zeitschrift Radio Fernsehen Elektronik Nr.23 / 1975 zeigt den Schaltplan einer typischen Applikation mit dem U820.
Die Kantenlänge des Dies beträgt 5,9mm. Laut einer Broschüre des Zentrums Mikroelektronik Dresden basierte der Baustein auf einem 8µm-Prozess. In der Fertigung kamen 36mm-Wafer zum Einsatz (~1,5"). Auf einem solchen Wafer fanden maximal 15 U820 Platz.
Vergleich man den U820 mit der TMS0100-Familie, so wird klar, dass es sich um einen 1:1 Nachbau handelt: http://www.datamath.org/Chips/JPEG_TMS0100.htm#Die Man hat lediglich zusätzlich eine ganze Menge kleiner Testpads auf dem Die verteilt.
Dieses Bild ist auch in einer höheren Auflösung verfügbar: 75MB