
Der DG411 ist ein von Siliconix produzierter vierfach Analogschalter. Er enthält vier NO-Schalter. Der ansonsten baugleiche DG412 bietet vier NC-Schalter und der DG413 bietet zwei NO- und zwei NC-Schalter. Die Analogschalter können mit bis zu 44V versorgt werden und schalten dann Signale mit bis zu 40V. Im eingeschalteten Zustand stellt jeder Schalter einen Widerstand von 35Ω dar. Das Ein- und Ausschalten erfolgt typischerweise in 100ns. Die Stromaufnahme beträgt weniger als 35µW.

Das Datenblatt enthält einen etwas vereinfachten Schaltplan eines Analogschalters.

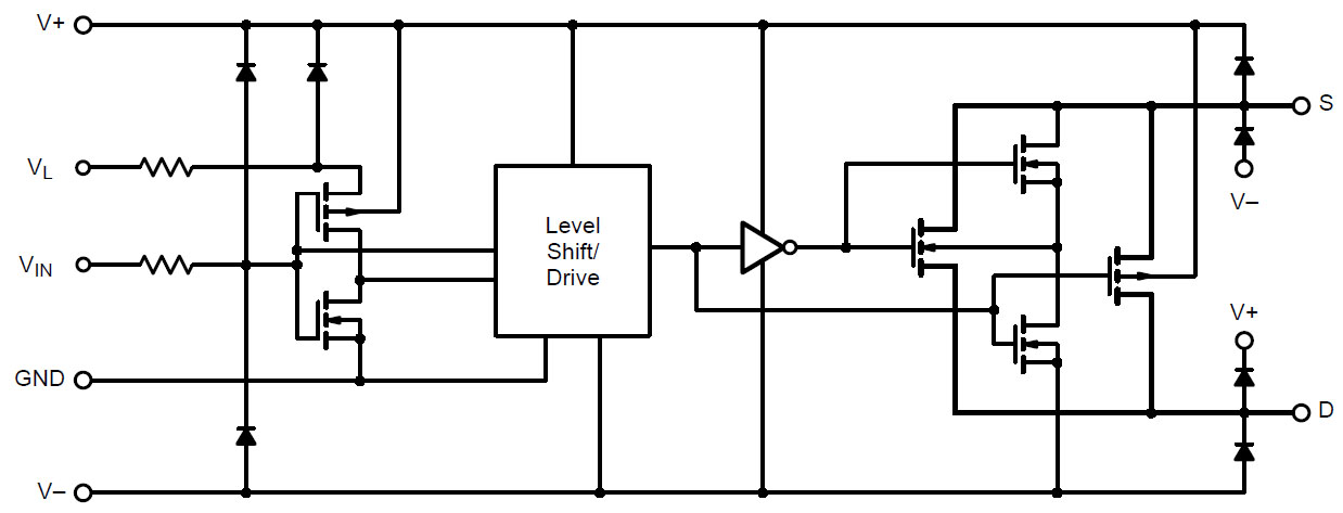
Ausführlicher ist das Datenblatt von Intersil. Allem Anschein nach ist der Aufbau der gleiche. Der Schaltplan wurde zum besseren Verständnis eingefärbt. Die Eingangsstufe (türkis) ermöglicht es den Baustein mit einer Spannung anzusteuern, die in Grenzen unabhängig von der Spannung ist, die geschaltet werden soll. Versorgt wird diese Pufferstufe aus den Potentialen GND und VL. Eine Schutzdiode garantiert, dass das Potential VL nicht höher ist als das Potential V+. Das ist wichtig, da das Substrat an V+ angebunden ist. Würde ein Schaltungsteil ein positiveres Potential annehmen, würde unkontrolliert Strom über das Substrat fließen. Die beiden Dioden am Eingang schützen in Kombination mit dem Längswiderstand die Eingangsstufe vor Spannungen, die die MOSFETs schädigen könnten.
Die erste Push-Pull-Stufe dient als Inverter, so dass für den folgenden Differenzverstärker (rot) ein differentielles Eingangssignal zur Verfügung steht. Am Ausgang des ersten Differenzverstärkers basiert der High-Pegel bereits auf dem Potential V+. Es folgt der zweite Differenzverstärker (blau), der dafür sorgt, dass der Low-Pegel bis zum Potential von V- ausgesteuert wird.
Auf die Pegelanpassung folgen zwei Inverter (gelb/rosa). Der erste Inverter lässt sich höchstwahrscheinlich in der Metalllage des integrierten Schaltkreises überbrücken, um das Verhalten des Schalters von NO auf NC umzustellen. Der zweite Inverter generiert das zweite, inverse Steuersignal zur Ansteuerung des eigentlichen Analogschalters (grün). Die Analyse des Analogschalters folgt im weiteren Verlauf. Der Schaltplan von Siliconix zeigt nur einen Inverter, wie sich noch zeigen wird ist der Zweite aber vorhanden.

Das Datenblatt enthält ein Abbild der Metalllage des Dies. Die Abmessungen werden mit 2760µm x 1780µm x 485µm angegeben. Sogar die Metalllage ist spezifiziert. Sie ist demnach 1,2µm +/-0,1µm dick und besteht aus SiAl. Die Beimengung von Silizium sorgt dafür, dass das Aluminium nicht in die Siliziumstrukturen eindringt und Strukturen kurzschließt. Als Passivierung kam laut Datenblatt eine 0,8µm +/-0,1µm dicke Siliziumnitrid-Schicht zum Einsatz.

Auf dem Die sind deutlich die vier symmetrisch aufgebauten Analogschalter zu erkennen.

In der unteren rechten Ecke findet sich das Siliconix-Logo.

Das Design stammt aus dem Jahr 1987. Die Buchstaben CHSN sind wahrscheinlich eine interne Bezeichnung für diesen Analogschalter. Auf dem DG408 findet sich die Zeichenfolge CSICI und auf dem DG444 sind es die Zeichen CSHM.

Die Zeichen in der linken oberen Ecke des Dies könnten eine Art Modellbezeichnung sein. Wie beschrieben, unterscheiden sich der DG411, der DG412 und der DG413 wahrscheinlich nur durch Details in der Metalllage. Die Zeichen könnten entsprechend die vorliegende Variante der Metalllage kennzeichnen.

Abgesehen von den Details der Spannungsversorgung in der Mitte des Dies sind die Bereiche der vier Analogschalter gleich aufgebaut.
Den größten Flächenanteil nehmen die zwei Transistoren ein, die den eigentlichen Analogschalter darstellen. Es handelt sich dabei um viele kleine, grüne Quadrate, die Drain und Source abbilden. Dazwischen befindet sich ein rotes Gitter, das als Gateelektrode wirkt. Um über den zulässigen Spannungsbereich einen möglichst gleichmäßigen Widerstand darstellen zu können, kommt eine Parallelschaltung aus einem NMOS- und einem PMOS-Transistors zum Einsatz. NMOS-Transistoren sind üblicherweise intrinsisch effizienter, bei einem Analogschalter wünscht man sich allerdings einen möglichst gleichmäßigen Widerstand über die zulässige Eingangsspannung, deswegen passt man die Transistorflächen entsprechend an. Gängig ist ein Größenverhältnis von 1:3, was auch hier der Fall zu sein scheint.

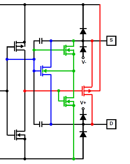
Der Analogschalter erscheint recht komplex, unterscheidet sich aber nicht grundsätzlich vom üblichen Aufbau. Zum besseren Verständnis wurde der Bereich hier neu eingefärbt. Das Gate des NMOS-Transistors (blau) wird vom ersten Inverter angesteuert. Das Gate des PMOS-Transistors (rot) steuert der zweite Inverter.
Damit sich über den zulässigen Spannungsbereich ein möglichst optimales Übertragungsverhalten ergibt, ist das Bulk-Potential des PMOS-Transistors an das positive Versorgungspotential angebunden. Das Bulk-Potential des NMOS-Transistors wurde schaltbar ausgeführt (grün). Ist der NMOS-Transistor aktiv, so ist sein Bulk-Potential mit dem S-Pin verbunden, was einer normalen MOSFET-Verschaltung entspricht. Ist der Transistor abgeschaltet, so liegt V- am Bulk-Anschluss an, was eine stärkere Isolation von Drain und Source garantiert.
Die zwei Kondensatoren erhöhen die Kapazität zwischen der Gate-Elektrode des NMOS-Transistors und dem Lastpfad. Diese Maßnahme gleicht die Kapazitätswerte an, die sich zwischen den Gateleketroden von NMOS- und PMOS-Transistor gegenüber dem Lastkreis ausbilden. Das ist sinnvoll, um die sogenannte Charge Injection niedrig zu halten. Schaltet man die MOSFETs, so verschiebt man auch Ladungen auf der Lastseite. Dieser Stromfluss kann empfindliche Schaltungen auf der Lastseite stören. Hilfreich ist hierbei, dass NMOS- und PMOS-Transistor invers angesteuert werden. Schafft man es deren Kapazitäten gleich zu halten, dann kompensieren sich die Ströme großteils und die Charge Injenction sinkt.
An beiden Eingängen des Lastpfads befinden sich Dioden, die die Schaltung vor Potentialen außerhalb des Versorgungsspannungsbereichs schützen.

Die einzelnen Schaltungsteile lassen sich gut identifizieren. Direkt am Steuereingang befinden sich die Schutzdioden und der Längswiderstand (rosa). Darauf folgt die Eingangsbeschaltung (weiß), die über VL und GND versorgt wird. Der Treiber der Analogschalter (gelb) versorgt sich dagegen schon aus V- und V+. Hier ist auch erkennbar, das Siliconix wie Intersil zwei Inverter nutzt.
Es finden sich auch die Transistoren für das Bulk-Potential des NMOS-Transistors (grün) und die zwei Kondensatoren (türkis). Einer der Kondensatoren ist deutlich größer als der andere. Das liegt daran, dass auf einer Seite der Bulk-MOSFET eine zusätzliche Kapazität zwischen dem Gatepotential des NMOS-Transistors und dem Lastkreis darstellt. Die unterschiedliche Kondensatorgröße gleicht diesen Unterschied aus.
Die im Schaltplan eingezeichneten vier Schutzdioden an den Eingängen des zu schaltenden Signals sind nicht erkennbar. Natürlich kann es sich um parasitäre Dioden in den vorhandenen Schaltungsteilen handeln. Es findet sich aber kein direkter Pfad von den Eingängen zu den Versorgungspotentialen. Das verwundert vor allem im Hinblick auf die verhältnismäßig großen Schutzdioden am Steuereingang.