
Tesla hat einen Nachbau der Referenzspannungsquelle LM399 unter den Bezeichnungen MAC199, MAB399 und MAE299 im Programm. Es handelt sich dabei um Sortierungen des gleichen Bausteins, die unterschiedliche Betriebstemperaturbereiche bieten. Die MAC199 erlaubt einen Betrieb von -55°C bis +125°C.

Das Kunststoffgehäuse der MAC199 ist wie das Gehäuse der LM399 doppelwandig aufgebaut, es ist lediglich etwas höher.

Das höher Kunststoffgehäuse ist notwendig, da auch das Gehäuse des eigentlichen Schaltkreises etwas höher ist als bei der LM399. Trotz des etwas größeren Volumens spezifiziert aber auch das Datenblatt der MAC199 eine Aufheizzeit von drei Sekunden.

Wie bei der LM399 ist im Gehäuse gerade genug Platz für das Die.

Das Die der MAC199 ist dem Die der LM399 sehr ähnlich, es sind dennoch einige Unterschiede zu erkennen.

Neben der Bezeichnung MAC199 sind die drei Buchstaben NDE abgebildet, wobei das N eine eher ungewöhnliche Form aufweist. Im linken Bereich befinden sich mehrere Quadrate, die es ermöglichen die Ausrichtung der Masken gegeneinander zu überprüfen. Die komplexere Struktur ist das Logo, das Tesla auf seine Dies aufbringt.

In der linken oberen Ecke sind die Revisionen von acht Masken abgebildet. Bei der LM399 waren nur sieben Masken zu erkennen. Einzelne Masken wurden schon viermal überarbeitet.

Die Z-Diode ist der optischen Erscheinung nach sehr ähnlich aufgebaut wie die Z-Diode in der LM399.


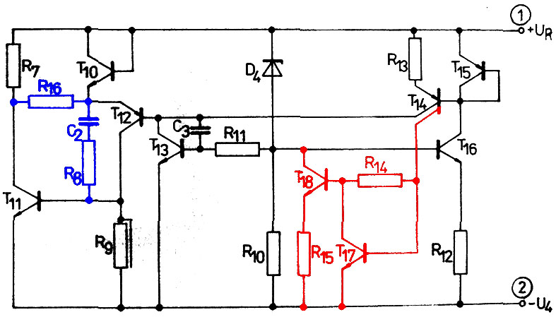
Die Schaltpläne der MAC199 (unten) und der LM399 (oben) sind sehr ähnlich. Wie sich im Rahmen der LM399 bereits gezeigt hat, ist der unten rot markierte Schaltungsteil auch in der LM399 integriert.
Der Bereich des eigentlichen Shuntreglers sieht anders aus, unterscheidet sich aber nur minimal. Im Schaltplan der LM399 fehlt lediglich der Widerstand R16, der gleichzeitig auf dem Die der MAC199 nicht als diskretes Bauteil zu finden ist. Es ist gut möglich, dass dieser Widerstand als parasitäres Element auch in der LM399 vorhanden ist.

Alle Schaltungsteile der LM399 finden sich in sehr ähnlicher Form auch im Shuntregler der MAC199. Lediglich die Geometrien unterscheiden sich teilweise etwas. Oberhalb der Z-Diode wurde ein zusätzlicher Testpunkt integriert.

Bei genauerer Betrachtung fällt auf, dass die Leitung zwischen dem Transistor T16 (gelb) und dem Transistor T15 (rot) fehlt. In der LM399 verbindet diese Leitung die ungenutzten Emitterflächen des Transistors T16 über den Transistor T15 mit dem Kollektorpotential. Auch in der MAC199 besitzt der Transistor T16 ungenutzte Emitterflächen. Dort sind sie aber nicht mit dem Kollektorpotential verbunden. Wie im Rahmen der LM399 bereits angemerkt, könnte es sein, dass die Verbindung tatsächlich keine relevante Funktion hat.

Die Verbindung der Kollektoren der Transistoren T15/T16 erfolgt über die tiefer liegende Kollektorzuleitung, deren Kanten teilweise an der Oberfläche sichtbar sind. (Siehe dazu auch Darstellung eines typischen Transistoraufbaus im Rahmen des IK72.)
Der Transistor T16 weist auch in der MAC199 eine interessante Struktur auf, die einige Konfigurationsmöglichkeiten bietet. In der LM399 hatte der Transistor vier Basiskontakte und drei unterschiedlich große Emitterkontakte. In der MAC199 hat man neben fünf Basiskontakten vier gleich große Emitterbereiche integriert.

Auch beim Heizer zeigt der Schaltplan der MAC199 etwas mehr Details als der Schaltplan der LM399. In der Zuleitung des Treibertransistors T2 befindet sich die Z-Diode D1, die das Potential des Transistors auf ein Niveau senkt, von dem aus er sich besser aussteuern lässt. Der Widerstand R2 steht für die vielen kleinen Emitterwiderstände, die dafür sorgen, dass sich der Strom gleichmäßig über die große Fläche des Transistors T1 verteilt. Ob der Widerstand R3 mit dem Bezugspotential oder wie bei der LM399 dargestellt, mit dem Emitter von T1 verbunden ist lässt sich nicht mit letzter Sicherheit klären.

Die Umsetzung auf dem Die enthält keine weiteren Überraschungen.

Wie bei der LM399 ist auch hier seitlich zu erkennen, dass der ursprüngliche Wafer nur oberflächlich geschnitten und dann über diese Schnittkanten gebrochen wurde.