
Der SEI0181 ist ein Baustein, der sich in Arcade-Spielautomaten der Firma Seibu eingesetzt wurde. Seibu hat selbst keine Halbleiter hergestellt. Es handelt sich entweder um einen frei verfügbaren Baustein, den man kundenspezifisch beschriftet hat oder um einen ASIC, der für Seibu entwickelt wurde. Wie sich gleich noch zeigen wird, enthält der Baustein ein SRAM. Die Zahlen 9050 könnten ein Datecode sein. Das rechteckige Gehäuse mit den ungleichen Kantenlängen ist typisch für japanische Halbleiter dieser Zeit.
Das Die lässt sich nicht ganz ohne Schäden freilegen. Die Abmessungen betragen 6,4mm x 6,0mm. Das Bild ist in voller Auflösung verfügbar: 63MB

Auf dem Die finden sich einige Teststrukturen, aber kein direkter Hinweis auf den Hersteller. Die Teststrukturen im unteren linken Bereich des Bilds zeigen, wie gut die einzelnen Masken zueinander ausgerichtet wurden. Die Zahlen 6091 könnten eine interne Projektbezeichnung sein. Darunter finden sich Maskenrevisionen. Von den fünf B stellt das linke B die Polysiliziumlage dar. Daneben befinden sich zwei Metalllagen und zwei Masken, die die Verbindungen zwischen den Lagen definieren.

In der Rahmenstruktur zeichnen sich die Strukturen der Ein- und Ausgangsbeschaltungen ab. Die Schnittstellentypen kann man identifizieren. Links befinden sich Eingänge. Direkt hinter den Bondpads begrenzen Längswiderstände den Eingangsstrom und stellen so einen Teil der Schutzstrukturen dar.
An der oberen Kante befinden sich einige Ausgänge. Dort hat man keine Längswiderstände integriert. Zum einen sind die Ausgänge robuster und zum anderen würden sie sich negativ auf den Ausgangspegel auswirken. Der linke Ausgang besitzt nur eine Schnittstelle, alle anderen Ausgänge sind mit zwei Potentialen an die restliche Schaltung angebunden. Die Strukturen unter dem Versorgungsrahmen sind bei diesen Ausgängen deutlich größer. Es könnte sich um Tristate-Ausgänge handeln. Wahrscheinlich ist aber, dass es sich um Schnittstellen handelt, die sowohl als Ausgänge als auch als Eingänge genutzt werden können.

Der Baustein enthält vier sehr ähnlich strukturierte Blöcke, die wiederum jeweils aus zwei Speichermatrizen bestehen. In der Mitte des Dies befindet sich ein Logikstreifen, dessen genaue Funktion man nicht ohne Weiteres herausarbeiten kann.

DRAM-Speicherzellen, wie sie im Tesla MHB4164 integriert sind, bestehen üblicherweise nur aus einem Transistor und einem Kondensator. Sie sind entsprechend klein, müssen aber regelmäßig neu geladen werden, damit sie ihre Information nicht verlieren. SRAM-Zellen halten ihre Information dagegen so lange wie der Speicher mit Spannung versorgt wird. Eine SRAM-Zelle benötigt dafür aber je nach Aufbau aber typischerweise vier bis sechs Transistoren pro Bit.

Aus den Strukturen der Speicherzellen und der Steuerschaltungen kann man schließen, dass jede der acht Matrizen 32x32 Speicherzellen enthält. So bietet der Baustein insgesamt 8kBit RAM.
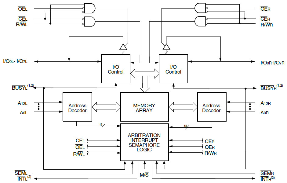
Das Die besitzt 50 Eingänge. Ein einfacher SRAM benötigt sehr viel weniger Eingänge. Das spricht dafür, dass es sich um einen Dual-Port-SRAM handelt. Bei einem Dual-Port-SRAM können zwei Funktionsblöcke gleichzeitig auf den Speicher zugreifen.

Der Renesas 70V05 ist ein Beispiel für einen Dual-Port-SRAM. Das Blockschaltbild im Datenblatt zeigt, wie ein solcher Baustein grundsätzlich aufgebaut ist. Neben zweimal 8 Datenpins besitzt der 70V05 zweimal 13 Adressbits und zweimal 9 Steuerleitung.
Beim SEI0181 fällt auf, dass aus den vier Blöcken zweimal acht Datenleitungen herausgeführt und zur Steuerungslogik in der Mitte des Dies geführt werden. Für einen gewöhnlichen SRAM mit einem 8Bit breiten Datenbus hätte man die Datenleitungen direkt innerhalb dieser vier Blöcke miteinander verbunden und passend ausgewählt. Bei einem Dual-Port-SRAM ist das nicht möglich, da über die eine Schnittstelle, die eine Hälfte des Blocks angesteuert werden kann, während gleichzeitig die zweite Schnittstelle auf die zweite Hälfte zugreift.