
Der hier dokumentierte LM2904 wurde als Texas Instruments LM2904N über Mouser bezogen. Wie es im Rahmen des Texas Instruments LM2904 ausführlicher beschrieben ist, steckt hinter dem Index N die LM2904-Variante von National Semiconductor. Texas Instruments hat National Semiconductor übernommen und bietet deren Variante weiterhin an. Der Baustein trägt tatsächlich auch noch das National Semiconductor Logo.
Die Abmessungen des Dies betragen 1,2mm x 0,9mm. Die Buchstaben UK in der oberen rechten Ecke verweisen auf eine Entwicklung oder Fertigung in Großbritannien. Die Beschriftung an der linken Kante zeigt, dass auch dieser LM2904 auf dem Design des LM158 basiert. Offenbar handelt es sich um die Revision D. Im Vergleich zur Revision C hat sich die Schaltung nicht geändert. Die Geometrien der einzelnen Elemente unterscheiden sich etwas und teilweise sind sie minimal anders platziert.
Dieses Bild ist auch in einer höheren Auflösung verfügbar: 13MB

In der Mitte des Dies befindet sich ein National Semiconductor Logo. Links und rechts davon sind die Revisionen von fünf Masken zu erkennen.


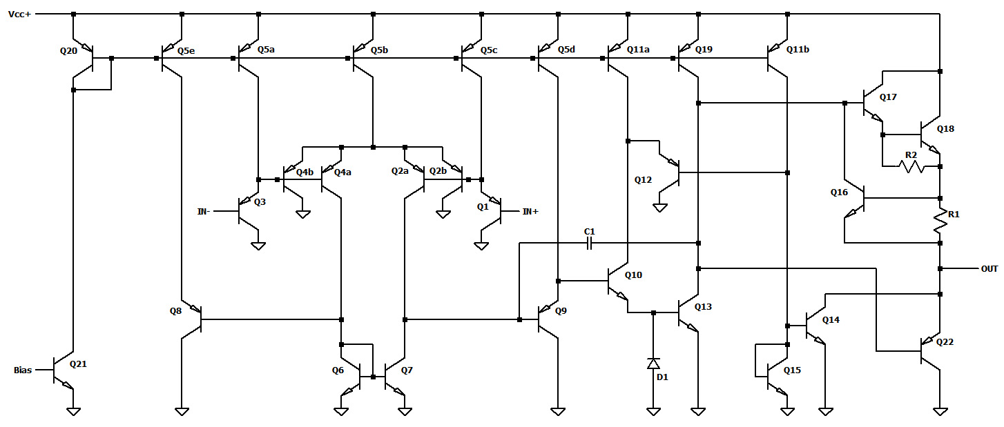
Die Schaltung entspricht der Schaltung im Texas Instruments LM2904.

Die Transistoren Q2 und Q4 leiten einen großen Teil ihres Emitterstroms nach Vcc- ab. Auf dem Die hat man das innerhalb einer Transistorstruktur dargestellt. Ein kleiner Kollektor ist mit dem Stromspiegel verbunden (gelb). Den Rest des Emitters umfasst ein p-dotierter Bereich, ein zweiter Kollektor, der direkt mit dem Vcc- führenden Isolationsrahmen verbunden ist. In diesem Bereich wird ein deutlich größerer Teil des Emitterstroms abgeleitet (lila). Parallel zu den beiden klar definierten Kollektoren fließt außerdem ein Teil des Emitterstroms zum Substrat hin ab.