
Hier ist ein LM2904 von EVVO zu sehen. EVVO steht für EVVOSEMI, einem Halbleiterhersteller der zu EVER SEMICONDUCTOR gehört. EVER SEMICONDUCTOR ist eine in Hong Kong ansässige Firma.
Die Abmessungen des Dies betragen 0,8mm x 0,5mm. Im oberen Bereich ist ein G abgebildet. Andere Markierungen finden sich nicht.
Dieses Bild ist auch in einer höheren Auflösung verfügbar: 5MB


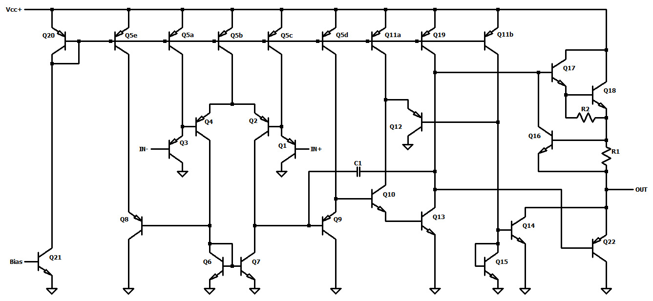
Die Schaltung entspricht im Großen und Ganzen der Schaltung im Texas Instruments LM2904. An den Eingängen hat man Schutzstrukturen integriert. Die Elemente erinnern an Dioden, scheinen aber etwas komplexer aufgebaut zu sein. Bei den Transistoren Q2 und Q4 kann man davon ausgehen, dass zusätzliche Kollektorbereiche mit dem Massepotential verbunden sind, wie man es von anderen LM2904 Varianten kennt. Die Strukturen sind aber nicht gut genug zu erkennen. Die Diode D1 am Emitter von Q10 fehlt hier.


Ein Datenblatt findet sich nur für die Variante LM2902 mit vier integrierten Operationsverstärkern. Dieses Datenblatt enthält auch einen Schaltplan und eine Aufzählung der integrierten Elemente. Beides scheint ohne Weiteres von Texas Instruments übernommen worden zu sein. Die vier Dioden wären im LM2902 die Dioden unter dem Transistor Q10, die hier nicht vorhanden sind.