
Der hier dokumentierte LM2904 wurde von dem amerikanischen Hersteller Diodes Incorporated produziert.
Die Abmessungen des Dies betragen 1,0mm x 0,7mm. Die Zeichenfolge AAC358A.2.2 ist wahrscheinlich eine interne Projektbezeichnung. 358 verweist dann auf den LM358, der die Grundlage für den LM2904 war.
Dieses Bild ist auch in einer höheren Auflösung verfügbar: 8MB


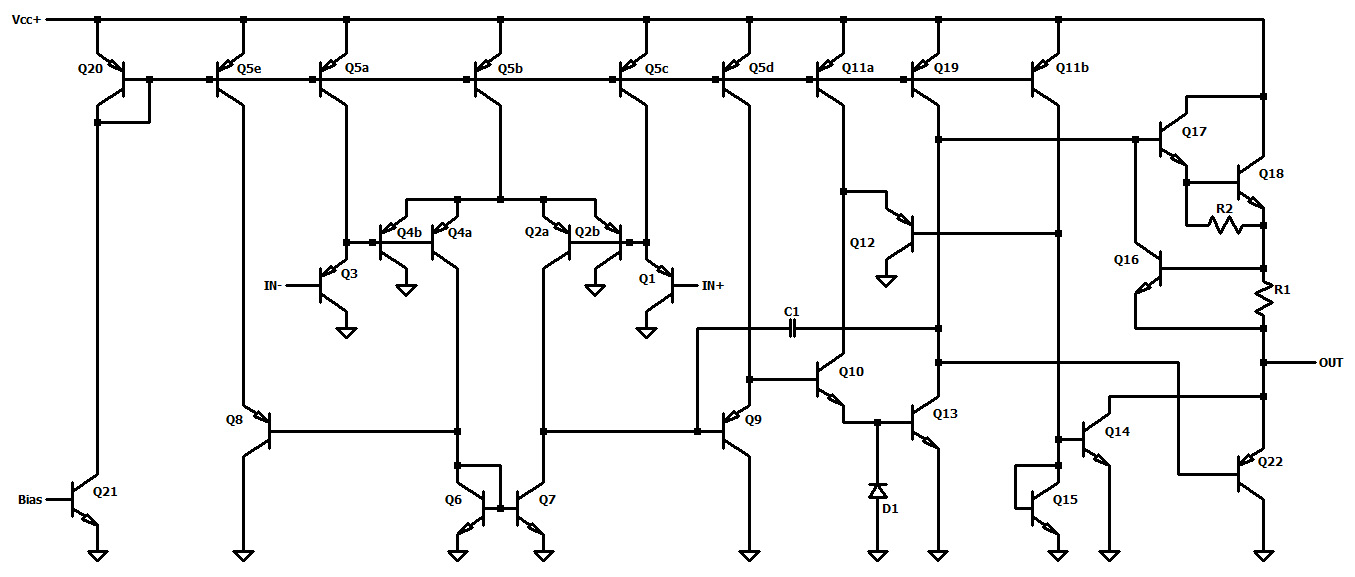
Die Schaltung entspricht der Schaltung im Texas Instruments LM2904.

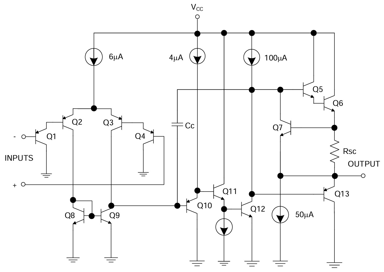
Die im Datenblatt abgebildete Schaltung ist dagegen ein Stück weit vereinfacht und entspricht nicht an allen Stellen der Realität.