
Der Texas Instruments OPA145 ähnelt dem OPA140. Der OPA145 ist günstiger, bietet dafür aber auch etwas schlechtere Kennwerte. So ist die Grenzfrequenz mit 5,5MHz etwas niedriger als die 11MHz des OPA140. Die Slewrate unterscheidet sich dagegen nicht (20V/µs). Die typische Offsetspannung des OPA145 ist minimal höher (+/-40µV). Der OPA140 ist außerdem rauschärmer, was sich aber auch in einer merklich höheren Stromaufnahme spiegelt (2mA gegenüber 0,5mA). Der OPA140 erlaubt einen etwas höheren Ausgangsstrom.
Das VSSOP-8 Gehäuse bietet nicht mehr genug Platz für eine konventionelle Beschriftung, so dass sich dort nur noch der SMD-Code 1I4Q findet.

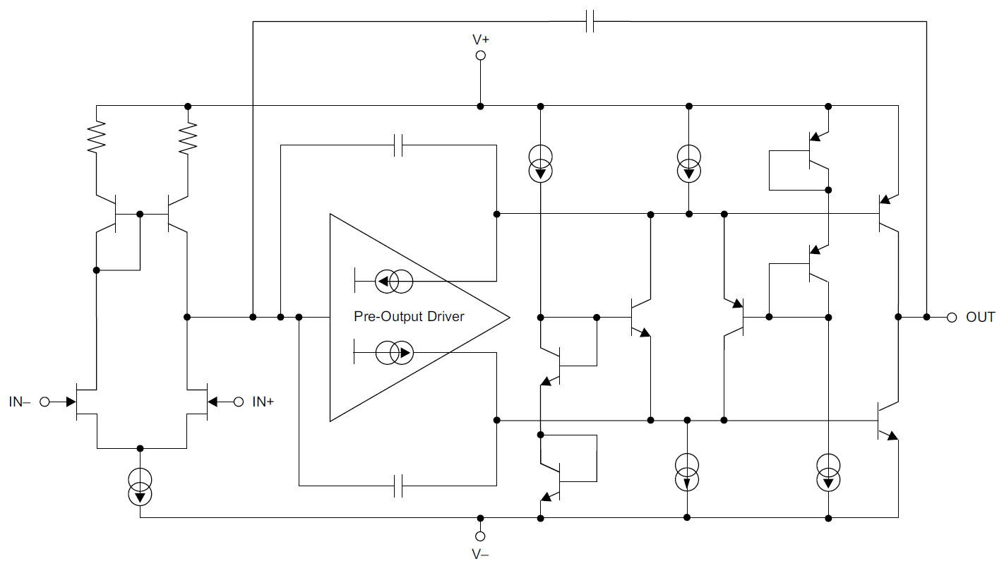
Im Datenblatt ist der gleiche Prinzipschaltplan abgedruckt wie im Datenblatt des OPA140. Auf die J-FET Eingangsstufe folgt eine Treiberstufe und eine Endstufe, die so aufgebaut ist, dass sich der Ausgang bis zu den Versorgungspotentialen hin aussteuern lässt.
Die Abmessungen des Dies betragen 1,3mm x 0,7mm. Es ist damit etwas kleiner als das Die des OPA140. Es scheint der gleiche oder zumindest ein ähnlicher Prozess verwendet worden sein. Auch hier wurden Widerstände abgeglichen. An der rechten Kante ist die Zahlenfolge 5567 abgebildet.
Die Eingangskapazität des OPA145 ist mit 5pF nur halb so groß wie die des OPA140. Das spiegelt sich auf dem Die wider. Die markante Fläche mit den Eingangstransistoren in der Mitte des Dies ist sehr groß, aber deutlich kleiner als beim OPA140.
Dieses Bild ist auch in einer höheren Auflösung verfügbar: 71MB