
Der PA88 ist ein Hochleistungs-Operationsverstärker, der in der Lage ist Ausgangsspannungen im Bereich von +/-225V einzustellen. Entwickelt wurde der PA88 von APEX. APEX bietet neben den Hochspannungs-Operationsverstärkern, zu denen der PA88 und der PA240 gehören, auch Hochstrom-Operationsverstärker wie den PA03 an.
Die Buchstaben BeO weisen wie beim OPA541 darauf
hin, dass im Package Berylliumoxid enthalten ist. Das Datenblatt des PA88
erklärt diesbezüglich:
"The internal substrate contains beryllia
(BeO). Do not break the seal. If accidentally broken, do not crush, machine, or
subject to temperatures in excess of 850°C to avoid generating toxic fumes."
Der Schmelzpunkt wird bei 850°C noch lange nicht erreicht, aber anscheinend
besteht ab dieser Temperatur die Gefahr, dass Teile in den gasförmigen
Zustand übergehen.
Die Offset-Spannung des PA88 beträgt maximal 2mV und driftet mit bis zu 30µV/°C. Unter der Bezeichnung PA88A kann eine sortierte Version des Operationsverstärkers bezogen werden, die eine geringere Offsetspannung aufweist. Der Ausgang des PA88 ermöglicht einen Strom von bis zu +/-100mA und besitzt eine Strombegrenzung. Die Grenzfrequenz beträgt 2,1MHz, die maximal mögliche Slewrate liegt bei 30V/µs.

Der PA88 ist ein klassischer Hybridbaustein. Auf der Berylliumoxidträgerplatte befinden sich Leiterbahnen, Widerstände, Kondensatoren und Halbleiter.

Das Datenblatt enthält einen Schaltplan des Operationsverstärkers. Den
Eingang stellen die J-FETs Q10A und Q10B dar (dunkelgrün), die
für einen sehr
hohen Eingangswiderstand von 100GΩ und einen niedrigen Biasstrom von höchstens 50pA sorgen.
Die beiden dunkelgrünen Rückkopplungswiderstände kompensieren Unsymmetrien der
Eingangstransistoren.
Die Eingangsstufe arbeitet auf eine Stromsenke (blau),
bestehend aus dem Transistor Q13 und dem darunter angeordneten Widerstand.
Die Transistoren Q6 und Q7 (rosa) bilden mit den Eingangstransistoren eine
Kaskodenschaltung. Diese Kaskodenschaltung isoliert die
Eingangstransistoren von den Potentialschwankungen am Ausgang der ersten
Verstärkerstufe. Ohne die Kaskodenschaltung würden sich die parasitären, spannungsabhängigen Kapazitäten der Eingangstransistoren
negativ auf das Signal auswirken.
Die Transistoren Q1 und Q2 (grau) stellen
einen Stromspiegel dar, der die maximale Signalanstiegszeit der Eingangsstufe
erhöht. Im Stromspiegel kamen Bipolartransistoren zum Einsatz, während darunter MOSFETs
und JFETs arbeiten. Die große Freiheit bei der Auswahl der Bauteile ist
ein Vorteil der Hybridtechnik. Bei einem monolithischen Operationsverstärker
können nur Bauteile eingesetzt werden, die der Herstellungsprozess unterstützen,
wodurch meist
Kompromisse eingegangen werden müssen.
Der orange dargestellte Schaltungsteil erzeugt zwei Referenzspannungen. Dazu
werden die Z-Dioden D1 und D2 mit einem konstanten Strom versorgt. Die untere
Referenzspannung steuert die Stromsenke in der Eingangsstufe und
die Stromsenke in der folgenden Verstärkerstufe. Die obere
Referenzspannung erzeut über den dunkelroten Schaltungsteil mit dem Transistor
Q4 einen konstanten Strom. Der Strom wird in der Kaskodenschaltung Q6/Q7 auf dem
lokalen Potential wieder in eine
konstante Spannung gewandelt.
Der Strom fließt in die Stromsenke der Eingangsstufe und nicht in die negative
Versorgung. Es könnte sein, dass diese Verschaltung gewählt wurde, um eine
Schwäche, zum Beispiel einen Drift, der Verstärkerstufe zu kompensieren.
Der Eingangsverstärker steuert direkt den Transistoren Q8, der gleichzeitig
die Spannungsverstärkungsstufe und einen Teil der Treibstufe für die Endstufen
darstellt (hellgrün). Entsprechend ist an dieser Stelle die externe Kompensation
des PA88 anzuschließen. Die Diode D19 schützt die Gate-Source-Strecke des
Transistors Q8 vor zu hohen Spannungen und ist im Normalbetrieb nicht leitend.
Im Sourcepfad des Transistors befindet sich eine RC-Glied. Der
Widerstand agiert als lokale Rückkopplung und reduziert so Nichtlinearitäten des
Transistors. Bei hohen Frequenzen überbrückt der Kondensators den Widerstand,
erhöht so die Verstärkung und damit die Grenzfrequenz des PA88.
Der Transistor
Q16 stellt die Stromsenke dar, mit der der Treibertransistor Q8 arbeitet.
Zwischen den Treibertransistoren befindet sich die türkise Schaltung, die mit
ihrem konstante Spannungsabfall dafür sorgt, dass die Endstufe im AB-Betrieb
arbeitet und so die Übernahmeverzerrungen entfallen. Die beiden Widerstände
definieren die Spannung des Schaltungsblocks, die der Kondensator dann noch stabilisiert.
Die Transistoren Q9 und Q18 stellen die Endstufen dar (rot). Die Widerstände
an den Gates verhindern wahrscheinlich, dass Spannungsschwankungen am Ausgang zu
große Ladungsmengen zu den Treibertransistoren übertragen.
Die lila Schaltung
wertet den Spannungsabfall am externen Shunt aus. Bei einem zu hohen Strom
reicht der Spannungsabfall aus, um die Transistoren Q12 und Q17 durchzusteuern
und so die Gate-Source-Spannung der Endstufentransistoren zu reduzieren.

Der Schaltplan zeigt abgesehen von den JFET-Eingangstransistoren und den Bipolartransistoren nur Depletion-MOSFETs. Dabei muss es sich allerdings um einen Fehler handeln, da die Schaltung mit Depletion-MOSFETs überhaupt nicht funktionieren würde. Eine exemplarische Vermessung des Transistors Q8 zeigt, dass es sich bei den Transistoren um Enhancement-MOSFETs handelt, wie man es auch erwarten würde.


Der Schaltplan lässt sich relativ gut auf den Hybridbaustein übertragen.

Der Doppel-JFET des Eingangsverstärkers (Q10) und dessen Emitterwiderstände
befinden sich relativ symmetrisch direkt zwischen den Eingangspins.
Oberhalb
des Eingangs ist der Transistor Q13 als Stromsenke platziert.
Oben links befindet sich der Stromspiegel. Die Emitterwiderstände des Stromspiegels wurden über eine relativ komplexe Form abgebildet. Welchen Zweck diese Form erfüllt erschließt sich nicht.
Die Transistoren Q6 und Q7 realisieren die Kaskodenschaltung, die die Eingangstransistoren von den Spannungen am Ausgang der Verstärkerstufe isolieren.

Die Integration der Eingangs-JFETs auf ein Die sorgt dafür, dass sich die Transistoren möglichst gleich verhalten und auch in jedem Arbeitspunkt eine sehr ähnliche Temperatur aufweisen.
Drain- und Sourcepotential greifen über jeweils zwei Elektroden
ineinander. Das braun-grüne Material stellt die n-dotierte Schicht dar, die die
leitfähigen Kanäle des JFETs ausbildet. Diese Schicht kontaktiert sowohl der
Drain- als auch der Sourcekontakt.
Zwischen Drain und Source befindet sich
eine dunkelgrüne p-dotierte Schicht, mit der sich der leitfähige Kanal
einschnüren und so der fließende Strom regeln lässt.
Die dunkelgrünen
Streifen kontaktiert ein hellgrüner Rahmen, der vermutlich für
einen geringeren Widerstand höher dotiert wurde. Er dient als niederohmige
Verbindung zwischen den Gate-Flächen und dem Gate-Bondpad und sorgt vermutlich
zusätzlich für eine gewisse Isolation des aktiven Bereichs von der Umgebung.

Einer der Emitterwiderstände der Eingangstransistoren ist mit einem Laser abgeglichen. Darüber konnte nach der Fertigung der Offset des PA88 abgeglichen werden.

Die n-Kanal MOSFETs scheinen alle gleich aufgebaut zu sein. Hier ist der Transistor Q13 zu sehen. Die streifenförmige Elektrode stellt den Source-Anschluss dar. Sie kontaktiert rosa Streifen innerhalb der orangen Fläche. Das Gatepotential wird seitlich zugeführt und um den Umfang des Transistors verteilt. Vermutlich ist es an die orange Fläche angebunden. Das Drain-Potntial wird über die Unterseite des Dies kontaktiert. Insgesamt ergibt sich so der klassische Aufbau eines vertikalen MOSFETs.
In den Ecken befinden sich die Zeichen VF und 5, was auf den verwendeten Transistortyp schließen lässt.

Die Datenbücher des amerikanischen Halbleiterherstellers Supertex enthalten Bilder eines MOSFET-Dies, das genau zum vorliegenden Die passt. Dieses Design kam demnach für mehrere DMOS-Transistoren zum Einsatz. Die Bezeichnung VF05 würde zu den Zeichen auf dem Die passen.

Die Bipolartransistoren des Stromspiegels (Q1 und Q2) besitzen eine
kreuzförmigen Aufbau. Das innere Kreuz kontaktiert die Emitterfläche, die am
Rand der Metallisierung grün zu erkennen ist. Die das Kreuz umgebende
Metallisierung kontaktiert den Basisbereich, der hier bräunlich abgebildet ist.
Das Basispotential kann über vier Bondpads angebunden werden.
Welchen Zweck
die treppenförmige Struktur der Basis-Emitter-Grenzfläche erfüllt erschließt
sich nicht.

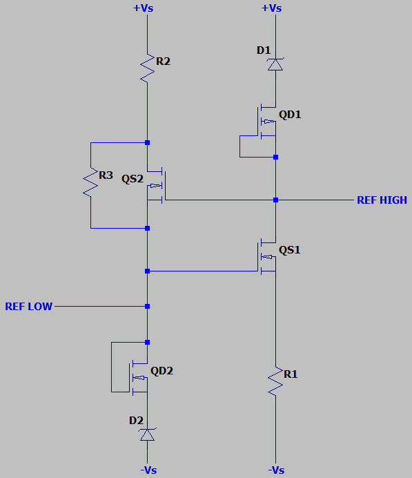
Die Erzeugung der zwei Referenzspannungen ist im Schaltplan vereinfacht als Stromquelle mit zwei Z-Dioden dargestellt. Auf dem Keramikträger sind diesem Schaltungsteil zwei Z-Dioden, vier Transistoren und drei Widerständen zugeordnet.

Es zeigt sich, dass die Erzeugung der positiven und der negativen Referenzspannung zwar miteinander verknüpft ist, für jede Spannungslage aber ein eigener Zweig aufgebaut wurde.
Die Transistoren QS1 und QS2 stellen die Stromquellen der beiden Zweige dar.
Die Stromwerte basieren jeweils auf der Referenzspannung des anderen Zweigs.
Dem Transistor QS2 ist zusätzlich ein Widerstand parallel geschaltet, der
vermutlich notwendig ist, damit die Schaltung beim Anlegen der
Versorgungsspannung sicher anläuft.
Den beiden Z-Dioden ist jeweils ein Transistor mit kurzgeschlossener Gate-Drain-Strecke seriell geschaltet, der vermutlich als Strombegrenzung dient. Warum diese Strombegrenzung notwendig war erschließt sich nicht. Vielleicht bestand die Gefahr, dass beim Anlegen der Versorgungsspannung kurzzeitig ein zu hoher Strom durch die Z-Dioden fließt.

Die Z-Dioden besitzen auf der Oberseite eine große, quadratische Metallisierung. Die internen Strukturen erzeugen Unebenheiten auf der Oberfläche der Metallschicht, die sich aber nicht eindeutig bestimmten Funktionen zuordnen lassen. Im Prinzip besteht eine Z-Diode zwar nur aus einem pn-Übergang, dieser ist aber meist umgeben von zusätzlichen Schichten, die die Eigenschaften der Z-Diode optimieren.


Der Transistor QS2 ist ein p-Kanal MOSFET, der optisch genauso aufgebaut ist wie die n-Kanal MOSFETs. Als einziger Unterschied befinden sind auf den p-Kanal MOSFETs Lagenbezeichnungen und Muster, die als Ätzmarker oder zur Maskenjustierung genutzt werden konnten. Supertex hatte neben den n-Kanal auch p-Kanal MOSFETs mit dem VF05-Design im Angebot. Das ist folglich soweit plausibel.

Der Transistor Q4 erzeugt den konstanten Strom, der die Arbeitsspannung für die Kaskodentransistoren generiert. Diese Spannung wird über den Kondensator C3 gepuffert, der im Schaltplan des Datenblatts nicht aufgeführt ist.
Es stellt sich heraus, dass die Diode D19 ein JFET-Transistor ist. Das Logo und die Zahlen verraten, dass der Baustein von Interfet aus dem Prozess N0026L stammt. Das Gate wird über das Substrat angebunden und letztlich die Gate-Source-Strecke als Diode genutzt. Solche JFET-Dioden bieten einen sehr geringen Leckstrom, der das anliegende Nutzsignal kaum verfälscht.

Der Transistor Q8 nimmt das Nutzsignal über den Kompensationspin 7 entgegen. In diesem Bereich befindet sich auch dessen Emitterwiderstand und der Kondensator C2, der diesen überbrückt.
Der Transistor Q16 stellt die Stromsenke dar, auf die der Transistor Q8 arbeitet. Oben rechts befindet sich ein Bestückplatz, der vermutlich für einen Kondensator vorgehalten wurde, der dann die Referenzspannung puffern würde.
Zwischen dem Transistor Q8 und dem Transistor Q16 befindet sich der Transistor Q11, der mit den umgebenden Widerständen eine konstante Spannung einstellt. Die Höhe der Spannung steuert den Ruhestrom in der Endstufe. Der Kondensator C1 stabilisiert diese Spannung.

Der Widerstand, der die Basis-Emitter-Strecke des Transistors Q17 überbrückt, ist zweigeteilt und mit einem Laser abgeglichen. Über diesen Abgleich kann der Ruhestrom der Endstufe eingestellt werden. Ein zu geringer Ruhestrom führt dazu, dass es in der Endstufe zu Übernahmeverzerrungen im Bereich des Nulldurchgangs kommt. Ein zu hoher Ruhestrom führt zu unnötigen Verlusten und reduziert den maximal möglichen Ausgangsstrom.

Die Endstufentransistoren Q9 und Q18 befinden sich nahe dem eigentlichen Ausgangspin CL.
Die Rückkopplung des Potentials hinter dem externen Shunt erreicht den Opamp
über den Pin 1, der direkt zu den Transistoren Q12 und Q17 führt.
An den
Kollektoren der Transistoren Q12 und Q17 befinden sich zwei Elemente, die nicht im
Schaltplan verzeichnet sind. Es handelt sich dabei um Dioden, die verhindern,
dass die Transistoren invers leitend werden. Diese Gefahr besteht, da der immer
vorhandene Ruhestrom über den Source-Widerstand des Endstufentransistors einen
minimalen Strom durch die Basis-Emitter-Strecke des Schutztransistors fließen
lässt. Legen die Treibertransistoren zum Beispiel einen negativen Pegel an die
Endstufen an, so kann über die minimal leitende Basis-Emitter-Strecke
des Highside-Schutztransistors ein Strom vom Ausgang zur Treiberstufe abfließen.

Der Lowside-Transistor der Endstufe wurde als einziges Bauteil auf einen zweiten Siliziumblock platziert. Oftmals handelt es sich bei derartigen Konstruktionen um die Überreste einer Nacharbeit. Findet sich bei der Endkontrolle eines Keramikträgers ein defektes Bauteil, so kann man im Rahmen einer Nacharbeit ein neues Die auf dem defekten platzieren und neu bonden. Eine solche Nacharbeit ist relativ deutlich beim KWH DAC32 COB10 zu erkennen.
Die beiden Siliziumblöcke besitzen an den Kanten sehr unterschiedliche Oberflächen. Das scheint gegen die Theorie einer Nacharbeit zu sprechen. Keiner der im PA88 eingesetzten Transistoren besitzt derart grobe Kanten, wie sie beim unteren Siliziumblock zu sehen sind. Eine andere Erklärung für den speziellen Aufbau könnten die Anforderungen an diesen Transistor sein. Es handelt sich um einen p-Kanal-MOSFET, der als Endstufentransistor einigermaßen leistungsfähig sein muss. Eventuell war der zweite Siliziumblock notwendig, um diese Eigenschaften erreichen zu können.

Hier ist der NPN-Überstrom-Schutztransistor Q12 und die zugehörigen Diode zu sehen.

Die Strukturen der Dioden sind relativ unspektakulär.

Der PNP-Transistor Q17 ist oberflächlich genauso aufgebaut wie der NPN-Transistor Q12. Während aber beim Transistor Q12 an den Kanten vier B abgebildet wurden, sind es beim Transistor Q17 vier D.