
Der ADC574 ist ein 12Bit-SAR-Analog-Digital-Wandler von Burr-Brown. Die hier vorliegende, genauer spezifizierte KH-Variante garantiert eine Nichtlinearität von höchstens +/-0,5LSB über den vollen Betriebstemperaturbereich. Dazu kommt bei Raumtemperatur ein Offset-Fehler von +/-2LSB. In der bipolaren Konfiguration muss mit einem Offset von +/-4LSB gerechnet werden. Für eine Digitalwandlung benötigt der ADC574 typischerweise 20µs.
Die integrierte Referenzspannungsquelle spezifiziert das Datenblatt nur sehr knapp. Bei Raumtemperatur wird die Ausgangsspannung mit 9,9V bis 10,1V angegeben. Dieser Bereich entspricht immerhin +/-41LSB. Ein Temperaturdrift ist gar nicht erst aufgeführt. Der Fehlerbeitrag der Referenzspannungsquelle ist in den obigen Ungenauigkeiten nicht enthalten. Man muss außerdem damit rechnen, dass die Referenzspannung durch Alterungseffekte driftet. Dazu kommt höchstwahrscheinlich ein nicht unerheblicher Temperaturdrift. Der von Analog Devices entwickelte AD574 arbeitet dagegen mit einer buried Z-Diode als grundlegende Referenzspannungsquelle und spezifiziert entsprechend seine Referenzspannung in der besseren Sortierung mit +/-0,1% bei Raumtemperatur. Dazu ist der Temperaturdrift mit 15ppm/°C angegben.

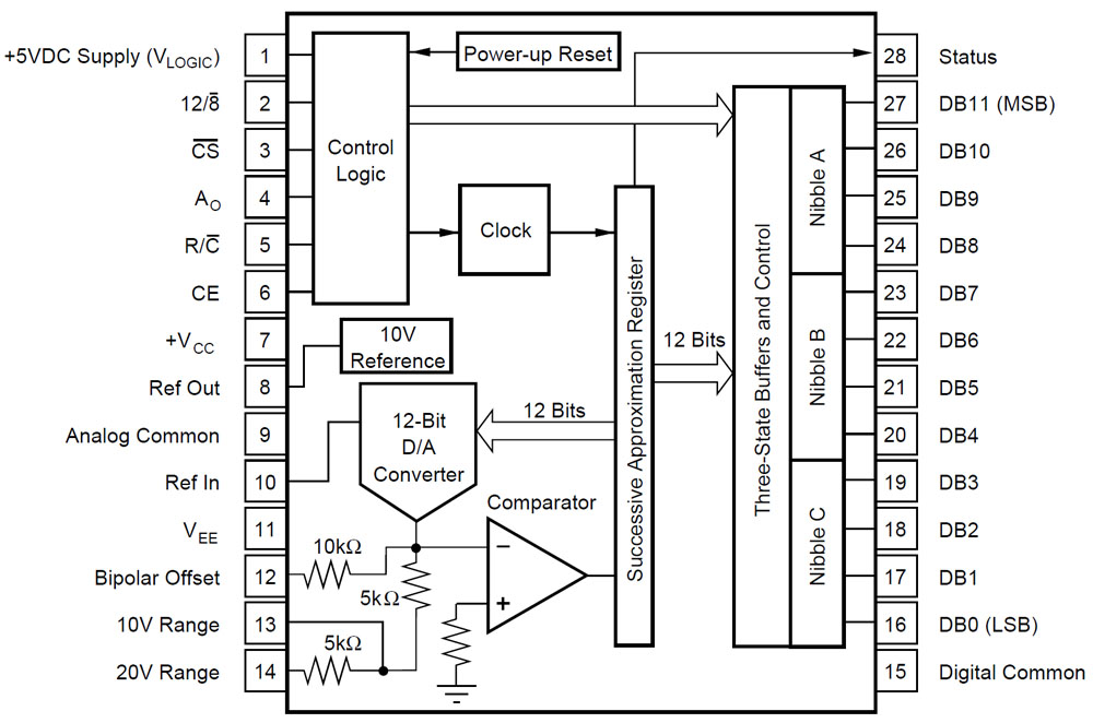
Das Datenblatt enthält ein Blockschaltbild, das den Aufbau des A/D-Wandlers relativ übersichtlich darstellt. Abhängig vom gewünschten Messbereich wird über einen der Pins 13/14 der zu wandelnde Spannungswert eingespeist. Mit Hilfe des Pins 12 kann ein Offset eingestellt und damit eine bipolare Messung realisiert werden. Der integrierte 12Bit-Digital-Analog-Wandler arbeitet gegen das Eingangssignal. Das sich einstellende Potential wird von einem Komparator mit dem Bezugspotential verglichen.
Der Digital-Analog-Wandler erhält seine Daten aus dem SAR-Register. Das SAR wertet wiederum den Ausgang des Komparators aus und steuert nach dem SAR-Prinzip den Digital-Analog-Wandler. Vom höchstwertigsten Bit aus wird ein Bit nach dem anderen testweise aktiviert und der Komparator ausgelesen. Ist der Wert des Digital-Analog-Wandlers zu hoch, so wird für das zu der Zeit aktivierte Bit eine 0 abgespeichert, ansonsten verbleibt eine 1 im SAR. Der Mechanismus führt dazu, dass sich der Wert des Digital-Analog-Wandlers sukzessive an das analoge Eingangssignal annähert. Nach einem vollständigen Durchlauf des SAR kann der enthaltene Digitalwert in die Ausgangspuffer übernommen werden.
Neben der 10V-Referenzspannungsquelle stellt das Blockschaltbild noch eine
Steuerungslogik dar. Die fünf Signale 12/8, CS, AO, R/C und CE ermöglichen eine
gewisse Konfiguration des ADC574. So kann der Baustein zum Beispiel als 12Bit- oder als
8Bit-Analog-Digital-Wandler betrieben werden. Während für 12Bit typischerweise 20µs
notwendig sind, lassen sich 8Bit bereits nach 13µs erreichen. Für den Einsatz in
8Bit-Prozessorsystemen kann der ADC574 den Digitalwert in einen 8Bit- und einen
4-Bit-Wert aufteilen.
Der Status-Ausgang signalisiert eine aktive
Analog-Digital-Wandlung.

Im Gehäuse befinden sich ein Digital- und ein Analog-Die, was garantiert, dass beide Schaltungsteile möglichst effizient und ungestört arbeiten. Jedes Die ist auf einer eigenen Metallfläche platziert. Das untere Analog-Die arbeitet mit dem negativen Versorgungspotential und nutzt daher auch dieses Potential als Bezugspotential für das Substrat. Das obere Digital-Die arbeitet mit Bezug auf die digitale Masse.


Die Strukturen auf den beiden Dies sind noch groß genug, um die Funktionen und teilweise auch die Schaltungsteile identifizieren zu können.

Die Abmessungen des Analog-Dies betragen 5,1mm x 2,6mm.

Das Design entwickelte Harris Semiconductor im Jahr 1982. Die Zahlenfolge 1352 könnte eine interne Bezeichnung sein.


Die obere Kante enthält einige Strukturen, die der Überwachung der Fertigung dienen.
Während des Laser-Abgleichs wurde in ein Rechteck eine 1 geschrieben. Entweder dient die Zahl der Rückverfolgbarkeit des Abgleichprozesses oder sie kennzeichnet eine Qualitätsstufe.

An der rechten Kante des Dies befinden sich zwei relativ ungewöhnliche Strukturen, die ebenfalls Teststrukturen darstellen könnten.

Viele Widerstände sind zweiteilig aufgebaut. Sie bestehen aus einem grünen
Widerstand und einem bräunlichen Widerstand. Der bräunliche Widerstand wird
während des Abgleichprozesses zuerst quer und dann längs eingeschnitten. Der
quer verlaufende Schnitt ermöglicht einen groben Abgleich, der längs verlaufende
Schnitt dient dem Feinabgleich.
Das Aufteilen eines Widerstands in zwei
Bereiche kann die Genauigkeit des Abgleichs erhöhen. Besitzt der bräunliche
Bereich einen verhältnismäßig niedrigen spezifischen Widerstand, so liefert ein
Einschnitt eine entsprechend kleine Widerstandsänderungen. Das ermöglicht es
wiederum während eines Abgleichs dem gewünschten Wert näher zu kommen.

Markiert man die von außen eintreffenden Potentiale, so zeigt sich, dass auf der linken Seite vier Signale nur auf das Analog-Die gebondet wurden, um sie in der oberen linken Ecke zum Digital-Die weiterzuleiten (CS, A0, RC, CE).
Das Bezugspotential AGND übertragen drei Bonddrähte zu drei unterschiedlichen Bereichen an der unteren Kante des Dies.
Die Signale, die zwischen Digital-Die und Analog-Die ausgetauscht werden, lassen sich relativ gut identifizieren. Die Eingänge des Digital-Analog-Wandlers D0 bis D11 sind mit Blick auf die Wandler-Strukturen offensichtlich. Dort lässt sich auch das Enable-Signal zuordnen. Der differentielle Komparatorausgang und das Taktsignal zur Steuerung des Komparators befinden sich an der rechten Kante.

Der 12Bit-Digital-Analog-Wandler ist grundsätzlich ähnlich aufgebaut wie zum Beispiel der AD7535. 18 Stromsenken stellen das gewünschte Ausgangssignal ein. Die Stromsenke REF (grün) dient als Referenz für die restlichen Stromsenken und wird entsprechend über das an der unteren Kante eingespeiste Referenzpotential ausgesteuert. Die oberen drei Bit stellen die Stromsenken A-G dar (lila/rot), die alle den gleichen Stromwert liefern. Die unteren neun Bit generieren die Stromsenken 0-9 (gelb/blau) in Kombination mit einem R2R-Teiler an der unteren Kante (schwarz).
Zwischen der Stromsenke 4 und der Stromsenke 3 erfolgt ein Übergang, hinter dem die Abgleichwiderstände kleiner werden. Da der Gesamtfehlerbeitrag dieser Stromsenken sehr viel geringer ist, darf der Abgleich weniger genau ausfallen. Im Zwischenraum sind Dummystrukturen der Widerstände und der Metalllage zu erkennen. Diese Strukturen stellen sicher, dass sich die Fertigungsprozesse auf alle Stromsenken möglichst gleich auswirken.
Hinter der Stromsenke des niederwertigsten Bits befindet sich die nicht schaltbare Stromsenke X (rosa), die ebenfalls an den R2R-Teiler angebunden ist. Wahrscheinlich kompensiert dieser geringe, konstante Strom Leckströme.

Das Steuersignal für die jeweilige Stromsenke wird von oben zugeführt (grün). Im oberen Bereich der Stromsenke (hier links) befindet sich eine gewisse Steuerungslogik, die es ermöglicht die Stromsenken übergreifend zu kontrollieren. Gleichzeitig generiert die Logik ein differentielles Steuersignal (grün/rot).
Auf den Steuerungsblock folgt die eigentliche Stromsenke (Mitte), die ihren Strom nach VEE ableitet (schwarz). Der zugehörige Widerstand besteht aus einem braunen und drei grünen, seriell geschalteten Widerständen. Der braune Widerstand ermöglicht es während des Laserabgleichs die Stromsenken zu justieren. Unterhalb der Widerstände befindet sich der Transistor der Stromsenke. Das Steuersignal (gelb) wird von Transistor zu Transistor durchgeschleift. Da die Genauigkeitsanforderungen an die stärkste Stromsenke ganz rechts am höchsten sind, ist es vorteilhaft, dass die Referenz-Stromsenke das Steuersignal auf der rechten Seite des Digital-Analog-Wandlers generiert.
Unterhalb der Stromsenke befinden sich zwei Pull-Down-Widerstände für die differentiellen Steuersignale (rechts). Die Steuersignale kontrollieren zwei Umschalttransistoren, die den Strom der Stromsenke entweder in die R2R-Kette (rot/schwarz) oder in eine Ersatzlast (grün/schwarz) leiten.

Die aktiven Stromsenken der neun niederwertigsten Bits ziehen ihren Strom aus der großen R2R-Kette an der unteren Kante. Die R2R-Kette basiert auf dem analogen Bezugspotential (schwarz), teil die Ströme herunter und leitet sie zum Ausgang des Digital-Analog-Wandlers.
Um beim Umschalten der Stromsenken die Spannungen und Ströme im System möglichst konstant zu halten, werden die Stromsenken beim Wegschalten mit ähnlichen Ersatzpotentialen verbunden. Die alleinstehenden Stromsenken A bis G sind direkt an das grüne Potential angebunden, das im rechten Bereich generiert wird. Die inaktiven Stromsenken will man üblicherweise mit dem analogen Bezugspotential verbinden, da sich zum Ende der Digital-Wandlung dieses Potential am Komparator einstellt. Gleichzeitig will man aber den Stromfluss im Massepfad möglichst konstant halten. Aus diesem Grund ist der ADC574 an dieser Stelle höchstwahrscheinlich ähnlich aufgebaut wie der DAC709 und eine Art kleiner Spannungsregler generiert ein Abbild des Bezugspotentials, das sich aus dem positiven Versorgungspotential speist.
Für die Stromsenken 0 bis 8 befindet sich oberhalb der großen R2R-Teilerkette eine zweite, kleinere R2R-Teilerkette, die als individuell passende Ersatzlast für die jeweilige Stromsenke dient (gelb). Die kleinere R2R-Kette ist zwischen dem schwarzen Bezugspotential und dem grünen Ersatz-Bezugspotential eingebunden.

Die Widerstände der Ersatzlast-R2R-Teilerkette sind merklich kleiner, vermutlich weil die Anforderungen an diese Teilerkette wesentlich niedriger sind.

Im linken Bereich des Dies ist die Referenzspannungsquelle untergebracht. Die genaue Arbeitsweise erschließt sich nicht. Wie nach der Beschreibung im Datenblatt zu erwarten war, findet sich keine außergewöhnliche Struktur, die eine buried Z-Diode darstellen könnte. Vermutlich dient eine Bandgap-Referenz als Grundlage für die stabile Ausgangsspannung.
Kritische Potentiale, wie hier zum Beispiel AGND, werden vom Bondpad ab über mehrere Leitungen im Die verteilt, so dass sich die verschiedene Schaltungsteile nicht durch Spannungsabfälle gegenseitig stören.

In der unteren rechten Ecke des Dies wird das analoge Eingangssignal eingespeist, der Messbereich und der Offset eingestellt (gelb). Der sich einstellende Strom mischt sich oberhalb eines Testpunkts mit dem Strom des Digital-Analog-Wandlers (blau). Das sich ergebende Potential (grün) und das Referenzpotential (rot) werden zur rechten Kante des Dies geleitet, wo sich der Komparator befindet. Die Eingangstransistoren sind doppelt ausgeführt und über Kreuz angeordnet, um sicher zu stellen, dass sich das Verhalten auch bei thermischen Gradienten nicht ändert. Zwei Testpunkte ermöglichen es während der Fertigung die Eingangspotentiale des Komparators zu vermessen.
Die differentiellen Signale führen über mehrere Schaltungsteile zur oberen Kante des Dies (schwarz/weiß/lila/rosa). Im weißen Schaltungsteil befinden sich abgleichbare Widerstände und zwei weitere Testpads, die es höchstwahrscheinlich ermöglichen den Schaltpunkt des Komparators zu justieren.
Vor dem differentiellen Ausgang an der oberen Kante befindet sich noch ein weiteres Testpad, über das der Status des Komparators ausgelesen werden kann.

Die Abmessungen des Digital-Dies betragen 4,0mm x 2,1mm. Das Design dieses Dies stammt ebenfalls von Harris Semiconductor.

Es sind die Bezeichnungen von acht Masken dargestellt.

Diverse Teststrukturen ermöglichen es umfangreiche Tests durchzuführen.

Das Design stammt aus dem Jahr 1981. Die interne Bezeichnung lautete anscheinend 1351. Die Buchstaben KB, FRC und AW stehen höchstwahrscheinlich für Entwickler des Wandlers.


Der rechte Teil des Dies ist äußerst symmetrisch aufgebaut. An der unteren Kante wird der 12Bit breite aktuelle SAR-Digitalwert zum Analog-Die übertragen. Nach oben folgt die SAR-Steuerungslogik.
Am oberen Ende des Logikbereichs sind deutlich die zwölf großen Ausgangstransistoren und darunter die Zwischenspeicher zu erkennen.

Der linke Bereich enthält sehr viel freie Fläche. Neben fünf breiten Testpads sind dort mehrere, relativ große Kondensatoren integriert. Es könnte sich dabei um einen Taktgenerator handeln.

In der unteren linken Ecke des Dies befinden sich die Eingangsstrukturen für die Steuersignale des ADC574.