
Der IRU1239 ist ein Spannungsregler, der auf der Festplatte WD800BB von Western Digital zu finden ist.

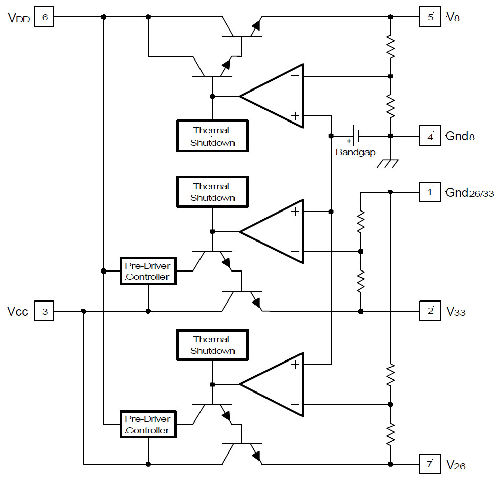
Für den IRU1239 findet sich kein Datenblatt. Das obige Blockschaltbild stammt aus dem Datenblatt des IRU1237, der ebenfalls für den Einsatz in Festplatten entwickelt wurde und entsprechend ähnlich aufgebaut sein könnte. Der IRU1237 enthält drei Spannungsregler mit den Ausgangsspannungen 8V, 3,3V und 2,6V. Die Stromlieferfähigkeit ist mit 0,2A, 1,2A und 1,2A spezifiziert. Der 8V Spannungsregler besitzt einen eigenen Versorgungseingang, damit die unteren Spannungsregler mit einer niedrigeren Spannung versorgt werden können. Die unteren beiden Spannungsregler besitzen außerdem ein eigenes, isoliertes Bezugspotential.
In einem polnischen Forum hat man auf der Festplatte WD800BB folgende
Spannungen an den Pins des IRU1239 gemessen (Pins 1-8): 1,2V / 3,3V / 5,0V IN /
0,0V GND / 1,2V / 12V IN / 2,6V
(https://www.elektroda.pl/rtvforum/topic367631.html#1876064)
Betrachtet man den IRU1237, so werfen die Potentiale einige Fragen auf. Der IRU1239 würde demnach aus der 12V-Versorgung ein 1,2V-Potential erzeugen. Der große Abstand zwischen Eingangs- und Ausgangsspannung überrascht. Sollte die Schaltung grundsätzlich dem IRU1237 entsprechen, dann könnte es aber sein, dass die Schaltung an diesem Kanal zwingend eine höhere Spannung benötigt. Die anderen beiden Kanäle könnten weiterhin aus der 5V-Versorgung 3,3V und 2,6V erzeugen. Fraglich wäre dann, ob die Messung am Pin 1 falsch war. Dort soll auf der Platine der WD800BB eine Spannung von 1,2V angelegen haben. Es wäre denkbar, dass man mit diesem Potential am Bezugspunkt der unteren Spannungsteiler die Ausgangsspannungen anders eingestellt hat. Ein höheres Potential am Bezugspunkt des Spannungsteilers reduziert die Ausgangsspannung. Das würde aber bedeuten, dass die unteren Spannungsregler normalerweise 4,5V und 3,8V einregeln. Das wären sehr ungewöhnliche Spannungen. Außerdem benötigt zumindest der IRU1237 mindestens 5,25V um bei 3,3V seinen vollen Ausgangsstrom darstellen zu können. Für Spannungen über 3,3V benötigt zumindest dieser Regler mehr als 5V am Eingang.
Die Abmessungen des enthaltenen Dies betragen 2,2mm x 1,3mm. In der unteren linken Ecke ist die Bezeichnung US1239A abgebildet. Die Buchstaben BW lassen sich nicht zuordnen. In der rechten unteren Ecke finden sich Revisionen von sieben Masken. Es kamen zwei Metalllagen zum Einsatz.
Dieses Bild ist auch in einer höheren Auflösung verfügbar: 33MB

In der Mitte des Dies sind große Leistungstransistoren integriert. Die zwei Metalllagen erlauben eine effiziente Stromführung. Ein Element der Leistungstransistoren besteht aus zwei Emitter. Die länglichen Kontakte sind deutlich zu erkennen (blau). Dort befinden sich Streifen der unteren Metalllage, die über Vias (gelb) mit der oberen Metalllage verbunden sind. Von dort wird der Strom über breite Leitungen nach rechts geführt. Die Emitterkontakte sind von Basiskontakten umgeben (grün). Das Basispotential des Transistors ist mit der unteren Metalllage verbunden. Die Zuführung des Basisstroms erfolgt innerhalb dieser Ebene von oben und von unten. Der Kollektorstrom (rot) fließt in breiten Streifen der oberen Metalllage auf beiden Seiten des Leistungstransistorstreifens. Vias stellen Verbindungen zur unteren Metalllage dar, wo ein Streifen über den Kollektorkontakt führt.

Bei genauerer Betrachtung und mit den Messungen an den Pins lässt sich die Schaltung folgendermaßen rekonstruieren. In der Mitte trifft das 5V-Potential auf die Schaltung. Nach links und rechts durchläuft der Strom zwei Leistungstransistoren. Der rechte Transistor ist doppelt so groß wie der linke Transistor. Es handelt sich um einen 3,3V Spannungsregler und einen 2,6V Spannungsregler. Die beiden Regler sind oberhalb ihrer Leistungstransistoren angeordnet.
Neben den eigentlichen Ausgängen bietet jeder Regler einen Eingang, über den er die jeweilige Ausgangsspannung zurück liest. Die Potentiale werden zu Spannungsteilern geführt, die sich mittig an der oberen Kante befinden. Eine Besonderheit ist die Tatsache, dass die heruntergeteilten Ist-Spannungen an zwei Pins anliegen. Hier wird folglich auch die interne Referenzspannung sichtbar, mit der die Regler arbeiten. Das erklärt die beiden 1,2V-Potentiale an den Pins 1 und 5. Es handelt sich nicht um einen dritten Spannungsregler. Vermutlich hat man die Potentiale nach außen geführt, um bei Bedarf die Ausgangsspannungen etwas anzupassen.
Im unteren Bereich wird die Referenzspannung erzeugt. Mittig ist die auffällige Transistorkombination eine Bandgap-Referenz zu erkennen. Links bieten Fuses Einstellmöglichkeiten. Sowohl die Referenzspannungserzeugung als auch die Regler nutzen das 12V-Versorgungspotential.