
Der WCH CH32V003 ist ein RISC V Mikrocontroller, der auf Grund seines geringen Preises von nur 0,10$ eine gewisse Berühmtheit erlangt hat. WCH steht für WinChipHead und ist genau genommen nur eine Marke. Dahinter steht die chinesische Firma Nanjing Qinheng Microelectronics.

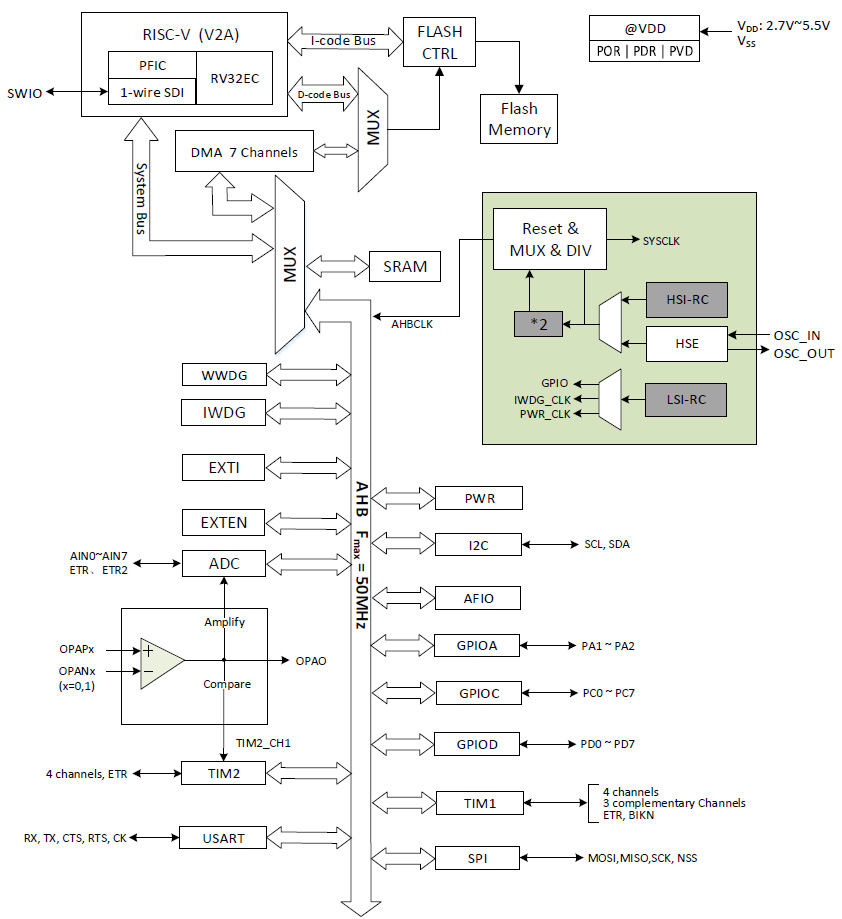
Das Datenblatt enthält ein Blockschaltbild des CH32V003. Der Prozessor arbeitet mit 48MHz und kann auf 2kB SRAM und 16kB Flash EEPROM zugreifen. Dazu kommen zusätzliche Bereiche für einen Bootloader und zur Konfiguration des Systems.
Der CH32V003 bietet einige Schnittstellen, wobei der SPI-Bus im SOP-8 Gehäuse auf Grund der wenigen Pins nicht verfügbar ist. Außerdem sind verständlicherweise nur 6 IOs beziehungsweise 6 ADC-Kanäle nutzbar. Alternativ kann man ein SOP-16, ein QFN-20 oder ein TSSOP-20 Gehäuse wählen.
Im Gehäuse findet sich ein Die mit den Abmessungen 1,7mm x 1,2mm. Das WCH-Logo ist prominent in der Mitte der Fläche abgebildet. Über den Umfang verteilt bietet das Die 31 Bondpads, von denen 16 kontaktiert wurden. Besonders auffällig sind die zusätzlichen sechs Bondpads im rechten unteren Bereich, die nicht an den Kanten platziert sind. Es handelt sich um vier Potentiale. Ein Teil der nicht kontaktierten Bondpads werden sicherlich in den Gehäusen mit mehr Pins genutzt. Es könnte sein, dass man zusätzlich die Möglichkeit vorgehalten hat den Speicher mit einem zweiten Die zu erweitern. Das würde die ungewöhnlich platzierten Bondpads erklären.
Dieses Bild ist auch in einer höheren Auflösung verfügbar: 20MB