
Der TAA293 wird Valvo zugeschrieben. Amperex bewirbt 1967 in der Zeitschrift Electronic Design den TAA293 als neues Produkt. Amperex gehörte ebenso zu Philips wie Valvo.

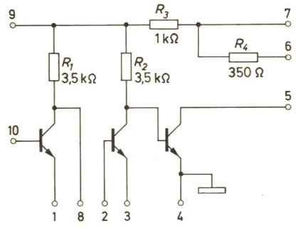
Im TAA293 befindet sich ein dreistufiger sehr einfacher Verstärker. Es handelt sich lediglich um drei Transistoren und vier Widerstände. Das Datenblatt spezifiziert eine 3dB-Bandbreite von 600kHz. Der TAA293 kann als Audio-Verstärker genutzt werden, er findet sich aber auch in ZF-Stufen.

Auf einigen der Anschlusspins befinden sich kurze Drahtstücke. Anscheinend wurde der Bonddraht nur teilweise beim Bonden auf den Pins abgeschert.


Das Die ist mit der Bauteilbezeichnung beschriftet. Bei den Zeichen V6 denkt man zuerst an eine Version 6. Es könnte sich aber auch um einen Datecode für das Design handeln. Drei Punkte an der unteren Kante zeigen, wie gut die einzelnen Masken bei der Produktion zueinander ausgerichtet waren.
Die Schaltung ist problemlos zu erkennen. Der obere Bereich enthält die Widerstände, die passend zu ihren Werten unterschiedliche Länge/Breite-Verhältnisse besitzen. Im unteren Bereich befinden sich die drei Transistoren, von denen der rechte Ausgangstransistor deutlich größer ausgeführt ist.