


Die hier zu sehende Kunststoffbox enthält eine Belichtungsmaske zur Herstellung des integrierten Schaltkreises A231. Wie die Beschriftung zeigt, stammt die Maske aus dem Halbleiterwerk Frankfurt Oder, genauer aus Markendorf. Daneben findet sich die Jahreszahl 1979 und zwei Zeichen, die sich nicht zuordnen lassen. Auf der Rückseite der Box feiert ein Aufkleber 20 Jahre HFO.

Die Maske liegt mit den Kanten auf treppenförmigen Strukturen auf. Ein Schaumstoff fixiert die Maske im Gehäuse.

Das Glas besitzt eine Kantenlänge von 6,3cm und ist 1,65mm dick. Die Strukturen nehmen eine Fläche mit einer Kantenlänge von 5,3cm ein. An der oberen Kante hat man die Maske mit den Zeichen A231-D-0 beschriftet.
Wie damals üblich findet sich in der Mitte eine Art Pfeil, der die Bezeichnung des Bausteins enthält und die Ausrichtung der Maske auf dem Wafer anzeigt. Zweimal drei Quadrate sind quadratisch um die mittlere Struktur angeordnet und heben sich optisch deutlich ab. Darin sind Teststrukturen enthalten, die es ermöglichen die Qualität einzelner Elemente zu überprüfen, ohne dass sie durch umgebende Schaltungsteile beeinflusst werden.


Wie sich später noch zeigen wird, sind die Strukturen auf der Maske 1:1 abgebildet, sind also genauso groß wie die Strukturen auf dem integrierten Schaltkreis. Ein Größenvergleich mit dem A210-Wafer zeigt, dass es sich damit um eine Belichtungsmaske für 2"-Wafer handelt. Der Wafer wird in einem Schritt komplett belichtet. Modernere Belichtungsverfahren nutzen oft sogenannte Stepper, bei denen eine kleinere Maske den Wafer Stück für Stück belichtet. Dort befindet sich dann auch eine Optik zwischen Wafer und Maske, so dass die Strukturen auf den Masken größer ausgeführt sein können als die Strukturen auf dem integrierten Schaltkreis.

In der oberen linken Ecke befindet sich in einem schwarzen Rechteck die Bezeichnung 2z112A231-D. Es wird sich noch zeigen, dass hier eine zweite Revision des A231 abgebildet ist. Die Bezeichnung A231 ist in der Zeichenfolge eindeutig zu erkennen, die Bedeutung der anderen Zeichen bleiben unklar.

Bei den obigen Bildern befindet sich die Beschichtung auf der Oberseite der Glasplatte. In handschriftlichen Kennzeichnungen an der oberen Kante sind so lesbar. Die Zeichen an der unteren Kante sind allerdings spiegelverkehrt.
Während der Belichtung ist die beschichtete Seite dem Wafer zugewandt. Würde sich die Glasplatte zwischen den Konturen und dem Wafer befinden, so wäre es unmöglich derart kleine Strukturen scharf abzubilden. Soll etwas korrekt auf dem Wafer abgebildet werden, dann muss es in der Beschichtung spiegelverkehrt aufgebracht sein.

Fotografiert man die Beschichtung durch die Glasplatte hindurch, so werden die Strukturen korrekt dargestellt. In diesem Bild kann man das Verhältnis zwischen der Höhe der Glasplatte und der Größe der abzubildenden Strukturen gut erkennen.
An der unteren Kante befindet sich die Zeichenfolge 2z112A231D-09169, was der Beschriftung in der Ecke der Maske ähnelt: 2z112A231-D.

Auf der nicht beschichteten Seite wurden die Zahlen 9 und 69 aufgemalt. Um einen Datecode scheint es sich nicht zu handeln, da die ältesten auffindbaren Erwähnungen des A231 auf 1978 zurück gehen.

Die Beschichtung der Maske ist etwas verkratzt und verschmutzt. Die kleinsten Elemente sind ungefähr 8µm groß. Zur Herstellung solcher Masken wurde meist Chrom verwendet.

Hier ist die Struktur in der Mitte der Maske zu sehen. Die Zeichenfolge zeigt, dass es sich um eine zweite Revision des Bausteins A231 handelt.
Um eine bestmögliche Bildqualität erreichen zu können, erfolgen die Detailaufnahmen der Strukturen von der beschichteten Seite aus (links). Damit sich die Strukturen der Maske trotzdem denen auf dem integrierten Schaltkreis zuordnen lassen, sind alle folgenden Bilder gespiegelt (rechts).

Die einzelnen Bereiche sind 2,2mm x 1,7mm groß. Mit etwas Hintergrundwissen (z.B. vom A109) verraten die Strukturen, dass es sich hier höchstwahrscheinlich um die dritte Maske des Prozesses handelt. Sie definiert, wo die p-Dotierung eingebracht wird, die die Basisflächen für die NPN-Transistoren darstellt, die Kollektor- und Emitterflächen der PNP-Transistoren generiert und mit der Widerstände erzeugt werden.

Die Strukturen innerhalb der sechs Testbereiche lassen bereits Schlüsse auf die Elemente zu, die dort integriert werden.

Auf dem A210-Wafer sind die gleichen Teststrukturen integriert. Dort findet sich auch eine genauere Beschreibung der Elemente. Auf diesem Wafer sind die Teststrukturen fast fertiggestellt. Es fehlt lediglich die Metalllage.

Hier ist ein komplettierter A231-Baustein zu sehen. Die Buchstaben MD sind doppeldeutig. Sie können für Oktober 1963 oder Dezember 1980 stehen. In diesem Fall handelt es sich sicher um den Dezember 1980.

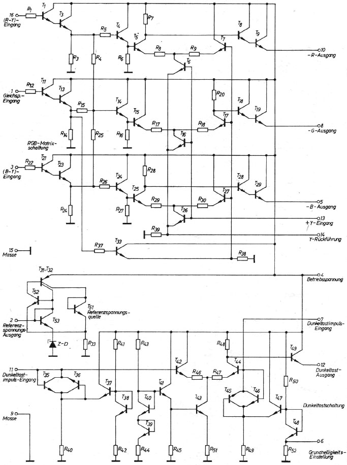
Das Datenblatt enthält nur ein Blockschaltbild des A231. Als RGB-Matrix erzeugt der A231 in analogen Farbfernsehern aus dem Luminanzsignal und den beiden Farbdifferenzsignalen die drei Farbsignale. Zusätzlich findet sich im Blockschaltbild noch eine Referenzspannungsquelle und eine Schaltung zur Dunkeltastung.

In der Radio Fernsehen Elektronik 5/1978 ist ein ausführliches Schaltbild des A231 dargestellt.


Das Die im Gehäuse des A231 ist im Rahmen der Toleranzen genau so groß wie die einzelnen Elemente auf der Maske (2,2mm x 1,7mm). An der oberen Kante sind die Zeichen 02A231 abgebildet. Es handelt sich folglich hier um die gleiche Revision, die auch auf der Maske abgebildet ist.


Es liegt zusätzlich ein aussortiertes Die vor. In der Mitte sind noch die Reste des Farbpunktes zu sehen, der das Die als Ausschuss markiert. Es handelt sich hier ebenfalls um die zweite Revision und es finden sich auch sonst keine speziellen Auffälligkeiten.

Mit der realen Schaltung kann man nun auch einen genaueren Blick auf die Strukturen der Maske werfen. Hier sind die Bereiche eingefärbt, die im Rahmen dieses Prozessschrittes p-dotiert werden.

Man kann auch die Maske invertieren und so die Bereiche markieren, die von der p-Dotierung ausgespart werden.

An der linken und an der oberen Kante befinden sich jeweils zwei Punkte (gelb), die genutzt werden, um die einzelnen Masken exakt übereinander zu platzieren. In der unteren linken Ecke zeigen weitere Strukturen wie gut die Masken gegeneinander ausgerichtet sind (orange).
Unter den Bondpads wird keine p-Dotierung eingebracht. Lediglich in der oberen linken Ecke definiert die Maske eine p-Dotierung (grün). Über dieses Bondpad wird das Bezugspotential des A231 zugeführt. Durch die p-Dotierung ist das Bezugspotential mit dem Substrat verbunden und sorgt dafür, dass die einzelnen Wannen des Bausteins voneinander isoliert bleiben.
Die Widerstände werden durch Streifen der p-Dotierung dargestellt (rosa). Dünne Streifen besitzen an den Enden größere Kontaktflächen. Dicke Streifen können ohne besondere Geometrien kontaktiert werden.
Die NPN-Transistoren (blau) sind unterschiedliche groß. Sie besitzen einen Streifen der p-Dotierung als Basisfläche. Teilweise findet sich in den zugehörigen Wannen ein zusätzlicher schmaler Streifen, der als Widerstand oder bei der Kreuzung von Leitungen genutzt werden kann.
Im linken Bereich zeichne sich zwei PNP-Transistoren ab (rot).

Hier sind beispielhaft die beiden NPN-Transistoren T24 und T25 abgebildet. Wie beschrieben bildet die p-Dotierung die Basisflächen dieser Transistoren, in die dann die Emitterflächen eingebracht werden. Der zusätzliche Streifen im oberen Transistor stellt den Widerstand R29 dar.

Die Ausgänge des A231 sind mit großen NPN-Transistoren ausgestattet. Der großflächige Kollekorkontakt ist links unter der Metalllage zu erkennen. In der großen Basisfläche befinden sich drei Emitterflächen, in deren Zwischenräumen das Basispotential zugeführt wird.
Im unteren Bereich ist ein Quadrat zu sehen, das einen Treibertransistor darstellt. Der Emitterbereich lässt sich auf anderen Bildern etwas besser erkennen. Zusammen stellen die beiden Transistoren ein Darlington-Paar dar.

Die Doppelstruktur im linken Bereich des Dies realisiert die zwei PNP-Transistoren T31 und T32. Üblicherweise ist die kleinere p-dotierte Fläche in der Mitte einer solchen Struktur der Emitter, hier befinden sich dort die Kollektoren. Das große p-dotierte Rechteck bildet den gemeinsamen Emitter. Die n-dotierte Fläche stellt den Basisbereich dar.
Vom Emitter-Rechteck aus führt ein Streifen zum Transistor T52, der anscheinend von der starken n-Dotierung der NPN-Emitter überlagert ist. Als Pinch-Widerstand liefert diese Struktur einen verhältnismäßig hohen Widerstandswert. Im Schaltplan wird der Widerstand nicht erwähnt.