
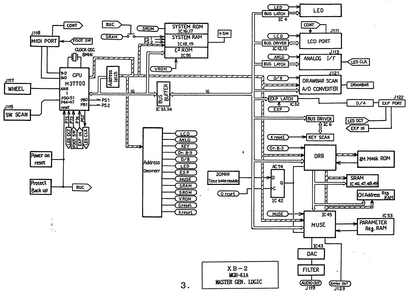
Das Keyboard XB-2 von Hammond Suzuki enthält zwei spezielle ICs, die die Tonerzeugung realisieren. Sie tragen die Bezeichnungen DRB und MUSE. Das obige Blockschaltbild zeigt die beiden Bausteine im rechten unteren Bereich. DRB steht steht für "Digital Rotary Box". Dieser IC liest aus einem ROM-Daten, mit denen Töne erzeugt werden, die typisch sind für einen rotierenden Lautsprecher. MUSE steht für "Multi Stage Envelope". In diesem IC werden die gewöhnlicheren Signalformen erzeugt.

Der DRB-Baustein nutzt ein LQFP-Package mit 100 Pins. Das Logo gehört zu Suzuki. Suzuki hatte die Rechte an der Marke Hammond übernommen. Die Zeichenfolge RF5C156 lässt vermuten, dass der japanische Halbleiterhersteller Ricoh den IC produziert hat. Einige Ricoh-Bauteile tragen ähnliche Bezeichnungen.
Im Gehäuse befindet sich ein Die mit einer Kantenlänge von 6,8mm. Es sind deutlich 36 Zeilen zu erkennen, in denen die benötigte Logik abgebildet ist. Seitlich und in der Mitte verlaufen Versorgungsleitungen für diese Zeilen. In der Rahmenstruktur sind die Schaltungsteile der Ein- und Ausgänge integriert.
Dieses Bild ist auch in einer höheren Auflösung verfügbar: 98MB

Die Beschriftung auf dem Die bestätigt, dass es sich um einen Baustein von Ricoh handelt.

5GV094 ist die Modellbezeichnung der integrierten Schaltung. Der Buchstabe A könnte für die Revision des Designs stehen.

Der 5GV094 ist ein CMOS-Gatearray mit bis zu 9.400 Gates und bis zu 154 IOs. Die minimale Strukturbreite beträgt offenbar 1,2µm.

In der rechten oberen Ecke sind Maskenrevisionen abgebildet. 03 definiert die aktiven Bereiche. 10 formt das Polysilizium der Gate-Elektroden. 17 und 23 sind die beiden Metalllagen. 15 und 21 formen dann wahrscheinlich die Kontakte von den Metalllagen zu den jeweils darunter liegenden Lagen. 18 scheint Öffnungen in der Passivierungsschicht über den Bondpads zu erzeugen.

Die Zahlenfolge 011 lässt sich nicht zuordnen. Vielleicht ist das die Bezeichnung des anwendungsspezifischen Designs.


Jede Zeile besitzt einen Metallrahmen, der die Versorgungspotentiale überträgt. In den Zeilen befinden sich oben p-MOS-Transistoren und unten etwas kürzere n-MOS-Transistoren. Zweimal zwei dieser Transistoren stellen die kleinste Einheit des Gatearrays dar (gelb). Die zwei p-MOS- und die zwei n-MOS-Transistoren teilen sich jeweils einen gemeinsamen Anschluss. Polysiliziumstreifen bilden die Gate-Elektroden. Jeder Streifen erstreckt sich über einen der unteren und einen der oberen MOSFETs. Im mittleren Bereich ist das Polysilizium breiter ausgeführt. Dort kann man das Gate kontaktieren (grün). Die MOSFETs bieten Kontaktbereiche über ihre ganze Länge (rot/blau).
Trotz der zwei Metalllagen kann man die Verschaltung einfachere Gatter erkennen. Mit Öl-Immersion könnte man die Strukturen noch besser auflösen.

In dichteren Bereichen ist es deutlich schwieriger die Verschaltung zu erkennen.

Die 5GV-Serie bietet einige unterschiedliche Logik-Gatter.

Jede Gatter-Familie enthält wiederum einige Varianten.

Unter dem äußeren Metallrahmen sind die Strukturen integriert, die als Ein- oder Ausgang genutzt werden können.