
Der Motorola MC14534 ist ein fünfstelliger Zähler. Der Index C kennzeichnet die langsamere Sortierung, die mit mindestens 0,25MHz arbeiten kann. Die Sortierung A garantiert 0,5MHz. Im Jahr 1975 sind lediglich diese beiden Sortierungen dokumentiert. Das Datenblatt aus dem Jahr 1995 führt dann nur noch den Index B, der dem Index A ähnelt, aber in gewissen Punkten etwas abweicht. So sind die höchsten Taktfrequenzen bei 15V möglich, während die alten Varianten die höchsten Werte bei 10V bieten. Der Index L steht für das keramische Gehäuse, das im Vergleich zu moderneren Bausteinen ungewöhnlich abgerundete Kanten besitzt.

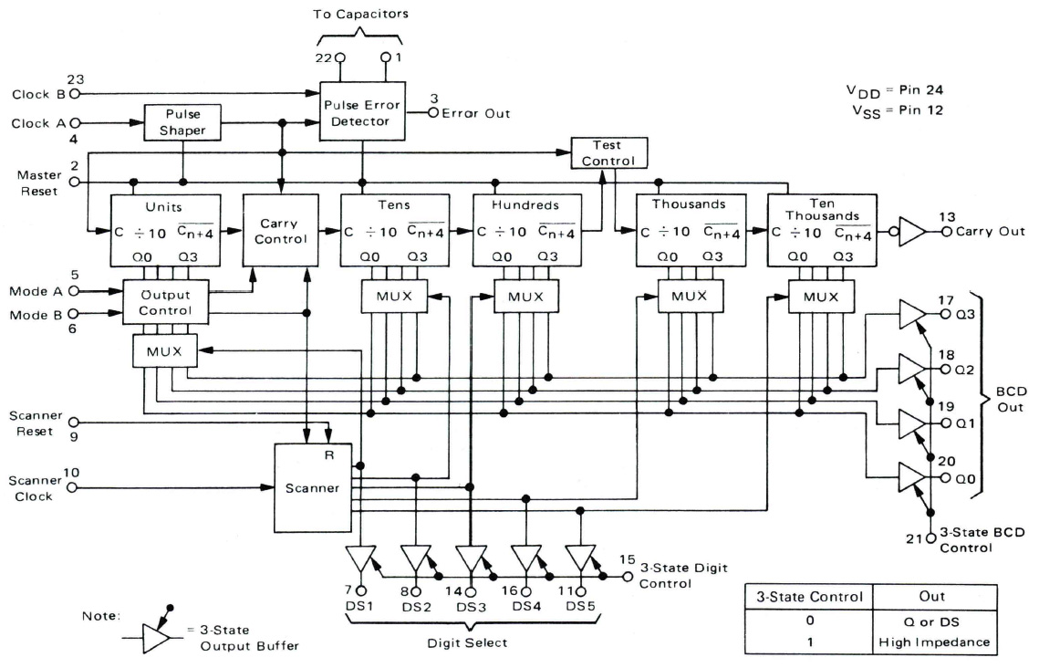
Das Blockschaltbild im Datenblatt zeigt die genaue Funktionalität. Die fünf kaskadierten Zähler geben ihre Werte über eine gemeinsame BCD-Schnittstelle aus. Ein extern zugeführtes Taktsignal steuert die Umschaltung zwischen den Zählern. Fünf Ausgänge können genutzt werden, um zwischen den Ziffern eines Displays umzuschalten.
Die Abmessungen des Dies betragen 3,5mm x 3,3mm. Die einzige Beschriftung ist die Zeichenfolge 9KL in der unteren linken Ecke. Es handelt sich um einen CMOS-Prozess. Man kann die fünf Zähler erahnen. Der sechste, ähnliche Bereich ist wahrscheinlich der Scanner, der das Multiplexing realisiert.
Dieses Bild ist auch in einer höheren Auflösung verfügbar: 13MB