
Der RCA CD4035 enthält ein Schieberegister mit vier Stufen. Hier handelt es sich um die Variante CD4035BK. Die Schieberegister mit dem Index B bieten eine Spannungsfestigkeit von 20V, während der Index A nur 15V erlaubt. Der Index K steht für das sogenannte Flat Package Gehäuse.
Der Baustein befindet sich in einer sehr speziellen Transportverpackung. Darauf ist der Hinweis aufgedruckt, dass es sich um einen MOS-Baustein handelt, der durch elektrische Entladungen sehr schnell beschädigt werden kann. Zwei Ausschnitte ermöglichen einen Blick auf die Ober- und die Unterseite des CD4035.


Die Transportverpackung besteht aus Karton. Eine Kunststoffklammer sorgt dafür, dass der Baustein nicht herausfällt. Die Innenseite der Transportverpackung ist mit Aluminiumfolie ausgekleidet. Darüber werden alle Pins kurzgeschlossen, wodurch sich keine problematischen Spannungen aufbauen können.

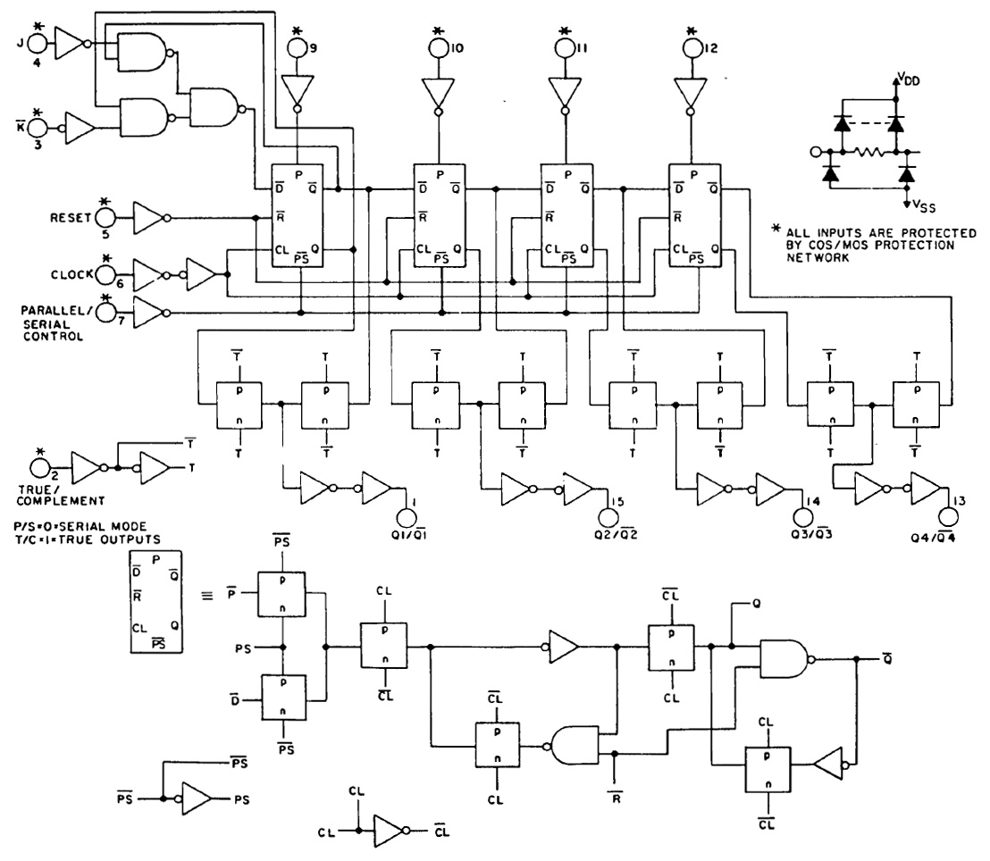
Das Datenblatt enthält einen Blockschaltbild des CD4035. Die vier Schieberegister lassen sich seriell und parallel beschreiben und auslesen.
Die Abmessungen des Dies betragen 2,3mm x 2,2mm. Die Zahlen 10165 an der oberen Kante könnten eine interne Projektbezeichnung sein. An den Kanten finden sich außerdem diverse Hilfs- und Teststrukturen.
Dieses Bild ist auch in einer höheren Auflösung verfügbar: 7MB

Das Datenblatt enthält ein Bild der Metalllage. Dieses Bild stimmt mit den Strukturen auf dem Die überein.