
Der Motorola MC14094B ist ein 8Bit Schieberegister mit Tri-State-Ausgängen. Das Datenblatt bewirbt den Baustein als pinkompatibel mit dem CD4094B.

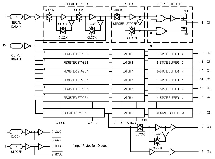
Das im Datenblatt abgebildete Blockschaltbild zeigt den Aufbau des MC1409B. Es sind acht Register in Reihe geschaltet, die ein Schieberegister darstellen. Neben jedem Register ist ein Latch integriert, das eine Tri-State-Endstufe steuert. Am Ende des Schieberegisters werden die Daten über Q s und Qs ausgegeben.


Das Die ist 2,00mm x 1,85mm groß. Die Strukturen unter der Metalllage sind nur schlecht zu erkennen.


Mit den Zeichen 14094B ist die Bezeichnung des Schaltkreises auf dem Die abgebildet. Links daneben befinden sich einige Marker, die es ermöglichen die Ausrichtung der Masken gegeneinander zu überprüfen. Die Bedeutung der Zeichen C60E bleibt unklar.

Die einzelnen Bereiche des MC14094B sind gut zu erkennen. Zwischen den Ausgangs-Bondpads befinden sich die Push-Pull-Endstufen (rot). Den größten Teil der Fläche nehmen die zweimal vier Bereiche ein, die Register, Latch und Treiber für die Endstufen enthalten (lila). Im oberen rechten Bereich ist ein auffällig großer Treiber integriert (grün), der das Taktsignal ausreichend verstärkt, um die vielen Transistoren in der restlichen Schaltung versorgen zu können.


Die Details der Schaltung sind auf Grund des schlechten Kontrasts der unterschiedlichen Bereiche nur schlecht zu erkennen.