
Der AD6C111 ist ein Solid State Relais der amerikanischen Firma Solid State Optronics. Die Isolationsfähigkeit zwischen Ansteuerung und Last beträgt mindestens 5000V. Auf der Eingangsseite befindet sich eine Leuchtdiode. Die Lastseite besitzt eine gewisse Hysterese, so dass das Relais typischerweise bei einem Strom von 1,75mA durch die Leuchtdiode einschaltet und spätestens bei 0,5mA wieder abschaltet. Die Schalter am Ausgang isolieren bis zu einer Spannung von 400V. Im leitenden Zustand dürfen bis zu 120mA fließen. Der Widerstand beträgt typischerweise 17Ω. Zum Einschalten benötigt der Baustein üblicherweise 0,75ms. Beim Ausschalten kann man mit 0,05ms rechnen.

Das Schaltbild im Datenblatt zeigt, dass sich auf der Ausgangsseite zwei antiserielle MOSFETs befinden. Der Pin 5 stellt einen Mittelabgriff dar. Laut Datenblatt handelt es sich um DMOS-Transistoren.

Öffnet man das Gehäuse, so wird eine weiße Masse sichtbar. Darunter befinden sich die Leuchtdiode und die Steuerschaltkreis für die Leistungstransistoren. Die Leistungstransistoren befanden sich in den oberen Ecken des Gehäuses. Die einzelnen Elemente sind jeweils auf eigenen Stanzgitterelementen platziert.

Beim Freilegen der Halbleiter lösen sich sowohl die Leuchtdiode als auch der Steuerschaltkreis.

Die Kantenlänge der Leuchtdiode beträgt nur 0,32mm. Die Oberfläche ist überraschend rau.

Der hier zu sehende Baustein wurde so geöffnet, dass man die Unterseite des inneren Aufbaus sieht. Die beiden Leistungstransistoren sind auf diesem Bild deutlich zu erkennen. Im unteren Bereich sieht man den Träger der Leuchtdiode, der vom Pin 1 in die Mitte führt.


Die Abmessungen der Leistungstransistoren betragen 1,0mm x 1,1mm. Die Zeichen VF05 sind ein Hinweis um welchen Transistortyp es sich handelt.

Die Datenbücher des amerikanischen Halbleiterherstellers Supertex enthalten Bilder eines MOSFET-Designs, das genau zum vorliegenden Die passt. Dieses Design kam demnach für mehrere DMOS-Transistoren zum Einsatz und trägt die Bezeichnung VF05.

Nach dem Herausnehmen des Steuerschaltkreises kann man gut erkennen, dass das weiße Material nur eine Schutzschicht ist, die eine klare Vergussmasse umgibt.

Das klare Vergussmaterial dient als Lichtleiter zwischen der Leuchtdiode und dem Steuerschaltkreis.


Der Steuerschaltkreis ist 1,6mm x 1,3mm groß.

Einen Großteil der Fläche nehmen vierzehn in Serie geschaltete Photodioden ein. Die Photodioden erfüllen eine Doppelfunktion. Sie empfangen das Licht der Leuchtdiode, dienen so als Empfänger für das Steuersignal und erzeugen daraus gleichzeitig die notwendige Energie zum Betrieb der Schaltung. Die aktiven Bereiche der Photodioden haben eine Kantenlänge von 0,25mm.

Die Isolationsrahmen erinnern an den TP1322. Sie sind sehr dünn, besitzen abgerundete Ecken und ihre Oberflächen sind strukturiert. Das könnte dafürsprechen, dass der AD6C111 eine dielektrische Isolation besitzt.

Das Die besitzt zwei Metalllagen. Die obere Metalllage dient hauptsächlich dazu Teile der Schaltung abzuschatten, damit das Licht der Leuchtdiode nicht zu ungewollten Stromflüssen führt.
Entfernt man die Metalllage, so wird die Funktionsweise der Schaltung klarer.
Dieses Bild ist auch in einer höheren Auflösung verfügbar: 25MB

Die große Struktur im unteren Bereich sticht optisch heraus. Es handelt sich um einen in Schleifen verlegten Widerstand. Unter dem Widerstand sind verschiedene Elemente zu erkennen. Es scheint sich dabei lediglich um Teststrukturen zu handeln.


Zwei ungenutzte Strukturen, hier links im Bild, zeigen den typischen Aufbau von NPN-Transistoren. Ein länglicher, hellgrüner Streifen ist stark n-dotiert und bildet den Kollektorkontakt für die etwas schwächer n-dotierte Kollektorfläche. Darin ist die p-dotierte Basisfläche eingebracht, in der sich letztlich wieder eine hellgrüne, starke n-Dotierung befindet, die den Emitter darstellt.
Die beiden länglichen Elemente in der Mitte sind ebenfalls NPN-Transistoren. Obwohl die Emitterfläche nicht allzu groß ist, hat man die Basisfläche übermäßig groß ausgeführt. Es fehlt dafür ein Kontaktfenster für das Basispotential. Die beiden Transistoren sind so konstruiert, um möglichst viel einfallendes Licht aufzunehmen.
Die Strukturen, die im rechten Bereich von der zweiten Metalllage verdeckt waren, lassen sich nicht sofort ihrer Funktion zuordnen. Es handelt sich um zwei Transistoren, die sich eine n-dotierte Wanne teilen. Der obere Transistor ist ein NPN-Transistor. Seine Emitterfläche ist kaum zu erkennen. Die unteren runden Strukturen stellen einen PNP-Transistor dar.


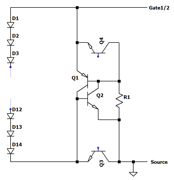
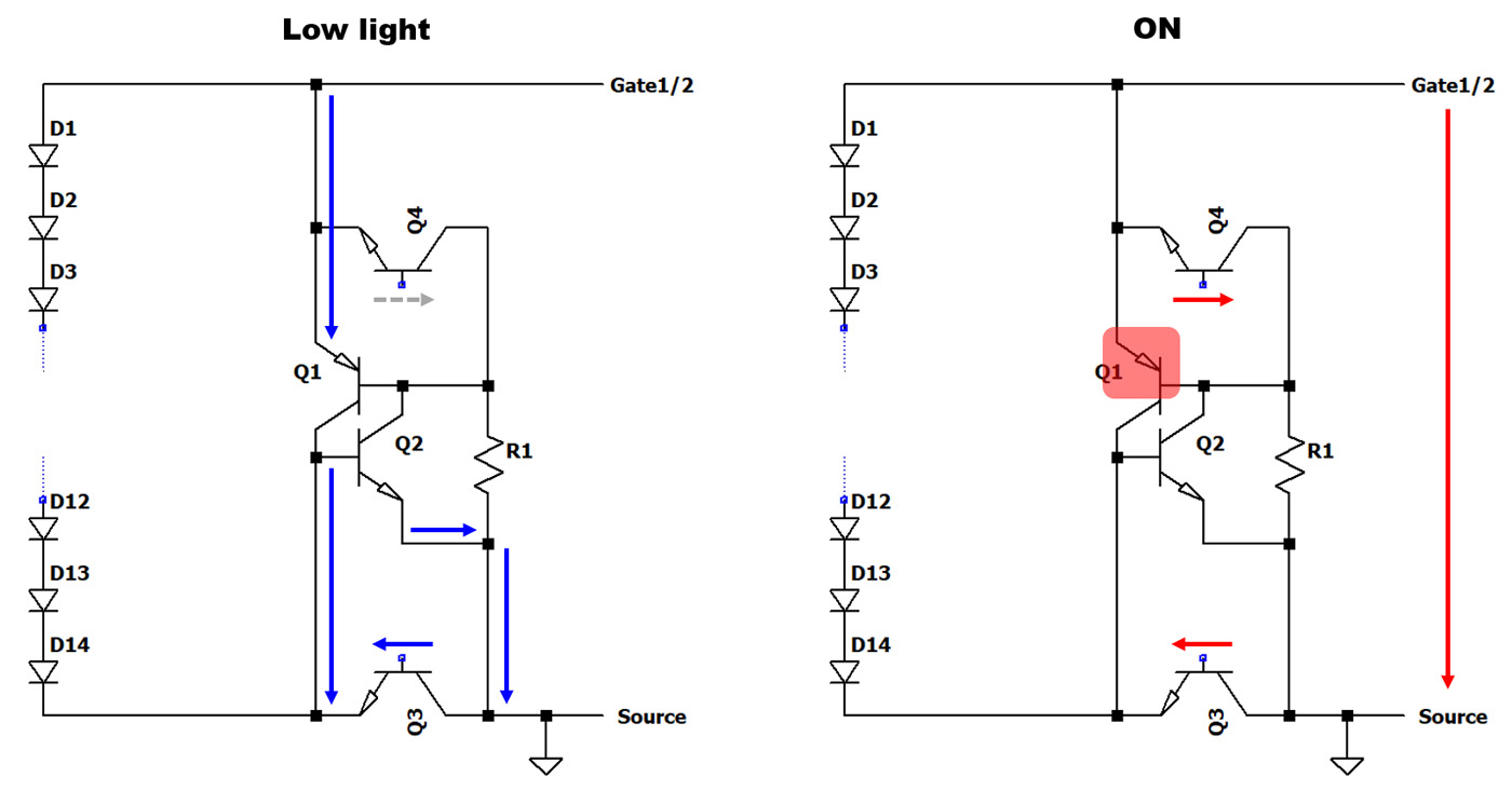
Die Schaltung ist nicht allzu komplex, enthält aber einige Besonderheiten. Die Transistoren Q1 und Q2 bilden einen Thyristor. Die zweite Metalllage deckt die Transistoren ab, um eine Beeinflussung durch einfallendes Licht zu verhindern.

Die integrierte Schaltung sorgt für ein sauberes Schaltverhalten des Optokopplers. Solange die LED nur etwas Licht abgibt, ist offenbar der Thyristor Q1/Q2 leitend und schließt damit den Strom der Photodioden kurz. Q3 muss dabei durch den Lichteinfall schon ausreichend leitend sein, um diesen Stromfluss zu ermöglichen. Ein allzu hoher Strom muss darüber allerdings nicht fließen.
Ab einem gewissen Lichtstrom wird Q4 so leitend, dass er den Basis-Emitter-Strom des Transistors Q1 effektiv ableiten kann. Q4 arbeitet dabei invers. Eine Stromverstärkung ist im inversen Betrieb quasi nicht vorhanden. Von besonderem Interesse ist hier aber die deutlich niedrigere Sättigungsspannung. Sie garantiert, dass die Basis-Emitter-Spannung des Transistors Q1 nicht mehr überschritten wird, entsprechend kein Basisstrom mehr fließt und der Thyristor abschaltet. In der Folge gibt die Schaltung die Spannung der Diodenkette aus und die Leistungstransistoren werden leitend.
Bei einem geringen Lichtstrom ist der Stromverstärkungsfaktor des Transistors Q4 eine notwendige Eigenschaft. So kann über Q4 noch nicht genug Strom abfließen, um den Thyristor zu deaktivieren. Durch Q3 fließt der Strom dagegen in der üblichen Richtung vom Kollektor zu Emitter, wodurch der Stromverstärkungsfaktor normal hoch ist und damit der Emitterstrom von Q2 zu den Photodioden zurückfließen kann. Warum genau der Transistor Q3 überhaupt notwendig war, kann man nicht mit letzter Sicherheit sagen.