
Der XR2206 ist ein Funktionsgenerator von Exar, der einen Frequenzbereich von 0,01Hz bis 1MHz abdeckt. Der Baustein kann einen Sinus, ein Rechtecksignal, ein Dreiecksignal und eine Rampe erzeugen. Dabei kann man Amplitude, Frequenz und Tastgrad modulieren. Die Versorgungsspannung darf sich in einem Bereich zwischen 10V und 26V bewegen.

Im Datenblatt zeigt ein Blockschaltbild die integrierten Funktionsblöcke. Grundlage bildet ein VCO, ein spannungsgesteuerter Oszillator. Die Taktfrequenz definieren ein externer Kondensator an den Pins 5 und 6 und externe Widerstände an den Pins 7, 8 und 9. Mit einem Kapazitätswert kann man einen Frequenzbereich von 2000:1 überstreichen. Über die Eingänge 7, 8 und 9
Das Rechtecksignal wird direkt ausgegeben. Der VCO speist außerdem einen Sinuskonverter. Die Verbindung ist nicht dargestellt. Abhängig von der Stellung des Schalters S1 liefert der Funktionsblock ein Dreieck- oder ein Sinussignal. Über die Pins 15 und 16 lässt sich die Symmetrie des Signals einstellen. R3 beeinflusst den Pegel des Dreiecks- oder Sinussignals.

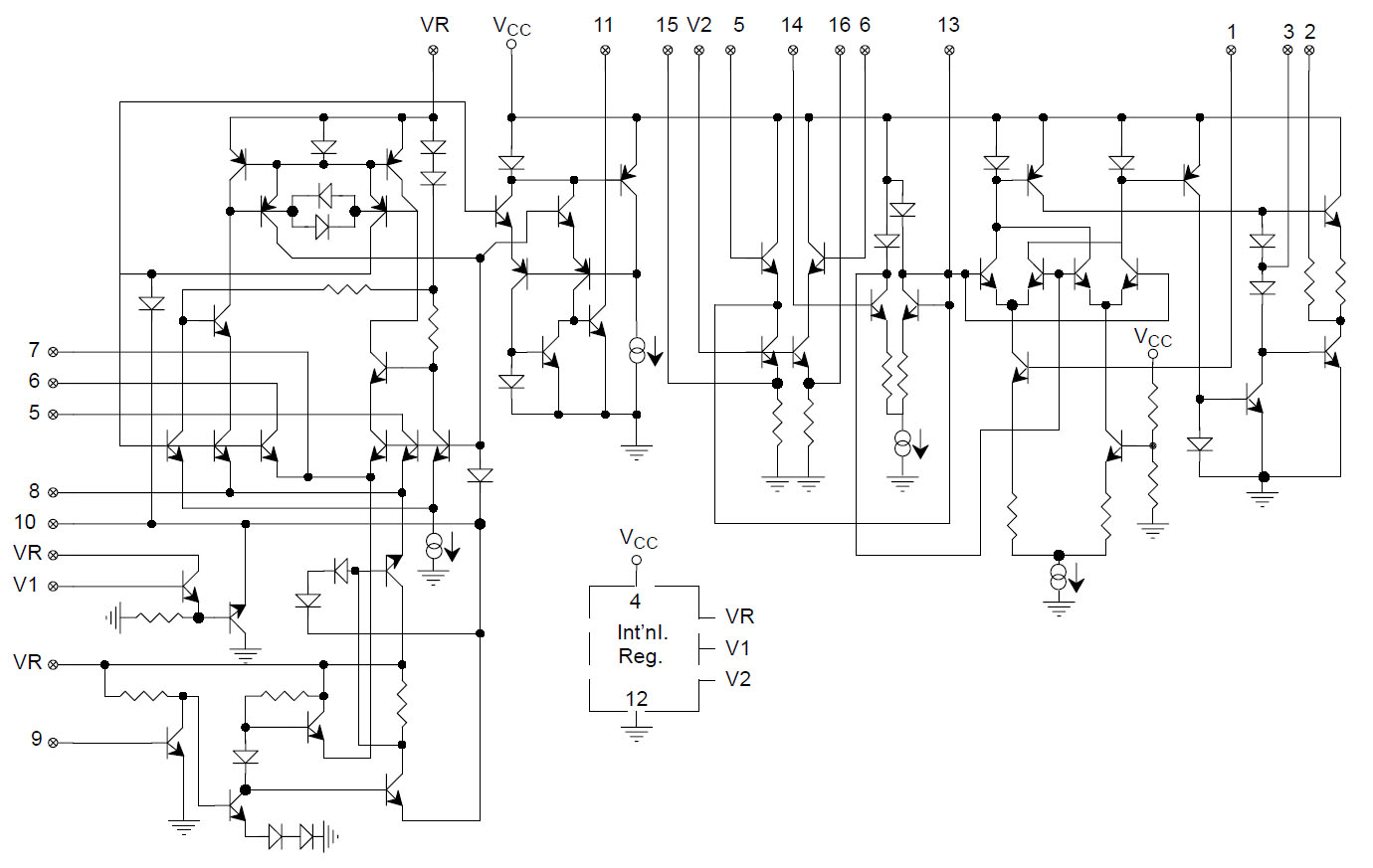
Das Datenblatt enthält auch einen vollständigen Schaltplan des XR2206.


Die Abmessungen des Dies betragen 2,6mm x 2,2mm. In der Metalllage ist die Bezeichnung 2206 abgebildet. Die Zahlen 05 in der oberen rechten Ecke lassen sich nicht direkt zuordnen, vielleicht handelt es sich um einen Revisionszähler. Im Silizium findet sich zusätzlich die Zeichenfolge M5145. Vielleicht wird das Grunddesign auch für einen anderen Bausteine verwendet. Dafür würde sprechen, dass einige Elemente im XR2206 nicht verwendet werden.

Die nicht kontaktierten Elemente und die großen Strukturen ermöglichen einen sehr klaren Blick auf die Strukturen der verschiedenen Komponenten.