
Der P6461 ist ein aktiver Differenztastkopf von Tektronix, der in Kombination mit dem Interface 92A16 in einem DAS9200 Logic Analyzer eingesetzt wird. Die Schaltschwelle des Tastkopfs kann zwischen -5V und 5V konfiguriert werden. Die Eingangskapazität beträgt weniger als 2,5pF. Die maximale Arbeitsfrequenz liegt bei 200MHz. Der aktive Teil befindet sich in einem durchsichtigen Kunststoffgehäuse, das in zwei Buchsen endet, die auf eine Stiftleiste gesteckt werden können. Der Differenztastkopf ist über einen Folienleiter mit dem Interface 92A16 verbunden.


Im Kunststoffgehäuse befindet sich ein Keramikträger.


Versorgt wird der P6461 mit +/-15V (rot/schwarz). Das positive Versorgungspotential ist doppelt an den Folienleiter angebunden, so dass es auf zwei Seiten als Schirm für das differentielle Ausgangssignal (rosa) dient. Die zwei Leitungen zur Einstellung der Schaltschwelle (hellgrün/dunkelgrün) sind so angeordnet, dass sie durch die Versorgungspins geschirmt werden.

Zwischen den beiden Kontaktzungen befindet sich eine Kurzschlussleitung, die durchtrennt wurde. Der Kurzschluss hat während der Fertigung zwei positive Auswirkungen. Zum einen schützt er den Komparator vor elektrostatischen Entladungen. Zum anderen ist so sichergestellt, dass am Eingang ohne weitere Kontaktierung und damit auch ohne potentielle Gleichtaktstörungen genau 0V anliegen, was den Abgleich erleichtert.
Auf einen kleinen Widerstand direkt am Eingang folgt in den zwei Pfaden jeweils eine Parallelschaltung aus einem abgeglichenen Widerstand und einem Kondensator, der mit einzelnen Streifen der Metalllage aufgebaut ist.

Die Potentiale zur Einstellung der Schaltschwelle werden von Keramikkondensatoren gepuffert und über abgeglichene Widerstände mit dem Eingangssignal verknüpft. Der folgende Komparator wertet das Summensignal aus.

Seitlich betrachtet sind die Furchen zu erkennen, die beim Abgleich der Widerstände entstanden. Die untere Unterbrechung ermöglicht ein einmaliges, schnelles Erhöhen des Widerstandwertes. Über den breiten Widerstandsstreifen erfolgt danach der Feinabgleich.

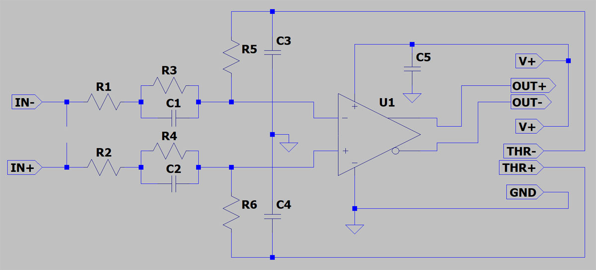
Insgesamt ergibt sich der vorliegende Schaltplan. Die Widerstände R3/R4 stellen die Eingangswiderstände des Komparators dar. Die Kondensatoren C1/C2 passen, wie bei einem Oszilloskoptastkopf, die Impedanz der Widerstände an die folgende Schaltung an, was die Hochfrequenzeigenschaften optimiert. Die kleinen Widerstände R1/R2 reduzieren Reflektionen beim Übergang vom zu vermessenden System zum Tastkopf.
Über die Widerstände R5/R6 kann die Schaltschwelle des Komparators eingestellt werden. Würden das Messsystem und das zu vermessende System mit dem selben Bezugspotential arbeiten, so wäre es für eine Einstellung der Komparatorschaltschwelle ausreichend ein passendes Vergleichspotential bereitzustellen. Da man aber davon ausgehen kann, dass die Bezugspotentiale zwar ähnlich, aber keineswegs gleich sind, muss man dem Komparator ein differentielles Steuersignal zuführen (THR+/THR-). Die Kondensatoren C3/C4 stabilisieren die Potentiale.
Der Operationsverstärker U1 dient letztlich als Komparator und liefert ein differentielles Ausgangssignal.


Der Komparator trägt die Bezeichnung M363A. Unter dieser Bezeichnung finden sich allerdings keine weiteren Infromationen.
Das Die ist relativ übersichtlich. Drei isolierte und ein nicht kontaktiertes Bondpad sprechen dafür, dass mit diesem Design auch andere Funktionen dargestellt werden konnten.

Innerhalb eines Quadrats sind zehn Masken abgebildet. Die Striche über den Zahlen 1, 4 und 5 in der zweiten Zeile können den Eindruck erwecken, dass diese Masken während der Produktion des Schaltkreises ein zweites mal invers eingesetzt wurden. Dagegen spricht allerdings, dass die untere Maske 4 die Metalllage darstellt. Es ist äußerst unwahrscheinlich, dass zur Strukturierung der Metalllage eine andere Maske wiederverwendet werden konnte.

Die Strukturen sind noch relativ groß und nicht allzu hoch integriert, was eine genauere Analyse erleichtert. Der weiß markierte Block wird im vorliegenden Design nicht genutzt. Die Eingangsstufe des Komparators ist hellgrün hinterlegt. Darauf folgt eine weitere Verstärkerstufe (hellblau) und ein größerer Schaltungsteil zur Arbeitspunkteinstellung (lila). Es folgt eine weitere Verstärkerstufe (gelb), eine Treiberstufe (rosa) und am Ausgang letztlich eine ECL-Endstufe (rot).

Die Eingangssignale treffen auf jeweils zwei seriell geschaltete Überspannungsschutzdioden (schwarz). Über zwei Widerstände werden die Signale zur ersten Verstärkerstufe geführt (grün). Die vielfachen Anbindungen an das Versorgungspotential, die sich auch über die weiteren Verstärkerstufen erstrecken, ermöglichten es wahrscheinlich die Arbeitspunkte der Verstärker relativ einfach über eine Variation der Metalllage anzupassen.
Auf dem ganzen Die finden sich immer wieder ungenutzte Strukturen, wie hier zwei Transistoren.

Auch in der zweiten Verstärkerstufe (blau) und der Arbeitspunkteinstellung (lila) sind diverse Vorhalte zu erkennen.

Der gelbe Schaltungsteil steuert zwei Treibertransistoren (rosa), die zwei größere ECL-Endstufentransistoren (rot) aussteuern.

Der Zweck des ungenutzten, in der Übersicht weiß markierten Schaltungsteils lässt sich nicht mit letzter Sicherheit klären. Einer der Eingänge ist mit diesem Schaltungsteil verbunden (Pfeil). Dazu kommt ein ungenutztes Bondpad (unten). Ansonsten sind abgesehen von den Versorgungspotentialen keinerlei weiteren Verbindungen zu erkennen. Es scheint, dass über das ungenutzte Bondpad eines der Eingangssignale beeinflusst werden kann. Wahrscheinlich bietet der IC einen Vorhalt zur direkten Einstellung der Schaltschwelle. Diese Option ist aber nur praktikabel, solange die Bezugspotentiale von Messsystem und zu vermessenden System die selben sind.