
Der Intersil ICM7226A ist ein vollintegrierter Frequenzzähler, der Frequenzen bis zu 10MHz bestimmen kann. Der Baustein mit dem Index A ist darauf ausgelegt 7-Segment-Anzeigen mit gemeinsamer Kathode zu treiben. Der ICM7226B treibt dagegen 7-Segment-Anzeigen mit gemeinsamer Anode.

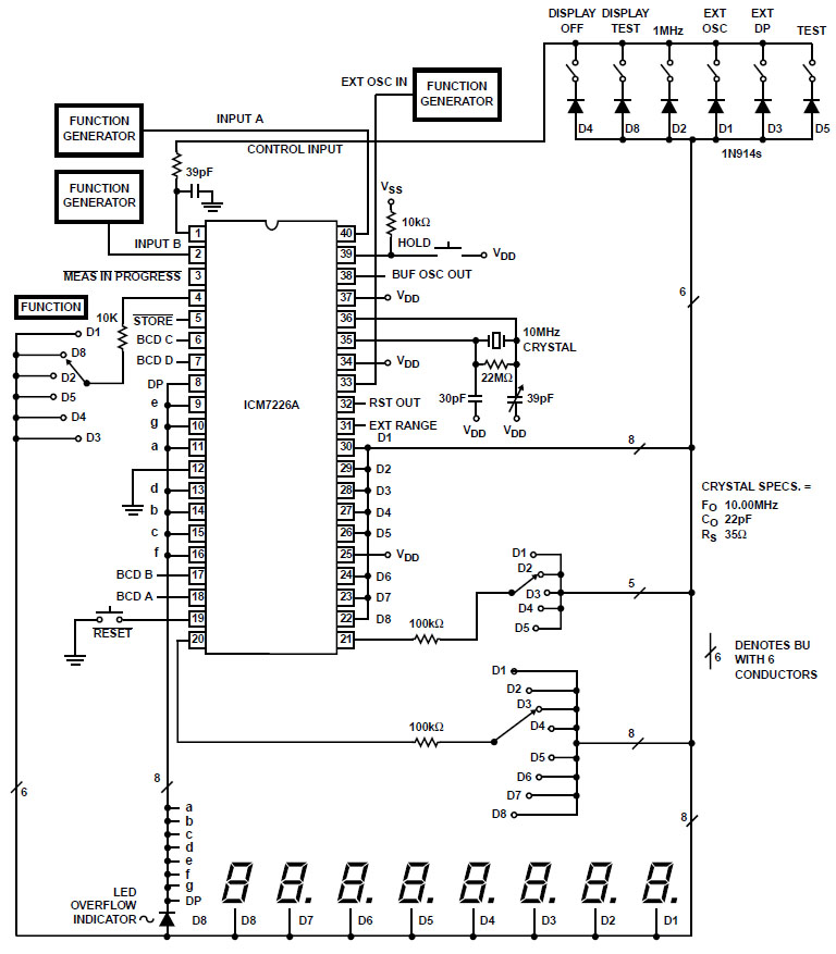
Die im Datenblatt dargestellte Testschaltung zeigt wie effizient der ICM7226 aufgebaut ist. Der Baustein enthält einen Oszillator und treibt direkt acht 7-Segment-Anzeigen. Die Ausgänge, die die einzelnen Digits multiplexen, werden gleichzeitig genutzt, um die Funktionsauswahl und den Zählbereich einzulesen.

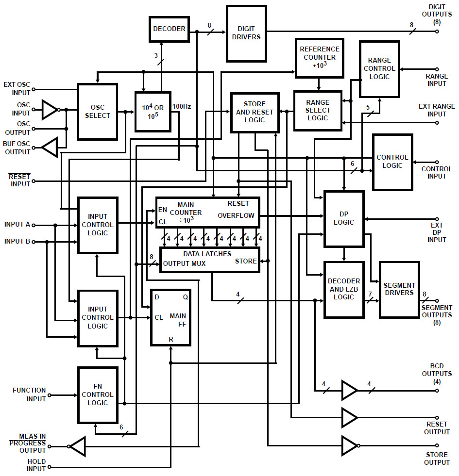
Das Datenblatt des ICM7226 enthält ein ausführliches Blockschaltbild, das die Funktionsweise des Bausteins aufzeigt.
Die Abmessungen des Dies betragen 4,3mm x 4,1mm. Das Bild ist in Originalgröße verfügbar: 29MB Es zeigt sich, dass das Design zwei zusätzliche Bondflächen bieten würde. Allerdings besitzen diese Bondflächen keine Metallisierung, sie können folglich nur beim Einsatz einer anderen Metalllage genutzt werden.
An der oberen Kante befindet sich die Lowsidetransistoren, die die Segmente der aktiven 7-Segment-Anzeige ansteuern. In der unteren linken Ecke befinden sich die Highsidetransistoren, die jeweils eine der 7-Segment-Anzeigen aktivieren. Im Kern des ICM7226 sind immer wieder sich wiederholende Strukturen zu erkennen. Ein Großteil dieser Bereiche dürfte Frequenzteiler enthalten, von denen man sehr viele benötigt.

In der oberen rechten Ecke sind Teststrukturen integriert. Daneben befinden sich Zeichenfolgen, die unter anderem die Initialen der Entwickler sein könnten.

In der rechten unteren Ecke sind die Revisionen von sechs Masken zu erkennen. Darunter ist die Bezeichnung ICM7226 abgebildet. Y scheint die Revision des Designs zu sein. Das Y findet sich mehrfach auf dem Die. Geht man davon aus, dass von Z aus zurück gezählt wird, dann handelt es sich hier um eine zweite Revision.
Bei genauerer Betrachtung erkennt man, dass an der Stelle der zweiten 2 in einer tieferen Lage eine 1 abgebildet ist. Das spricht dafür, dass das Design für den ICM7226 und gleichzeitig für den ICM7216 genutzt werden konnte. Man musste dazu lediglich die Metalllage wechseln.

Der ICM7216 bietet durch sein kleineres Gehäuse etwas weniger Schnittstellen, vor allem fehlt die BCD-Ausgabe. Ansonsten handelt es sich um den gleichen Baustein. Es ist daher durchaus sinnvoll den ICM7216 und den ICM7226 mit dem gleichen Schaltkreis zu bedienen.