
Der PT6596 ist ein LCD-Treiber ähnlich dem PT6523. Auch der PT6596 wird in Backöfen von BSH eingesetzt und fällt auffällig oft aus.

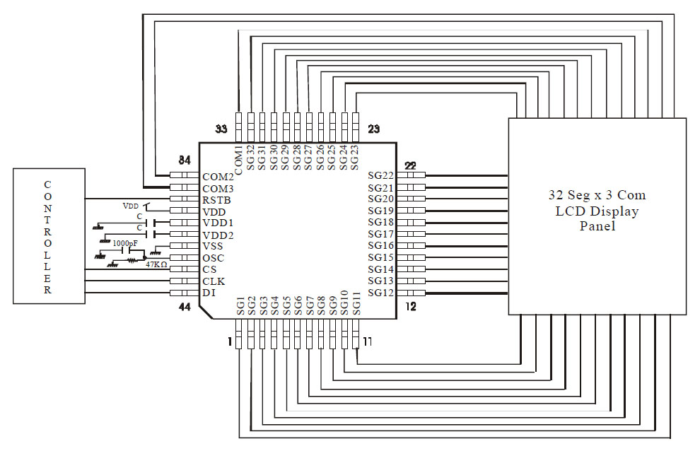
Der PT6523 und der PT6596 sind sehr ähnlich. Der PT6596 kann allerdings nur 96 Segmente ansteuern.
Die Abmessungen des Dies im PT6596 betragen 1,7mm x 1,6mm. Wie beim PT6523 sind hinter den Bondpads die Endstufen platziert. Im Inneren des Dies befindet sich die Steuerungslogik. Es sind vier ähnliche Blöcke zu erkennen, die anscheinend die Ansteuerung der 32 Segmente realisieren. Im Zentrum und im oberen Bereich ist weitere Logik integriert. Dort finden sich außerdem die notwendigen Hilfsschaltungen.
Dieses Bild ist auch in einer höheren Auflösung verfügbar: 13MB

PTC612A scheint die interne Projektbezeichnung zu sein. Darunter sind acht Masken abgebildet.

Der PT6596 scheint unter den gleichen Prozessproblemen zu leiden wie der PT6523. Auch hier lösen sich Schichten ab.



Die Treiber zeigen verschieden starke Auflösungserscheinungen. Auf dem letzten Die hat sich wie beim PT6523 die oberste Metalllage im inneren Bereich vollständig abgelöst.