

Der MN3208 ist ein von Matsushita (später Panasonic) entwickeltes Bucket Brigade Device mit 2048 Speicherzellen. Es wird im Audio-Bereich für Echo-Effekte genutzt. Das Datenblatt beschreibt das Gehäuse als "Special 8-DIP". Es handelt sich dabei um ein DIL14-Gehäuse, bei dem auf jeder Seite drei Pins fehlen.

Der Panasonic Semiconductor Selection Guide von 1990 zeigt die verschiedenen verfügbaren BBD-Varianten. Die ersten BBDs gehörten zur MN3000-Reihe. Als PMOS-Schaltkreise arbeiten sie mit einer relativ hohen negativen Spannung. Später wurde die MN3200-Reihe entwickelt, die nur noch eine 5V-Versorgungsspannung benötigte. Die MN3300-Reihe kommt mit 3V aus.
Für jede BBD-Reihe wurde ein passender Taktgenerator angeboten: MN3101, MN3102 und MN3105.

Das Schaltbild im Datenblatt entspricht, abgesehen von der unterschiedlichen Speichertiefe, dem Schaltbild im Datenblatt des Coolaudio V3205 / Shanghai Belling BL3205. Es fällt auf, die Art der Darstellung, die Symbole und der Zeichensatz sogar absolut gleich sind. Die Funktionsweise des BBD ist im Rahmen der Dokumentation des Coolaudio V3205 / Shanghai Belling BL3205 beschrieben.

Das Die hat eine Kantenlänge von 4,0mm. In Bezug auf die Anordnung der Elemente ist der MN3208 dem Coolaudio V3205 / Shanghai Belling BL3205 sehr ähnlich.

In der linken unteren Ecke ist die Bezeichnung 3208 abgebildet. Darunter befindet sich eine größere Teststruktur.



In den Ecken sind mehrere Strukturen abgebildet, die eine Überwachung des Herstellungsprozesses ermöglichen. In den linken Ecken befinden sich jeweils sechs Symbole, die mit sechs verschiedenen Masken dargestellt werden. In der oberen rechten und in der unteren linken Ecke sind jeweils zwei größere Quadrate abgebildet, die aus verschiedenen Ebenen aufgebaut sind. In allen Ecken befinden sich heterogene, rechtwinklig angeordnete Linien, worüber man eine Verschiebung einer Maske deutlich erkennen kann.
Die Zahlen in der rechten unteren Ecke stehen vermutlich für die jeweilige Revision der sechs Masken. Demnach mussten zwei Masken zweimal überarbeitet werden.

Die Teststruktur enthält vier Transistoren. Die Sourcepotentiale sind mit dem rechten Testpad verbunden, das außerdem das Substrat kontaktiert. Die linken und die rechten beiden Transistoren teilen sich jeweils ein Gatepotential.
Alle vier Transistorstrukturen sind unterschiedlich aufgebaut. Der erste Transistor arbeitet im aktiven Bereich anscheinend mit dem Substratmaterial. Als Gateelektrode wird Polysilizum verwendet. Beim zweiten Transistor, bei dem sich im aktiven Bereich ebenfalls das Substratmaterial befindet, stellt die Metalllage die Gateelektrode dar. Wie sich gleich noch zeigen wird, dient diese Konstruktion als ESD-Schutz. Höchstwahrscheinlich handelt es sich bei beiden Transistoren um NMOSFETs. Der vierte Transistor basiert anscheinend auf einer durchgehenden lila Fläche. Es könnte sich damit um einen komplementären Transistor, einen PMOSFET handeln. Der dritte Transistor ist ähnlich aufgebaut wie der vierte Transistor. Im Gatebereich meint man allerdings auf beiden Seiten Einkerbung erkennen zu können.

In der oberen linken Ecke treffen das Taktpotential CP2 und das Bezugspotential GND ein. Wie beim Coolaudio V3205 / Shanghai Belling BL3205 durchläuft das CP2-Potential einen kleinen Widerstand und mündet dann in einer großen Fläche, die höchstwahrscheinlich als Schutzdiode vor negativen Spannungen dient.

Im Detail betrachtet zeigt sich, dass die Struktur am CP2-Eingang nicht nur einen C-förmigen Widerstand enthält, sondern auch einen ESD-Schutz darstellt. Die Metalllage, die nach rechts führt, dient der Weiterleitung des Taktsignals, agiert aber auch als Gateelektrode zwischen dem Widerstandsmaterial und dem lila Streifen. Es bildet sich ein MOSFET aus, der im normalen Betriebsspannungsbereich sperrt. Unter der Metall-Gateelektrode befindet sich eine dickere Siliziumoxidschicht als unter den sonst verwendeten Polysilizium-Gateeltrkoden. Das dickere Gateoxid erhöht die Thresholdspannung, so dass der Transistor erst bei abnormal hohen Spannungen, zum Beispiel bei ESD-Ereignissen leitend wird. Die eintreffende Ladung wird dann zum Substrat hin ableitet.

In der rechten oberen Ecke kontaktieren das Vgg-Potential und das Eingangssignal das Die. Das Vgg-Potential besitzt die gleiche ESD- und Unterspannungsschutzschaltung wie das CP2-Taktsignal.

Die Eingangsbeschaltung entspricht grundsätzlich dem Schaltbild im Datenblatt. Die Strukturen innerhalb des Kondensators Cgnd scheinen so ausgelegt worden zu sein, dass die Kapazität noch mit kleinen Änderungen der Masken variiert werden kann.
Nicht im Schaltbild dargestellt ist die Struktur, die hier als Qgnd bezeichnet ist. Wo der Widerstand Rin wieder in die Metalllage übergeht, ist er parallel zur GND-Fläche der Vgg-Schutzstruktur geführt. Das Vgg-Potential ist mit der unteren Fläche der Schutzstruktur verbunden. Diese Fläche wurde bis zum Widerstand Rin verlängert und erzeugt einen lila Streifen, wo sich höchstwahrscheinlich ein Zwischenraum zwischen dem GND- und dem Eingangspotential befindet. An dieser Stelle scheint sich ein MOSFET auszubilden, der dann als Pull-Down-Widerstand agiert.

Jede BBD-Zelle nimmt eine Fläche von ungefähr 77µm x 72µm ein. Sie sind grundsätzlich gleich aufgebaut wie die Zellen des Coolaudio V3205 / Shanghai Belling BL3205. Lediglich die Proportionen unterscheiden sich etwas.

In der rechten unteren Ecke des Dies befinden sich die Bondpads für das CP1-Taktsignal und das Vdd-Versorgungspotential. Der CP1-Eingang ist mit den gleichen Schutzstrukturen ausgestattet wie der CP2-Eingang.

In der linken unteren Ecke befinden sich die beiden Ausgänge des BBDs. Sie werden üblicherweise zusammengeführt, da immer nur jede zweite BBD-Zelle einen Teil des Nutzsignals enthält. Die direkt davor und dahinter liegenden Speicherplätze sind prinzipbedingt "leer".

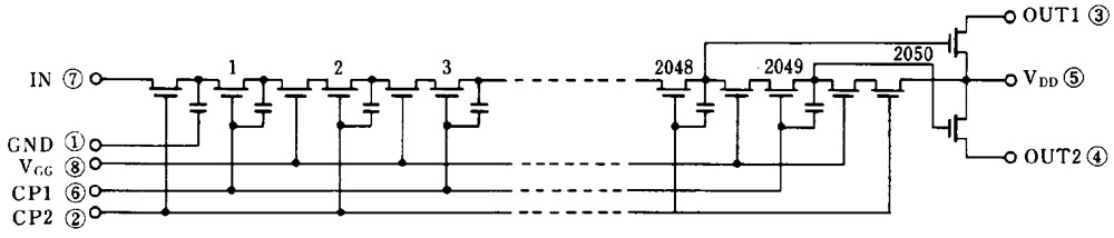
Wie im Datenblatt beschrieben, bedient die vorletzte BBD-Zelle 2048 den Ausgang 1 und die BBD-Zelle 2049 ist an den Ausgang 2 angebunden. Die Neutralisationsschaltung am Ende der BBD-Kette, die die Ladungen zum Vdd-Potential hin abführt, ist deutlich zu erkennen. Auch an dieser Stelle wurde mit einem an das Vgg-Potential angebundenen Transistor eine Kaskodenschaltung aufgebaut.
Die zwei Ausgänge werden von den Transistoren Qout1 und Qout2 angesteuert. In deren Gate-Zuleitungen finden sich kurze Polysiliziumstreifen, die an das Vdd-Potential angebunden sind. Der optischen Erscheinung nach stellen diese Streifen lediglich kleine Kapazitäten dar. Im Datenblatt findet sich kein Hinweis auf diese Kondensatoren. Ein Ladungsspeicher erscheint im Hinblick auf den sehr viel größeren BBD-Kondensator sinnlos. Wahrscheinlicher ist, dass die kleine Kapazität mit Bezug zum Versorgungspotential Oszillationen der Ausgangstransistoren unterdrücken soll.
Vor den Bondpads Out1, Out2 und Vdd sind Widerstände eingeschleift, die vermutlich eine gewisse Schutzfunktion für die integrierte Schaltung darstellen.