
RCA hatte mit dem CD74HCT4067E einen 16-Kanal-Analogmultiplexer/Demultiplexer im Programm. Der HCT-Typ ist spezifiziert für eine Versorgungsspannung von 4,5V bis 5,5V und schaltet dabei eine Analogspannung im Bereich zwischen 0V und der Versorgungsspannung. Den typischen Widerstand der Schalter gibt das Datenblatt mit 70Ω an. Die -3dB-Bandbreite liegt bei 89MHz. Die Schaltverzögerung bewegt sich im zweistelligen Nanosekundenbereich. Die Dämpfung eines abgeschalteten Schalters liegt bei -75dB. Die Eingangskapazität beträgt dann 5pF über den Schalter und 50pF zum Massepotential.

Die Abmessungen des Dies betragen 2,7mm x 2,3mm.

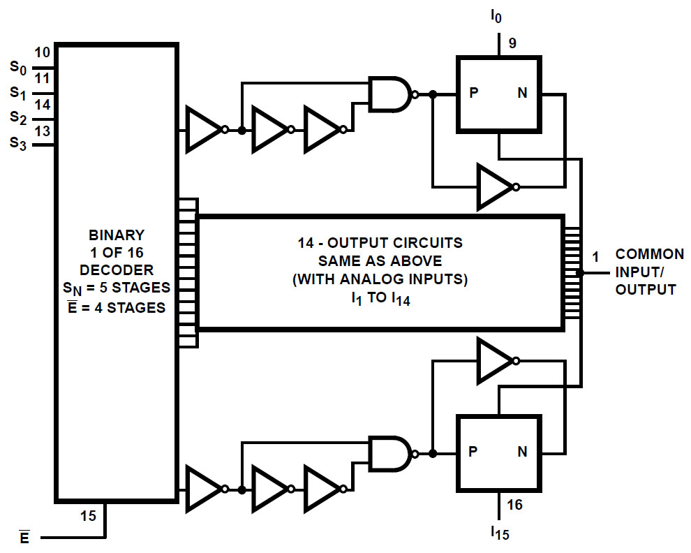
Im Datenblatt ist ein Blockschaltbild abgebildet, das den Aufbau des Analogschalters zeigt. Die Potentiale der vier Eingänge S0-S3 werden in sechzehn Steuersignale gewandelt. Über den Eingang E lassen sich die Analogschalter deaktivieren.
Eine aktiviertes Steuerleitung durchläuft mehrere Inverter und ein UND-Gatter. Der Aufbau erzeugt eine gewisse Einschaltverzögerung, während das Abschalten schneller erfolgt. Dieses Verhalten garantiert, dass nicht zwei Analogschalter gleichzeitig aktiv sind. Aus den im Datenblatt angegebenen Ein- und Ausschaltzeiten lässt sich eine Verzögerung von 4ns herauslesen.
Der Analogschalter selbst besteht aus einem p-Kanal- und einem n-Kanal-MOSFET, was über den kompletten Eingangsspannungsbereich einen einigermaßen gleichbleibenden Widerstand garantiert. Ein Inverter erzeugt das inverse Steuersignal für den n-Kanal-MOSFET.

Die einzelnen Schaltungsteile lassen sich auf dem Die gut identifizieren. Rechts befindet sich die Signalaufbereitung für die Steuersignale S0-S3 (rot) und das Enable-Signal (gelb). Mittig werden die vier Steuersignale in sechzehn Steuersignale gewandelt (blau). Die Steuersignale sind mit den Treibern I0-I15 verbunden (lila), die die Analogschalter aktivieren können. Im Außenbereich sind die eigentlichen Analogschalter SW0-SW15 integriert (grün).
Der äußere Rahmen führt das Versorgungspotential Vcc, dass sehr niederohmig mit den Analogschaltern verbunden ist. Ebenfalls deutlich zu erkennen ist die niederohmige Sammelleitung, die von den Analogschaltern zum gemeinsamen IN/OUT-Bondpad führt.

I3706B oder 13706B dürfte die interne Bezeichnung des Designs sein.

Die Eingangsbondpads besitzen eine Schutzbeschaltung, die das Eingangspotential auf den Versorgungsspannungsbereich begrenzt. Rechts befindet sich eine Diode zur positiven Versorgungsspannung (rot). Bevor das Eingangssignal nach links geführt wird, durchläuft es eine Diode mit Bezug zum GND-Potential (blau). Ein Widerstand direkt am Bondpad dient als Strombegrenzung (grün).

Das Enable-Signal wird von einer kleinen Schaltung ausgewertet. Im unteren Bereich ist die Push-Pull-Stufe zu erkennen, die das interne Steuersignal generiert.

Die Auswertung der Eingangssignale S0-S3 sind in Paaren zusammengefasst. Sie liefern jeweils ein differentielles Ausgangssignal, das hier nach oben aus dem Bild geführt wird.

Die acht Leitungen der vier differentiellen Steuersignale werden durch die Mitte des Demulitplexers geführt. Oberhalb und unterhalb der acht Leitungen verläuft die Steuerleitung des Enable-Eingangs. Über und unter den Leitungen sind insgesamt sechzehn Schaltungen integriert. Sie sind so mit den Steuerleitungen verbunden, dass immer nur ein Analogschalter ausgewählt wird. Die sechzehn Steuerleitungen unterqueren schließlich die breitere GND-Leitung und führen zu den Treiberschaltungen.

Die Treiberschaltungen sind über jeweils drei Leitungen mit den Analogschaltern verbunden.


Wie bereits das Texas Instruments Datenblatt gezeigt hat, besteht jeder Analogschalter aus einem NMOS- und einem PMOS-Transistor (blau/rot). Der PMOS-Transistor ist etwas größer. Ein solcher Größenunterschied erklärt sich meist durch die etwas schlechteren Eigenschaften von PMOS-Transistoren. Wie sich gleich noch zeigen wird, hat das Größenverhältnis hier noch einen anderen Grund.
Jeder der Transistoren besitzt zwei Rahmenstrukturen. Der äußere Rahmen ist dauerhaft mit Vcc verbunden und isoliert die Schalter zur Umgebung hin (türkis). Beim PMOS-Transistor ist auch der innere Rahmen dauerhaft mit Vcc verbunden. Man kann davon ausgehen, dass es sich dabei um das Bulk-Potential handelt. Beim NMOS-Transistor ist das Bulk-Potential dagegen schaltbar ausgeführt (grün). Auch beim ADG444 war das Bulk-Potential des NMOS-Transistors schaltbar. Dort wurde es entweder mit dem Source-Potential des NMOS-Transistors oder mit dem negativen Versorgungspotential verbunden. Das negative Versorgungspotential garantierte einen hohen Isolationswiderstand im abgeschalteten Zustand.
Wie sich gleich noch zeigen wird, verbindet die Ansteuerschaltung des CD74HCT4076E im abgeschalteten Zustand das Bulk-Potential des NMOS-Transistors mit GND. Wie beim ADG444 ist so ein hoher Isolationswiderstand garantiert. Die beiden Transistoren des Analogschalters besitzen jeweils einen kleinen Abschnitt, der im eingeschalteten Zustand das Bulk-Potential des NMOS-Transistors mit dem Eingangspotential verbindet (grün). Das höhere Potential sorgt für einen niedrigeren Widerstand. Das erklärt auch die sehr viel geringere Fläche des NMOS-Transistors. Im Fall eines Analogschalters ist die Abstimmung von PMOS- und NMOS-Transistor besonders wichtig, damit der Widerstand über den Eingangsspannungsbereich nicht allzu sehr schwankt.

Mit dem Wissen über die Funktionsweise des Analogschalters lohnt ein erneuter Blick auf die Ansteuerung. Der PMOS-Transistor wird aus einer Push-Pull-Stufe im oberen Bereich angesteuert (rot). Die Ansteuerung für den NMOS-Transistor ist dagegen sehr viel kleiner (blau). Das Bulk-Potential des NMOS-Transistors wird über zwei seriell geschaltete Transistoren mit dem GND-Potential verbunden (grün). Ein Transistor wird direkt mit dem oben rechts eintreffenden Steuersignal geschaltet, der andere über die Steuerleitung des PMOS-Transistors. Vermutlich war diese Verknüpfung notwendig, um das Umschaltverhalten zeitlich zu optimieren.