

Der Analog Devices AD633 ist ein Analogmultiplizierer. Die hier zu sehenden Bauteile sind allerdings Fälschungen. Die Oberfläche ist nicht allzu auffällig. Sie zeigt kaum Schleifspuren. Es ist keine Lackierung zu erkennen. Die neue Beschriftung erscheint plausibel und wurde mit einem Laser verhältnismäßig sauber in die Oberfläche gebrannt. Bei genauerer Betrachtung mehrerer dieser Fälschungen fällt aber auf, dass die Einbuchtungen am Pin 1 unterschiedlich tief sind. Teilweise ist die Markierung kaum mehr zu erkennen.

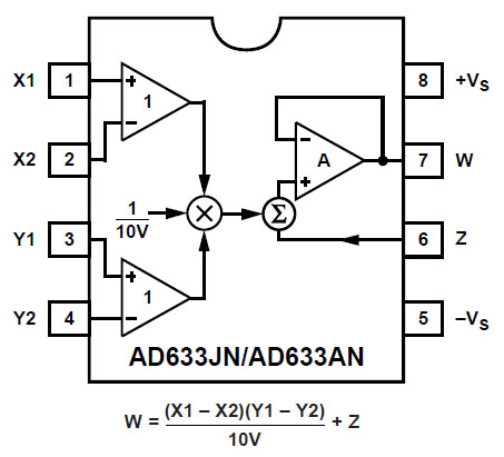
Der AD633 multipliziert zwei Signale, die über Differenzverstärker eingelesen werden. Nach der Addition eines weiteren Signals gibt ein Pufferverstärker das Ergebnis aus.



Im Gehäuse findet sich ein Die mit der Beschriftung RM4200Y. Dahinter verbirgt sich der Analogmultiplizierer RC4200 der Firma Raytheon. Mit dem zweiten Buchstaben der Bezeichnung zeigt Raytheon für welchen Betriebstemperaturbereich der Baustein spezifiziert ist. RC steht für 0°C bis 70°C, RV steht für -25°C bis 85°C und RM steht für -55°C bis 125°C. Der Buchstabe Y am Ende der Bezeichnung kennzeichnet die zweite Revision.

Das Datenblatt des RC4200 enthält eine Abbildung der Metalllage. Dabei handelt es sich um die Revision Z. Interessant ist, dass sich die einzigen offensichtlichen Änderungen im Testbereich unten rechts finden lassen.
Ken Shirriff hat auf seiner Seite einen RC4200 genauer analysiert. Auch dort war der Baustein in einem AD633 versteckt: https://www.righto.com/2020/09/how-to-multiply-currents-inside.html

Funktional unterscheidet sich der RC4200 vom AD633 deutlich. Der RC4200 multipliziert die Signale I1 und I2, teilt die Summe durch I4 und gibt das Ergebnis am Ausgang I3 aus. Immerhin fällt diese Fälschung sofort auf, da sie die erwartete Funktion in keinster Weise darstellen kann. Nicht einmal die Anordnung der Versorgungspins passt zum AD633.

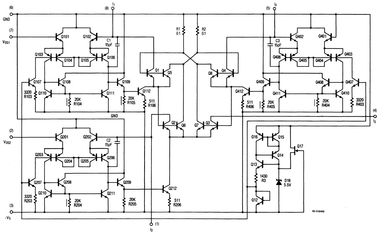
Das Datenblatt des RC4200 enthält auch einen Schaltplan. Die drei gleichen Operationsverstärker sind deutlich zu erkennen. In der rechten unteren Ecke befindet sich die Schaltung zur Arbeitspunkteinstellung. Es ist faszinierend wie ähnlich die einzelnen Elemente im Schaltplan und auf dem Die angeordnet sind.

In der Mitte der Schaltung sind die zweimal vier Transistoren platziert, die die Multiplikation übernehmen. Die räumliche Nähe sorgt dafür, dass Temperaturgradienten sich möglichst gleichmäßig auswirken und so die Schaltung nicht negativ beeinflussen.

Oberhalb der Transistoren, die die Multiplikation ausführen, befinden sich zwei sehr spezielle Elemente. Dort sind die zwei 0,1Ω Kollektorwiderstände integriert. Das blau erscheinende Material ist die starke n-Dotierung, die bei einem NPN-Transistor als Emitter verwendet wird und verhältnismäßig niederohmig ist. Die lila Streifen scheinen offene Kontaktflächen zu sein. So kann man den Widerstand über eine Verlängerung der Metallkontakte sehr präzise variieren. Beide Widerstände sind mit Testpads ausgestattet, ein Abgleich nach der Produktion ist aber nicht möglich.

Die Teststrukturen in der unteren rechten Ecke des Dies erscheinen teilweise etwas ungewöhnlich. Das linke Element ist ein NPN-Transistor, bei dem der Emitter (blau) Durchbrüche für die Basiskontaktierung enthält. Die kleinere, runde Struktur erinnert an einen PNP-Transistor. Den Farben nach zu urteilen, handelt es sich aber um eine n-dotierte Fläche in einer n-dotierten Fläche. Lediglich der innerste Kreis kann noch eine p-Dotierung enthalten. Demnach ist das eine Diode. Das rechte, etwas größere Element stellt ebenfalls eine Diode dar. Mit der kleinen runden Struktur in der Mitte könnte es sich um eine sogenannte "buried Zener" handeln.