
Der SAB3012 ist ein von Philips produzierter Schaltkreis. Er verarbeitet die Signale eines Tastenfelds und einer Fernbedienung und steuert mit diesen Eingangsgrößen ein TV-Gerät. Für Radiogeräte war die Variante SAB3012A verfügbar.
Es ist deutlich erkennbar, dass die Bezeichnung SAB3012 anders auf das Gehäuse aufgedruckt ist als die restlichen Zeichen. Philips produzierte parallel die sehr ähnlichen Bauteile SAB3022 und SAB3032. Höchstwahrscheinlich ist der zugrunde liegende Schaltkreis der Gleiche und man konnte mit einer minimalen Modifikation oder Konfiguration eines der drei Modelle darstellen. Die obere Bezeichnung wurde vielleicht erst später aufgedruckt.

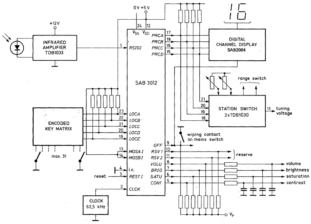
Das Datenblatt enthält ein Applikationsbeispiel, das die Funktionen darstellt. Über die LOC*-Eingänge liest der SAB3012 eine Tastaturmatrix ein. Am Eingang RSIGI kann das Signal eines Infrarot- oder eines Ultraschall-Empfängers eingespeist werden. Die Pins MOSA I und MOSB I konfigurieren den Eingang passend zum Übertragungsprotokoll. Die PRC*-Ausgänge stellen den sogenannten IBUS dar, der die Senderauswahl steuert und auch eine Senderanzeige bedienen kann. Das Datenblatt beschreibt einen analogen Speicher, über den die Lautstärke, die Helligkeit, die Sättigung und der Konstrast eingestellt werden. Tatsächlich handelt es sich um einen digitalen Speicher und auch einen digitalen Ausgang, dessen Ein-/Ausschaltzyklen mit einem externen RC-Glied zu einem Analogwert gewandelt werden.

Die Abmessungen des Dies betragen 4,1mm x 2,9mm. Es fällt auf, dass der Großteil des Dies von einer gitterförmigen Struktur eingenommen wird. In dieser Struktur ist die Steuerungslogik abgebildet. Um den Umfang sind die verschiedenen Schnittstellen der Ein- und Ausgänge platziert. In der linken unteren Ecke des Dies befindet sich die Zeichenfolge V906-V2, die auch auf dem Gehäuse aufgedruckt war. Es könnte sich dabei um die Bezeichnung des Grundprojekts handeln.

An der linken Kante sind einige Quadrate abgebildet, die vermutlich die eingesetzten Masken darstellen.

Die minimal Strukturbreite scheint sich im Bereich von 6µm zu bewegen. Das Datenblatt verrät, dass der Baustein mit einem NMOS-Prozess gefertigt wurde. Im Logikbereich sind nur sich kreuzende, horizontale und vertikale Leitungen zu erkennen. Auf irgendeine Art müssen die Kreuzungspunkte wahlweise Verbindungen oder Transistoren darstellen, um die gewünschte Schaltlogik darstellen zu können.
Das Datenblatt beschreibt vier Speicherzellen mit 63 Stufen, die die eingestellten Werte für die vier "analogen" Ausgängen beinhalten. Diese Speicherzellen müssen wohl in den drei Reihen mit abweichenden Strukturen abgebildet sein.

Der Takteingang in der unteren linken Ecke führt zu einer etwas anderen Struktur, die höchstwahrscheinlich als Taktpuffer für den Logikbereich dient.
Allgemein ist jedem Eingang eine etwas größere Struktur zugeordnet, die die interne Logik vor elektrostatischen Entladungen und Potentialen außerhalb des Betriebsspannungsbereich schützt. Am REST I Bondpad ist außerdem zu erkennen, dass die folgende kleinere Struktur aus dem Eingangssignal differentielle Signale erzeugt. Aus den differentiellen Signalen kann dann die Phasenlage gewählt werden, die benötigt wird.

Die "analogen" Ausgänge besitzen relativ große Endstufen. Zwar werden darüber keine analogen Signale ausgegeben, die Endstufen müssen aber einen ausreichend hohen Strom tragen können, um über das RC-Glied am Ausgang einen sauberen Pegel einstellen zu können.
Die Endstufen am OFF-Pin und den zwei Reserve-Ausgängen sind noch einmal etwas
anders ausgeführt, wahrscheinlich weil diese im Gegensatz zu den "analogen"
Ausgängen keine hohe Schaltfrequenz darstellen müssen.
Der OFF-Pin stellt im
Standby-Modus zusätzlich einen Eingang dar, über den der SAB3012 geweckt werden
kann. Passend dazu findet sich neben dem OFF-Pin die bekannte
Signalvorverarbeitung.

MOSA und MOSB ermöglichen einen von vier Modi auszuwählen. Die Schaltung zwischen den beiden Bondpads dekodiert wahrscheinlich die zwei Eingangssignale.