
Der Intel 28F160C3TD ist ein Flash-EEPROM in einem BGA-Package. Intel bezeichnet die Produktgruppe als "Intel Advanced+ Boot Block Flash Memory (C3)".

Das Datenblatt zeigt, was die Bezeichnung 28F160C3TD bedeutet. Die ersten beiden Buchstaben, die auf dem hier vorliegenden Bauteil nicht abgebildet sind, zeigen um welche Gehäusevariante es sich handelt. 28F ist das Kürzel der Speicherfamilie. Die Zahlen 160 stehen für eine Speichertiefe von 16MBit. C3 spezifiziert die Produktgruppe genauer. Das T dokumentiert, wo sich der Boot-Bereich im Speicher befindet. Dieser Bereich ist anders aufgeteilt und funktional ein Stück weit vom restlichen Speicher isoliert. Der Buchstabe D am Ende verrät, dass der Speicher mit einem 130nm-Prozess hergestellt wurde.

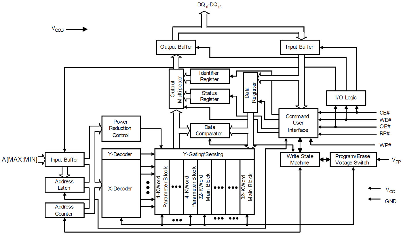
Das Datenblatt enthält auch ein Blockschaltbild des Speichers.
Im Gehäuse befindet sich ein Die mit den Abmessungen 5,0mm x 1,7mm. Die gleichmäßig strukturierten Speicherbereiche sind gut zu erkennen. Rechts unten befindet sich die inhomogenere Steuerungslogik. Der Schaltungsaufwand in der Steuerungslogik ist nur wenig davon abhängig welche der vier Speichervolumen angesteuert werden müssen. Man kann daher vermuten, dass immer der gleiche Steuerungsblock verwendet wird. In der 8MBit-Variante ist die Speicherfläche dann genauso groß ist wie die Steuerungslogik. Für die 32MBit- und die 64MBit-Variante werden schlicht die Speicherflächen entsprechend verdoppelt.
Dieses Bild ist auch in einer höheren Auflösung verfügbar: 33MB

In der unteren rechten Ecke findet sich ein Copyright aus dem Jahr 2002 und die Bezeichnung 28F1600.

Hier ist einer der zehn Blöcke zu sehen, aus denen der Speicherbereich aufgebaut ist. Jede der zwei Hälften muss 800kBit enthalten. Unter jedem der 64 Streifen befinden sich damit rechnerisch 12.500 einzelne Bits.

Bei zwei Blöcken sind seitlich abgesetzte kürzere Streifen zu erkennen. Hierbei könnte es sich um Reservezellen handeln, die defekte Speicherzellen ersetzen.

An der unteren Kante des Dies kann man in der Mitte die kleineren Speicherblöcke erkennen, die den Bootbereich darstellen.

Im Steuerungsbereich sind an einigen Stellen die typischen chaotischen Strukturen von Logikschaltkreisen zu sehen. Im unteren rechten Bereich befindet sich ein verhältnismäßig kleines Quadrat, das ähnliche Streifen besitzt wie die großen Speicherflächen. Darin könnten spezielle Speicherzellen enthalten sein. So besitzt der 28F160C3TD zum Beispiel ein 128Bit großes "Protection Register", das eine nicht änderbare 64Bit ID enthält. Daneben können weitere, speziell geschützte 64Bit abgespeichert werden.