
Der 82S129 ist ein PROM mit einem Speichervolumen von 1kBit. Die Speicherzellen basieren auf Nickel-Chrom-Elementen, die beim Programmieren durchgebrannt werden (siehe MH74S287). Die Adressleitungen A3-A7 aktivieren eine Zeile einer großen 32x32 Speichermatrix. Die Adressleitungen A0-A2 wählen aus den 32 Ausgangssignalen der Matrix vier Signale aus, die dann abhängig von den Steuersignalen CE1 und CE2 ausgegeben werden.

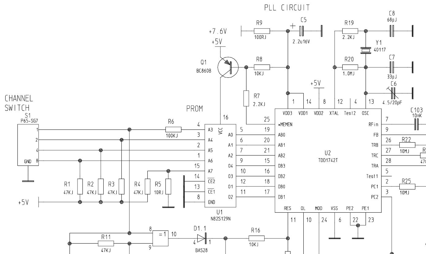
Das 82S129-PROM wird nicht mehr produziert. Es gibt aber noch Anwendungen, die den Baustein nutzen. Eine Anwendung ist der Taschensender Sennheiser SK 3063-U, der zum Beispiel bei Fernsehproduktionen verwendet wird. Herzstück des Senders ist der Frequenz-Synthesizer TDD1742. Ein 82S129 PROM definiert dabei auf welchen Frequenzen der Sender sendet. Ein Kanalwahlschalter bedient vier Adressleitungen des PROM, die übrigen drei Adressleitungen kontrolliert der Synthesizer.


Nachdem der 82S129 PROM nicht mehr hergestellt wird, setzt Sennheiser mittlerweile einen speziellen Hybridbausteine an dieser Stelle ein. Ein Umstieg auf einen moderneren Speicher war nicht möglich. Im Rahmen des Kundendiensts können die Taschensender auf andere Frequenzbereiche umgestellt werden. Dazu wird der PROM ausgetauscht und man benötigt weiterhin Speichermodule, die mit der vorhandenen Schnittstelle kompatibel sind.
Der Hybridbaustein basiert auf einem Keramikträger, dessen Bauform einem DIL16-Gehäuse entspricht. Auf der Oberseite sind zwei Widerstände und ein Transistor zu erkennen. Den eigentlichen Speicher verdeckt ein schwarzer Verguss. Weiterführende Informationen findet man zu diesem Hybridbaustein nicht.

Entfernt man das Vergussmaterial, so kann man einen Blick auf den eingesetzten Speicher werfen.
Es handelt sich offensichtlich um einen sehr viel moderneren Schaltkreis. Die regelmäßige Struktur des Speicherbereichs ist deutlich zu erkennen. Die umfangreiche Schaltung neben dem Speicherbereich zeigt, dass es sich höchstwahrscheinlich um einen EEPROM handelt. An der linken Kante sind einige Kondensatoren integriert. Dort befindet sich mit Sicherheit eine Ladungspumpe, die die höhere Spannung erzeugt, die zum Beschreiben der Speicherzellen benötigt wird.

Auf dem Die zeigt sich, dass der Speicher von Atmel stammt. Die Bezeichnung 19803 ist eine interne Bezeichnung des Designs. Sie findet sich in einer PCN für den EEPROM AT28C64.
Im unteren Bereich sind die Revisionen von acht Masken abgebildet. Der Baustein nutzt zwei Metalllagen. Die obere Metalllage kann offensichtlich nicht so fein strukturiert werden wie die untere Metalllage.

Der AT28C64 ist ein EEPROM mit einem Speichervolumen von 8kB. Er ist damit 64 mal so groß wie der 82S129. Das Datenblatt enthält ein Blockschaltbild, das den typischen Aufbau eines EEPROM zeigt.

Der Transistor ist ein BC850, ein NPN-Transistor. Die Verteilung der Potentiale erfolgt auf dem Keramikträger in zwei Lagen.

Die Adressleitungen A0-A7 des Keramikträgers führen zu den jeweiligen Adressleitungen des EEPROM. Die Adressleitungen A8-A12, die der EEPROM zusätzlich bietet, sind mit dem Massepotential verbunden. Der Adressbereich, den man darüber erreichen könnte, wird nicht benötigt. Die Ausgänge IO0-IO3 werden als O1-O4 herausgeführt. Die Ausgänge IO4-IO7 bleiben offen. Es sind folglich nur die ersten vier Bit der Datenschnittstelle erreichbar, was hier aber ausreichend ist.
Der CE-Pin des EEPROM ist direkt mit dem Massepotential verbunden. OE ist mit dem CE2-Potential des 82S129 verknüpft. WE hat man über den Transistor, der als Inverter arbeitet, mit dem CE1-Potential verbunden. In der Schaltung des Senders führen CE1 und CE2 dauerhaft Massepotential. Das hätte man auch auf dem Keramikträger integrieren können. Das Herausführen von OE und WE des EEPROM erlaubt aber ein Programmieren des Bausteins. Dazu muss man an CE1 und CE2 ein High-Potential anliegen.