
Die AD580 von Analog Devices ist eine 2,5V-Referenzspannungsquelle im TO-52 Gehäuse. Es existieren insgesamt sieben Varianten mit leicht unterschiedlichen Spezifikationen. Der erste Buchstabe nach der Typbezeichnung kennzeichnet die Variante. Die Buchstaben J, K, L, M halten ihre Spezifikationen in einem Betriebstemperaturbereich von 0°C bis 70°C. Die Kennwerte der Varianten S, T, U sind etwas schlechter, beziehen sich aber auf einen Betriebstemperaturbereich von -55°C bis 125°C.
Die beste Sortierung AD580M garantiert einen initialen Fehler von maximal +/-10mV. Der Temperaturdrift beträgt maximal 10ppm/°C. Dazu kommt ein Langzeitdrift von 250µV. Die Stromaufnahme liegt bei nur 1,5mA.

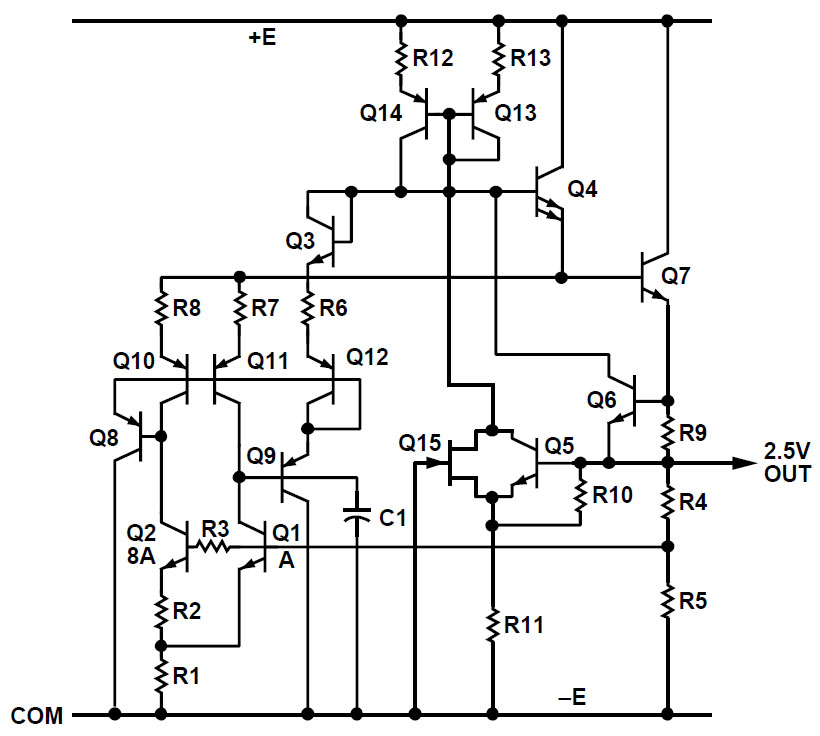
Das Datenblatt der AD580 enthält einen Schaltplan, der dem Schaltplan im Patent US3887863A und damit auch der Referenzspannungsquelle AD1403 entspricht. Lediglich der in der Patentschrift mit UP bezeichnete Widerstand fehlt hier. Auf dem Die zeigt sich allerdings, dass der Widerstand auch in der AD580 vorhanden ist. Die Schaltung wurde im Rahmen der Referenzspannungsquelle AD1403 genauer analysiert.

Der Ausgang der Referenzspannungsquelle ist über zwei Bonddrähte mit dem Die verbunden.

Das Datenblatt enthält ein Abbild der Metalllage des Dies. Da man die AD580 auch als Bare Die beziehen kann, findet sich ein extra Hinweis, dass beide Eout-Bondpads mit dem Ausgang verbunden werden müssen. Über diese Bondpads schließt sich der Regelkreis der Referenzspannungsquelle.

Das Die ist überraschend hoch. Man hat darauf verzichtet die Rückseite des Wafers abzuschleifen. Dafür ist aber keine Bruchkante zu erkennen. Anscheinend wurden die Dies vollständig aus dem Wafer herausgeschnitten und nicht nur angeschnitten und dann herausgebrochen.


Das Design stammt aus dem Jahr 1990. Es scheint, dass die AD580 eine aktualisierte Version der AD1403 darstellt.
In der Übersicht sind viele Elemente gut zu erkennen. Die stärkeren Transistoren sind an der linken Kante integriert, während sich die Transistoren der Bandgap-Referenz ganz recht befinden. Wie im Schaltplan dargestellt, handelt es sich um zwei Transistoren mit einem Größenverhältnis von 8:1. Der größere Transistor ist auf zwei Elemente aufgeteilt und umgibt den kleineren Transistor, so dass alle Strukturen möglichst gleiche Temperaturen aufweisen.
Der Widerstand an der unteren Kante wurde mit einem Laser abgeglichen und erlaubt es die Ausgangsspannung zu justieren. An der rechten Kante befinden sich die Widerstände, mit denen der Temperaturdrift abgeglichen werden kann. Zwei Testpads kontaktieren dafür die Bandgap-Referenz direkt.
In der oberen rechten Ecke befindet sich eine Teststruktur, die typisch ist für integrierte Schaltungen, die mit einem Laser abgeglichen werden. Die Struktur wird zur Justage des Lasers herangezogen. Daneben wurde eine 1 in ein Quadrat geschrieben. Es könnte sich dabei um die Dokumentation einer Qualitätsstufe handeln oder die Zahl wird für die Rückverfolgbarkeit des Abgleichprozesses benötigt.