Bei der LT1027 handelt es sich um eine Referenzspannungsquelle von Linear
Technology, die auf einer buried Zenerdiode basiert.
Die Ausgangsspannung ist
mit einer Toleranz von +/-0,1% etwas weniger genau definiert als bei der LT1236.
Der Temperaturdrift ist mit 5ppm/°C zusätzlich etwas höher. Dafür addiert eine
externe Justage der Ausgangsspannung keinen weiteren Temperaturdrift.

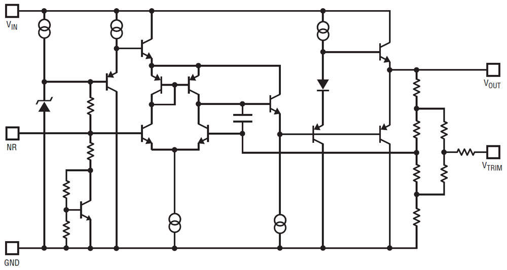
Das Datenblatt enthält ein Prinzipschaltbild. Die integrierte Schaltung ist scheinbar deutlich komplexer als bei der LT1236. Der Schein trügt allerdings, da hier der Pufferverstärker schlicht nicht als Operationsverstärker sondern großteils mit diskreten Bauteilen dargestellt wurde.
Grundlage der Referenzspannung bildet auch hier eine Zenerdiode. Über eine
Widerstandskette kann zur Rauschreduktion ein Kondensator an das Potential
angebunden werden. Ein Transistor in der Widerstandskette kompensiert
höchstwahrscheinlich den Temperaturkoeffizienten der Zenerdiode. Mittels einer
Anpassung der Widerstandswerrte lässt sich nach der Produktion die
Ausgangsspannung justieren.
Auf die Schaltung zur Referenzspannungserzeugung
folgt ein klassischer Differenzverstärker, eine Spannungsverstärkungsstufe, eine
Treiberstufe und letztlich die Push-Pull-Endstufe.
Das Ausgangssignal wird
mittels eines Widerstandsnetzwerks zum Differenzverstärker zurückgekoppelt. Anders als
beim LT1236 erfolgt die Feineinstellung der
Ausgangsspannung über einen Kontakt innerhalb dieses Widerstandnetzwerks. Da die
eigentliche Referenzspannungsquelle von Änderungen an dieser Stelle
nicht beeinflusst wird, bleibt bei der LT1027 der Temperaturdrift konstant.

Obwohl der Prinzipschaltplan der LT1027 der LT1236 nicht unähnlich ist, befindet sich im LS8-Package der LT1027 ein sehr viel größeres und komplexeres Die.
In der LT1027 sind drei Potentiale nach außen geführt,
aber nicht näher beschrieben.
Das Massepotential erhält das Die über zwei
Bonddrähte vom Gehäuse. Ein Massepotential ist direkt der Zenerdiode zugeordnet,
während das andere Massepotential für die restlichen Schaltungsteile verwendet
wird.

Das Die trägt die Bezeichnung 1027D. Die Zeichen JS könnten die Initialen eines Entwickler sein. Das Design stammt aus dem Jahr 1996.
An der linken Kante des Dies befindet sich mittig die buried Zenerdiode, die die
Grundlage der Referenzspannungsquelle darstellt. Neun Testpads ermöglichen
über Fusible Links die Justage der Referenzspannung. In der LT1236
waren dazu sechs Testpads mehr notwendig.
Rechts der Zenerdiode ziehen sich die symmetrischen
Komponenten des Operationsverstärkers über das Die. Darüber befindet sich der
relativ große Kompensationskondensator.
An der oberen Kante in der linken Hälfte
ist eine weitere buried Zenerdiode integriert. Darunter sind mehrere
Stromquellen, unter anderem die Stromquelle der Referenz-Zenerdiode,
untergebracht. Vermutlich sorgt die obere Zenerdiode für möglichst konstante
Arbeitsströme.
Die Push-Pull-Endstufe des Ausgangs ist an der rechten Kante
platziert. In der unteren rechten Ecke befindet sich der Anschluss, über den
die Ausgangsspannung eingestellt werden kann. Die zugehörigen Widerstände sind
links davon integriert.
Die drei Anschlüsse in der rechten oberen Ecke dürfen
laut Datenblatt nicht beschaltet werden. Sie sind mit verschiedenen Widerständen
und letztlich mit dem Operationsverstärker verbunden. Welchen Zweck diese Pins
haben erschließt sich nicht.


Die zwei buried Zenerdioden sind dem Anschein nach gleich aufgebaut und entsprechen der Zenerdiode in der LT1236.

Auf dem Die befinden sich zwei relativ große, längliche Elemente mit einer kammartigen Struktur. Die zugrunde liegende Funktion lässt sich nicht abschließend klären.