
1990 wurde Precision Monolithics Inc. von Analog Devices gekauft. Seither vertreibt Analog Devices viele PMI-Produkte unter den altbekannten Modellbezeichnungen.
Dieses DIL-8-Modell des REF01 fertigte Analog Devices im Jahr 2017.

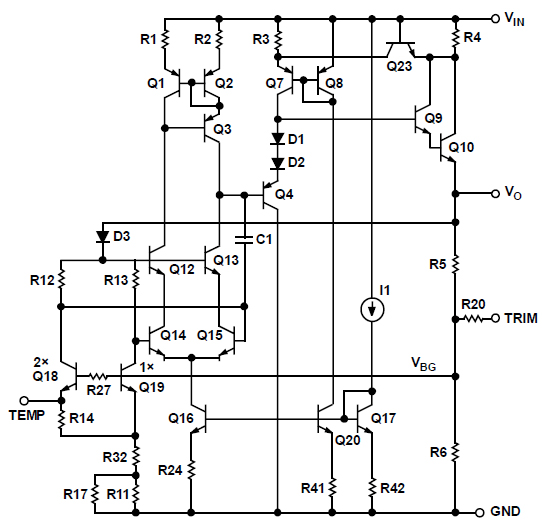
Im aktuellen Datenblatt von Analog Devices ist ein Schaltplan abgebildet, der an einigen Stellen vom originalen PMI-Schaltplan abweicht.
Die Referenzstromquelle ist grundsätzlich
gleich aufgebaut. Versorgt wird sie hier allerdings direkt vom Ausgang. Das
Verhältnis der Transistorgrößen beträgt angeblich 2:1 statt 4:1. Laut Datenblatt
ist bei diesen Referenzspannungsquellen der Temperaturausgang immer vorhanden.
Der Ausgangspegel versorgt die Kaskoden-Transistoren
Q12 und Q13 direkt über die Diode D3.
Die Stromquelle des Differenzverstärkers besteht in der
Generation 5 aus einem Stromspiegel, der auch den Treiber für den
Ausgangstransistor versorgt und dessen Strom über die Stromquelle I1 definiert
ist.
Die Treiberstufe, die Darlington-Endstufe und die Strombegrenzung sind
fast gleich aufgebaut, mit dem Unterschied, dass der Treibertransistor nicht
mehr in die interne Versorgung einspeist, sondern das Massepotential als
Referenzpotential nutzt.

Das Die lässt sich nur schwer aus dem Package herauslösen, was unter anderem daran liegt, dass es mit nur 0,8mm x 0,85mm sehr viel kleiner ist als die alten Modelle.

Es ist auf den ersten Blick erkennbar,
dass sich das Design grundlegend geändert hat.
Obwohl nur fünf aktive Pins
beschrieben sind, ist das Die mit sechs Bonddrähten kontaktiert. Ein Pad
verblieb unkontaktiert.
Im Gegensatz zu den alten Designs benötigt diese
Referenzspannungsquelle nur einen Testpunkt für den Abgleich. Laut Datenblatt
wird der Schaltkreis während der Fertigung mit einem Laser abgeglichen.
Entweder wurde die Schaltung grundsätzlich
überarbeitet oder Analog Devices setzt hier einen eigenen, sehr ähnlichen
Baustein ein.
Interessant ist in diesem Zusammenhang, dass das
REF01-Datenblatt von Analog Devices für Neuentwicklungen den Baustein ADR01
empfiehlt. Der ADR01 wäre genauer und temperaturstabiler. Das Datenblatt des
ADR01 enthält allerdings den absolut gleichen Schaltplan wie das Datenblatt des
REF01. Es ist folglich durchaus denkbar, dass es sich beim REF01 um eine schlechtere
Sortierung von ADR01-Bausteinen handelt.

Das Die ist mit einer Schutzschicht überzogen, die die Analyse der aktiven
Bereiche erschwert. Die Schicht wurde in zwei unterschiedliche Dicken
aufgebracht. Die Pads verblieben frei.
Die Schutzschicht kann nur mit sehr
hohen Temperaturen zerstören werden.

Es lässt sich leider nicht verhindern, dass
durch die Hitzeeinwirkung auch das Die selbst teilweise degeneriert. Diese
Tatsache, die geringe Strukturbreite und der Einsatz von zwei Metalllagen macht
es fast unmöglich die Schaltung zu analysieren.
Es bestätigt sich aber noch
einmal, dass die Schaltung grundlegend anders aufgebaut ist.

Auf einer großen Metallfläche,
höchstwahrscheinlich einem Kondensator, befindet sich die Ziffernfolge 1716Y.
Hierbei könnte es sich um eine interne Bezeichnung des Baustein handeln.
Außerdem ist das Jahr 2007, das Logo und die Abkürzung von Analog Devices
abgebildet.
In der linken, oberen Ecke befinden sich vier etwas verkünstelte
Buchstaben, die für die Entwickler des Chips stehen könnten.

An der oberen Kante des Dies befindet sich die Ziffernfolge ADR01A, was die anfängliche Vermutung untermauert, dass die REF- und die ADR-Referenzspannungsquellen identisch aufgebaut sind.

Nahe des Testpads befindet sich ein Bereich, der frei von Metallstrukturen ist. Darunter sind Widerstandsflächen zu erkennen. Höchstwahrscheinlich handelt es sich hier um den oder zumindest einen Bereich, der während der Fertigung mit einem Laser abgeglichen wurde. Passend dazu war diese Fläche dünner mit der finalen Schutzschicht überzogen.

In der Mitte des Dies sind fünf gleiche Transistoren zu erkennen, die etwas größer ausgeführt sind als die restlichen Transistoren. Die Verbindungen lassen vermuten, dass die ersten drei Transistor von links die Referenzstromquelle darstellen. Der mittlere der drei wäre demnach Q19, die umgebenden die beiden Q18.
Rechts neben der Stromquelle befindet sich eine weitere, verkünstelte Buchstabenkombination.