
Der CYK128K16 von Cypress Semiconductor ist ein PSRAM, ein Pseudostatisches RAM. Dabei handelt es sich um ein DRAM, das sich nach außen wie ein SRAM verhält. So profitiert man von dem geringeren Flächenbedarf der DRAM-Speicherzellen, muss aber nicht das regelmäßige Auffrischen der Daten verwalten. In einem PSRAM ist eine Schaltung integriert, die dieses Aktualisieren selbststätig übernimmt.

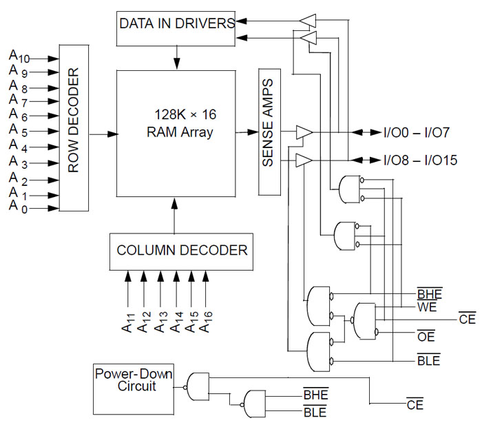
Das Datenblatt enthält ein sehr einfaches Blockschaltbild. Die 2MBit des Speichers sind demnach in einer 128k x 16 Architektur angeordnet. Die Adressierung des Speichers erfolgt über 16 Adressleitungen. Die Daten werden in zwei 8Bit-Paketen ausgegeben.
Die Abmessungen des Dies betragen 4,1mm x 1,2mm. Beim Herausarbeiten aus dem Gehäuse hat die Oberfläche etwas Schaden genommen, aber man kann die wichtigsten Strukturen erkennen. Das Die ist mit eine Polyimidschicht überzogen.
Dieses Bild ist auch in höherer Auflösung verfügbar: 25MB

In der rechten unteren Ecke findet sich die Jahreszahl 2003. Die Zeichenfolgen CHD 216K9 lassen sich nicht zuordnen. A0 und A1 könnten Revisionen der Metalllage sein.

Der Speicherbereich ist durch seine regelmäßigen Strukturen in der Metalllage gut zu erkennen.

Unter der Speicherfläche befinden sich in regelmäßigen Abständen Ausschnitte, in denen sich offensichtlich jeweils vier Fuses befinden. Im rechten Bereich sind auch ausgelöste Fuses zu erkennen. Ein weiterer Block dieser Fuses wurde in der rechten unteren Ecke des Dies integriert.